白光LED的驅動電路
1、 提升電源調節器驅動白光LED的電路
白光LED的應用使閃光燈進入更新型的應用領域,它所顯出的可靠性、耐久性以及白光LED的功耗控制能力使這些器件極具吸引力。在采用白熾燈時,對器件的電源管理只是簡單的開關切換。然而白光LED不能直接采用閃光燈中的電池進行工作,因為它要求的電壓是介于2.8V和4V之間的,而相比之下電池電壓只有 1.8V~3V。電源管理的復雜性有所增加,因為白光LED的光輸出與電流相關,而白光LED的特征與電壓呈現出極端非線性的關系。解決此問題的方法之一是提高電源的電流限制能力。
采用提升電源調節器驅動白光LED的電路如圖1所示。提升電源調節器TPS6200×可以產生白光LED所需要的高電壓。內部升壓功率級可連接VIN與PGND端,從而為輸出引腳L提供電流。此電路通過打開輸出端開關進行工作,從而可以連接電感器L1上的電池電壓。一旦電感器L1儲存了足夠的能量,輸出端開關立即關閉。電感器電流可驅動開關節點切換到負極,并驅動輸入端的能量轉移到輸出電容器C1中。由于輸出端與輸入端的開關是MOSFET管,因此壓降低于二極管方案,從而可以實現高的效率。調節器TPS6200×通過檢測電阻器能監控流經白光LED 的電流,同時將檢測電壓與內部的0.45V參考電壓進行對比,以實現調節功能。因此,電流與照度是檢測電阻器電壓的函數。雖然TPS6200×的內部參考電壓比其他大多數變換器的電壓要低,但也會造成功率損耗。在采用2.8~4V的白光LED電壓時,其效率將降低10%~14%。應通過降低電阻器的阻值并采用放大器實現低電壓,以降低這種損耗。

圖1 提升電源調節器驅動白光LED的方案
圖2示出了在350mA電流調整點時的負載電流調節與升壓電壓的效率曲線。在正常的電池電壓范圍內,工作效率可達到80%以上,但是隨著電池電壓降低到壽命終點值,效率會降低。另外,圖2還說明了有無檢測電阻的影響。在輸入電壓較高時,效率接近95%,而在輸入電壓較低時,效率將降到80%。曲線的趨勢源自兩個相關的效應:一是在高輸入電壓下,輸入電流和開關電流較低,因此傳導和開關損耗較低;二是與自耦變壓器極其類似,升壓功率級不處理總輸入功率。功率級處理的功率量與升壓電壓相關,或者與輸入電壓和白光LED電壓之間的壓差相關。在此設計中,白光LED的電壓大約為8.7V,因此,在8.2V的高壓線路上,功率級只處理功率的6%[(8.7-8.2)/8.7]。在電流高得多的低壓線路上,功率級要處理8.2V時的4倍功率,即24%的功率。

圖2 電路的效率曲線
2、白光LED的控制電路
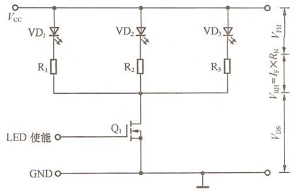
白光LED為電流驅動器件,光輸出強度由流過LED的電流決定。圖3所示的是由電壓源和限流電阻構成的一種簡單偏置電路,流過白光LED的電流由下式確定:IDIODE=(VCC-VF)/(RLIM+RDS(ON)) (1)

圖3 LED偏置電路
這種方式的成本較低,但要求不同二極管的正向電壓VF要一致。圖4、圖5表示25℃時白光LED的正向電壓(典型值)與導通電流的關系曲線。從電流指標可以看出,對于GaAsP白光LED,VF可以上升到2.7V(+40%);對于InGaN白光LED,VF可以上升到4.2V(+20%)。如果系統中需要多只白光LED,如移動電話背板顯示器采用8只白光LED,則按照圖6的設計方案將需要多個限流電阻,占用較大的線路板面積。

圖4 典型GaAsP正向電壓與導通電流的對應關系 圖5 典型InGaN正向電壓與導通電流的對應關系

圖 6 利用MAX1910/MAX1912電荷泵實現電流調節的電路
如果將VCC增大到VF的10倍以上,可以減少VF變化的影響,但耗電較多,不符合電池供電產品的需求。對于采用單節鋰離子電池供電的系統,鋰離子電池電壓的變化范圍為3~4.2V。如果白光LED的偏置電路只是簡單地由鋰離子電池和限流電阻組成,輸出亮度將會產生明顯的變化。合理的方案應該是采用電流偏置電路。
(1)電流偏置電路
電流偏置電路實際上是用一個電流源為白光LED提供偏置。如果電流源具有足夠的動態范圍,這種偏置方式將不受VF變化的影響。圖7為電流偏置方案的原理圖。該電路將圖3中的限流電阻用電流源替代。光輸出強度與電源和正向電壓無關,只要有足夠的電源電壓為LED提供偏置即可。在圖7中,Q1為使能控制開關。

圖7 電流偏置方案的原理圖
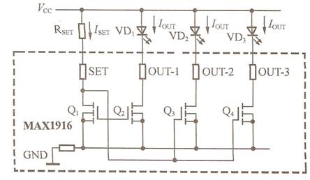
MAX1916為專用白光LED驅動集成電路,它提供了一種先進的白光LED電流偏置電路。MAX1916在微型SOT-23封裝內集成了三組電流源,流過RSET的電流鏡像到三個輸出端,如圖8所示。電路中幾個相同的MOSFET管具有相同的柵源電源,因此,它們的溝道電流相同,電流的大小由鏡像電流ISET決定。MAX1916的最大電流失配度為±5%,“鏡像系數”為200A/A。也就是說,當ISET為50μA時,每個輸出端的電流為10×(1±0.05)mA(最大值)。SET端由內部偏置在1.25V。ISET由下式決定:
ISET=(VCC-1.25V)/RSET (1)
IOUT=200ISET (2)

圖8 MAX1916為LED提供的鏡像電流
每路電流之間的偏差為±5%。輸出端飽和電壓為:
VOUT(SAT)=RDS×IOUT (3)
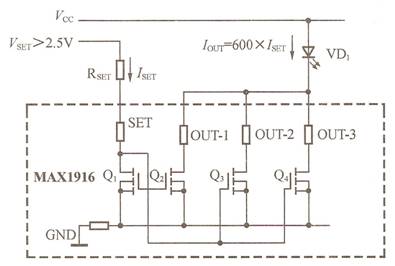
MAX1916的漏源電阻在整個溫度范圍內保證不高于50Ω。一個工作電流為2mA的GaAsP白光LED保證正常工作所需要的最低電壓是VF+100mV, 2.71V的輸入電壓能夠將GaAsP白光LED的工作電壓維持在2.7V。為了獲得更低的壓差和更高的輸出電流,可以將MAX1916的三路輸出并聯構成“鏡像系數”為600A/A的電流源,如圖9所示。并聯后的漏源電阻為50/3=16.67(Ω)(最大值)。這種連接方式允許單只白光LED在3V供電時電流達到20mA以上,滿足目前便攜式移動電話等產品的背光要求。用于設置端電流的電壓源可以由帶載能力較強的主電源單獨提供,例如在移動電話中,VSET可以由射頻(RF)電路的低噪聲+2.8V電源提供。如果直接由單節鋰離子電池供電,MAX1916適用于驅動正向電壓較低的GaAsP白光LED,而對于正向電壓較高的InGaN白光LED,則需采用其他驅動方案。因為由鋰離子電池供電時,隨著電池的放電,輸入電壓可能無法滿足白光LED所要求的偏置電壓。

圖9 MAX1916的三路輸出并聯構成電流源
(2)用電荷泵升壓變換器驅動白光LED的方案
正向電壓為8.5~4.2V(在20mA電流下)的白光LED通常需要升壓變換器,可以用電荷泵(如MAX682~MAX684)與MAX1916共同構成這種白光LED的驅動電路,如圖10所示。MAX682~MAX684能夠將2.7V的輸入電壓轉換為5.05V輸出,輸出電流能夠分別達到 250mA、100mA和50mA。利用MAX684的關斷控制引腳或MAX1916的使能控制引腳可以關閉白光LED。在圖10所示電路中, MAX684在關斷模式下,電源電流降至22μA;RSET=43kΩ時,白光LED的電流為22mA。
圖10 采用電荷泵升壓電路控制三只LED
圖11所示的是利用電荷泵構成的白光LED電流控制電路,反饋調節電壓的典型值為1.235V, Ipk=1.235/RSENSE,選用24Ω的檢流電阻能夠為白光LED提供50mA電流。當電荷泵工作時,輸出電壓上升至白光LED的開啟電壓,白光LED開始導通。白光LED的典型正向電壓為8.5×(1±0.1)V,加上反饋調節電壓,MAX1759的輸出端提供的偏置電壓為4.735V。該電路輸出電壓的紋波在40mV以內,不會導致白光LED的輸出產生明顯變化,通常人眼覺察不到。另外,圖11所示電路在關斷狀態下時輸入與輸出之間沒直流通路。

圖11 用電荷泵構成的白光LED電流控制電路
(3)基于電感變換器的白光LED驅動解決方案
MAX1848將升壓變換器與電流控制電路集成在6引腳SOT-23封裝內,利用電流檢測驅動三組白光LED,每組包括三只串聯連接的白光LED,如圖 12所示。輸入電壓范圍為2.6~5.5V,MAX1848利用電壓反饋結構調節流過白光LED的電流,較小的檢流電阻(5Ω)有利于降低功耗,保持較高的轉換效率。模擬控制器用于控制所有白光LED的亮度。在典型應用電路,L1=33μH,CCOMP=150nF,COUT=1.0μF,RSENSE=5Ω。白光LED的電流由控制電壓確定,IOUT=VCTRL/(18.33×RSENSE)。

圖12 用基于電感的電流調節器驅動多只LED
白光LED的亮度可以通過MAX1848的CTRL引腳的D/A變換器調節或電位器分壓電路調節,電壓控制范圍為+250mV~+5.5V,將控制引腳接地可實現關斷。負載功率為800mW時,電路轉換效率達88%。
MAX1916內部配置三路可調電流源結構,可控制多種LED;直接采用單節鋰離子電池供電,可驅動紅光、綠光或黃光GaAsP LED;配合電荷泵升壓變換器,MAX1916還可用于驅動白光InGaN LED。對于有更高功率要求的應用,需采用基于電感的MAX1848,外部只需要極少的元件,輸出功率為800mW時轉換效率達88%。
(4)由MAX1984構成的白光LED驅動電路
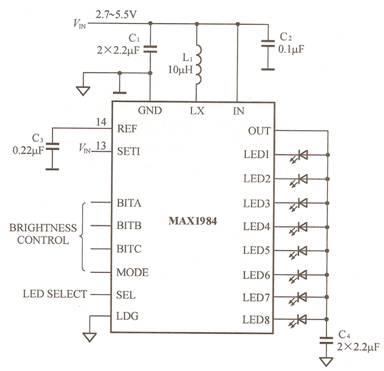
MAX1984的主要特點為:采用轉換效率高于95%的升壓式同步整流DC/DC變換器,并且無需外部肖特基二極管,工作頻率為1MHz,可減小電感及電容的尺寸;驅動器總的效率高達90%;可驅動8只白光LED,其電流不匹配最大值為8%;可設定白光LED的最大電流;有三種方式可調節白光LED的亮度;可選擇某些白光LED亮、某些不亮;可關閉白光LED控制,在關閉狀態下靜態電流為0.1A(典型值);有獨特的0.5mAV LED測試模式;內部有過壓保護;工作電壓范圍為2.7~5.5V;有低壓鎖存功能(2.4V);采用20管腳小尺寸4mm×4mm QFN封裝;工作溫度為-40~+85℃。
MAX1984的典型應用電路如圖13所示,這是一個驅動8只白光LED的電路。有關能數的計算及組件的選擇如

圖13 MAX1984的典型應用電路
① 亮度調節。白光LED的發光亮度能通過SETI端的電流進行選擇(15%~100%)。有三種調節模式:DPWM模式、模擬電壓模式及2位或3位并行控制模式。
·最大白光LED電流ILEDC(FS)的設定。最大白光LED電流ILEDC(FS)由SETI端來設定,SETI端接IN端時,ILED(FS)=18mA;SETI端接GND端,白光LED電流為0.5mA。SETI端接電阻RSETI時,ILED(FS)與RSETI阻值的關系為
ILED(FS)=12+0.75KVref/RSETI (4)
式中:K=3851,Vref=1.25V。
·DPWM模式調節。將MODE端及BITC端接IN端,BITB端懸空,DPWM信號由BITB端輸入。這時白光LED的電流ILED由下式決定:
ILED=D×ILED(FS) (5)
式中:ILED(FS)是由SETI端設定的電流值;D是DPWM信號的占空比。
平均電壓的獲得是通過內部的一個RC濾波器實現的,其時間常數為0.1ms,它適用于DPWM頻率為10kHz~2MHz的情況。若采用更低的頻率,則需要在BITB端外接一個電容CEXT到地,以增大其時間常數。DPWM的占空比為20%~100%。在DPWM模式下,當D小于5%且BITC端接低電平時,它進入關閉模式。
·模擬電壓模式調節。將MODE端、BITA端及BITC端連接到IN端,直流控制電壓從BITB端輸入,該電壓為140mV~0.75Vref(Vref=1.25V)。
·3位或2位并行控制模式。在3位并行控制時,MODE端接GND端;在2位并行控制時,MODE端接IN端,BITC端接地。
②關閉狀態控制。在不同的亮度控制模式下,關閉控制方式也不同;在DPWM控制時,若BITA端輸入的脈沖信號占空比小于5%(典型值),器件被關閉;在模擬電壓控制時,若BITA端及BITB端都是低電平,器件被關閉;在并行控制時,若BITA、BITB、BITC端都是低電平,器件被關閉。
③有關組件參數的選擇。
·電感器。由于振蕩器的工作頻率達1MHz,所以有可能采用低剖面高度的貼片式電感器,其電感量為10μH。所采用的電感器的飽和電流應大于內部開關的限制電流(0.65A),碳性材料要滿足1MHz的頻率要求,采用有屏蔽的電感器可減少EMI的影響。
·輸出電容器。輸出電容器用于穩定電路及減小輸出紋波電壓。該電容容量為4.7μF(或采用兩個2.2μF電容并聯),可采用貼片式陶瓷電容器,因為它不僅溫度穩定性好,而且等效串聯電阻(ESR)小,有較小的紋波電壓及更高的效率。額定電壓取10V。
·輸入電容器。輸入電容器可減小對電源的峰值電流及減少噪聲輸入。一般此電容的容量與輸出電容的容量相等,或者小于輸出電容。此電容器應盡量接近IN端(小于5mm)。
若輸入電容器不采用貼片式多層陶瓷電容器,則需要另加一個0.1μF陶瓷電容以濾掉高頻噪聲。
3、利用LDO改善白光LED的匹配度
白光LED在各種照明設備中的應用正在穩步增長,如手持產品中的閃光燈、顯示器背光光源等。與白熾燈相比,它們提供真正的白光,消耗更低的功耗;與熒光燈相比,它們更易于使用。批量使用時,白光LED的一致性較差,但利用低成本的線性穩壓器(LDO)可以改善其匹配度,即使在采用不同白光LED的情況下也可取得一定效果。
選用白光LED最明顯的問題是產品的匹配性差。按照白光LED的典型規格,電流20mA時正向電壓的最小值為3.0V,典型值為3.5V,最大值為 4.0V。顯然,穩壓源不是合理的解決方案。利用相同的電流驅動每只LED可以獲得均勻亮度,但成本很高。在許多應用中只是簡單地用一個固定偏置電壓和限流電阻驅動白光LED,如圖14所示。

圖14 用固定偏置電壓和限流電阻驅動LED的電路
按照圖14設計的電路通?梢缘玫较喈敽玫牧炼绕ヅ,但對于大批量生產的用戶,同一批次的產品具有相當一致的特征指標,但批次之間的一致性較差。這就需要對每一批的白光LED進行測試,為其配置限流電阻。如果存在多個白光LED供貨商,問題將更加嚴重。選用了三個廠商的LED(分別用A、B、C表示)按照圖14所示電路進行測試,測試參數見表1。標號為A的白光LED選自一級白光LED供貨商,標號為B的白光LED選自二級白光LED供貨商,標號為C的白光LED是從電子配套市場購買的廉價白光LED。從測試結果看,不同商標的白光LED一致性較差,比標準平均電流偏差3.27mA。

表1 不同廠商白光LED的測試結果(mA)
從表1中的平均值可以看出,不同廠商提供的白光LED的一致性較差,其中A廠商提供的白光LED的吸取電流最大(平均24.6mA),B廠商提供的白光 LED的吸取電流最。ㄆ骄鶠18.3mA)。不同廠商的白光LED的電流在采用相同的偏置電壓、相同的限流電阻時差別較大,均方根誤差為3.27mA。
單獨調節每只白光LED的電流或至少對其中一只白光LED的電流進行調節,可以提高不同廠商或同一廠商不同批次白光LED的一致性,但這需要相當昂貴的控制芯片。在對成本要求苛刻的產品中,可以利用低壓差線性穩壓器(LDO)改善白光LED的一致性,無需選擇阻值不同的限流電阻,具體電路如圖15所示。在圖15中,LDO工作在穩壓穩流模式下,根據一只白光LED的正向電壓的變化自動調節偏置電壓。

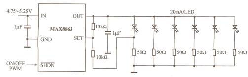
圖15 MAX8863的典型應用電路
圖15所示電路中增加了一個低成本的LDO,得到可自動調節的偏置電壓,有效地改善了不同批次、不同廠商生產的白光LED的匹配度。為考核圖15所示電路的性能,將上述A、B、C三種白光LED按照圖15所示電路進行了測試,測試結果如表2。從表2可以計算出,相同廠商白光LED電流的一致性略有下降,所得結果為0.77mA(圖14所得結果為0.54mA),但不同廠商的白光LED電流的一致性得到了較大改善,均方根誤差由3.27mA降低至 0.96mA。

表2 利用圖15所示電路測試三種不同廠商的白光LED的結果(mA)
圖15所示電路需選擇帶有外部電壓調節引腳的LDO,如MAX8863,其反饋門限電壓為1.25V(VSET)。選用SOT-23封裝的LDO可提高系統的性價比,因為多數SOT-23封裝的LDO帶有關斷控制功能,從而省去了圖14所示電路中控制白光LED通斷或進行PWM亮度調節的N溝道MOSFET管。另外,LDO還具有較寬的輸入電壓范圍,當與其他電路共用同一個5V電源時可以提供較高的電源抑制比(PSRR)。
圖16所示電路是對圖15所示電路的改進,適合便攜式產品的背光光源要求。MAX8863可以驅動8只白光LED,每只白光LED的電流為15mA。當白光LED的正向電壓較低或限流電阻的電流低于15mA時,所允許的輸入電壓更低,對不同廠商、不同批次的白光LED可提供較好的亮度匹配。

圖16 圖15所示電路的改進電路
4、利用工作在降壓模式的升壓變換器驅動白光LED
用于裝飾和建筑照明的低壓鹵素照明燈具正不斷得到普及,但是由于鹵素燈泡壽命相對較短、可靠性相對較低,大功率白光LED正在成為更好的選擇。圖17所示電路提供了一種驅動大功率白光LED的解決方案,即利用工作在“降壓”模式的標準升壓變換器驅動白光LED。這種解決方案的效率高達96%,與效率只有 85%的標準方案相比,它具有很多實際優點。

圖17 ZXSC310的典型應用電路
當MOSFET管(Q1)導通時,電流從輸入端流過白光LED、并聯濾波電容器(C2)、電感(L1)、Q1及檢測電阻(R1),電流值由檢測電阻值和ZXSC310檢測電壓的閾值(通常為19mV)所決定。
一旦電流達到所設定的相應峰值電流,MOSFET管就關斷并保持1.7ms。在這段時間內,儲存在電感內的電能通過肖特基二極管轉移到白光LED中,從而保持白光LED的亮度。
對輸入電壓和串聯白光LED的數量沒有限制。為得到更高的輸入電壓,必須適當地調整C1、R2、VD1、C2和Q1的值以適應電壓范圍。對于更大數目的白光LED,最小輸入電壓必須大于串聯白光LED的正向電壓降。
通過采用降壓模式的升壓變換器方案,可以用一個低端N溝道MOSFET管替代典型降壓變換器中常見的高端P溝道MOSFET管。N溝道MOSFET器件的固有導通損耗是尺寸相同的P溝道MOSFET器件的導通損耗的1/3。當然,在典型的降壓變換器電路中也可以使用N溝道MOSFET管,但需要額外的自舉電路對它進行驅動。低端開關也可以使峰值檢測電流以地為參考,這與高峰電流檢測相比,可提高精度并減小噪聲。
通過在間斷工作模式下采用升壓方法,控制回路可工作在電流模式,為變換器提供周期性控制。這使該變換器從根本上保持穩定,與電壓模式的降壓變換器相比,設計得以簡化。
上述方案的另外一個特點是,因為當電感處于充電狀態時電流流過白光LED,所以白光LED電流的峰值將減小,這樣在相同的白光LED亮度下可將峰值電流設置得更小,從而進一步改善效率、可靠性以及輸入噪聲性能。
