PoL變換器的數字控制
數字電源控制有時稱為傳統模擬控制電源的管理和監控,其定義與數字域中開關電源的反饋回路和PWM產生緊密相關。這也包括電源的監控和管理。
數字電源控制的好處是靈活性、易于板開發。數字電源控制允許設計人員在最后幾分鐘改變配置而不改變硬件。帶GUI(圖形用戶接口)的控制器可快速編程。
另外的好處是精度和長期穩定性良好。從精度振蕩器和電壓基準獲得開關頻率和誤差電壓。由于數字補償回路具有低容差,隨時間質量變化小的無源元件,所以,數字反饋回路帶寬可以擴展到接近理論限值,從而得到好的瞬態響應,降低對輸出電容器的要求。
PMBus
數字控制器具有一個PMBus接口,使數字控制器可以與主控制器共享信息。PMBus是電源變換器采用串行通信總線的通信標準。
盡早地告知失效,使得通信能增強系統靈活性和可靠性,例如,在系統失效前,通信告知增高的功率級溫度,并采用相應的措施。通信也使遠程(通過Internet)系統正常監控和參量更新成為可能。
模擬控制回路應在最壞條件下是穩定的。其負載瞬態響應必須滿足最壞條件下的要求。假若負載減小,使降壓變換器從連續模式工作變化到非連續模式工作,其傳遞函數也會變化。模擬控制回路必須滿足兩種模式工作的傳遞函數。盡管這會犧牲對每個模式的最佳補償。數字控制器可以對不同的工作模式,在補償參量不同設置和施加最佳補償之間即刻轉換。這改變了任何給定負載下的瞬態響應,并節省成本和輸出電容器的板占位空間。
數字電源控制器在單器件中實現通信、電源管理、風扇控制和時序功能。在一個器件中集成這些功能,能增強可靠性(由于較少的元件數)降低總系統成本。
片上或外部閃存可記錄系統狀態。采自誤差存儲器的信息,有助于系統設計人員檢測關鍵的系統狀態和實現變化。此信息也可確定失效原因。
像服務器、基站和媒體網關這類的應用,需要多個電源電壓來供電DSP、FPGA、微處理器和基他多電源電壓軌器件。通常,電源結構由中間總線變換器(IBC)構成,IBC使48V或24V輸入電壓變為3.3V~12V范圍的中間總線電壓。此總線電壓經PCB上的電源線分布。在PoL(負載點),如DSP,PoL變換器變換IBC電壓為所需的PoL電壓,如1.2V芯核、1.8V DDR存儲器和3.3V I/O電壓。
這樣的多軌電源電壓系統對輸出電壓精度(最新的高性能DSP要求±3%嚴格的輸出電壓調整,包括瞬變)和動態電壓定標(為了降低功耗,新式處理器采用依賴處理負載的動態電壓定標,這意味著電源電壓根據應用所需要的實際計算功率而變化)提出要求。
時序
時序條件需要遵從避免總線爭用。在設計期間,時序條件可以改變。DSP和其他處理器在電源上電達到穩定條件后有電源電壓復位性能。另外,昂貴的處理器應在過壓和欠壓條件下得到保護。處理器根據工作情況會引起快速負載電流變化。電源必須快速反應這些變化,以保持輸出電壓穩定。
某些處理板在電源電壓達到輸出電壓穩定窗口的上限和下限限值時進行測試,來確定系統可靠性和性能。除電壓和電流監控外,很多系統需要告知系統的其他關鍵參量,如溫度和負載電流。
圖1示出用數字控制器實現多軌PoL系統。數字控制的IBC分配其12V輸出到數字PoL單元。PoL單元由數字降壓控制器和智能MOSFET驅動器電路組成?刂破魍ㄟ^PMBus與主控制器通信來控制和監視整個系統。

用在圖1配置中的數字控制器,具有FPP(Fusion Power Peripheral),FPP是一個硬件單元,它可接通數字域的反饋回路。它由一個快速50ns ADC、一個帶可編程查表的數字PID調整器、一個高達175ps占空因數分辨率的高分辨率PWM和一個失效計數快速保護組成。通過PMBus可編程其調整值,并存儲在控制器的數據閃存中。UCD91XX控制器具有單個簡單的PID調整器(具有2個零點),UCD92XX控制器包含多達4個更復雜的調整器(每個調整器有3個零點和3個極點)。
UCD9125是一款全橋控制器,具有自適應空載時間?蛰d時間映射為輸出負載的函數來降低功耗。控制器通過UCD7201數字控制兼容的雙±4A MOS FET驅動器連接到功率級。
雙相PoL變換器(見圖1)是基于UCD9112基礎上。這種數字雙相同步降壓控制器支持高達2MHz開關頻率(每相),用GUI配置它。除數字接通控制回路外,它監控和管理電源工作條件,并通過PMBus報告狀態到主系統。它也包含可配置風扇控制器和電流平衡電路。
通過UCD7230同步降壓驅動器建立與功率級的連接。驅動器除4A輸出驅動能力外,還集成有電流限制、短路電流保護和欠壓鎖定保護。UCD7230也具有一個3.3V、10mA線性穩壓器,能為控制器提供供電電流。
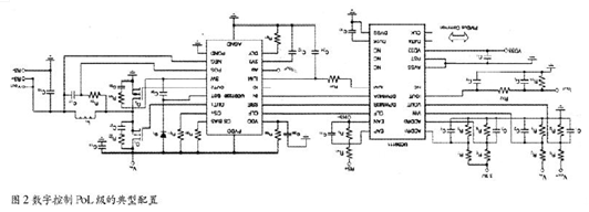
單相PoL變換器用UCD9111數字同步降壓控制器連接UCD7230數字兼容同步降壓驅動器。采用UCD9111和UCD7230的分立方案配置示于圖2。

UC49240是一款4輸出、多相電源系統控制器,它支持250ps PWM分辨率,而對于監控、控制和管理而言,它是可配置的。GUI配置允許設計人員智能管理電源電壓,電流閾值和響應,軟啟動,容限,時序,跟蹤,相理,回路響應和風扇控制。
對于電源控制、配置和管理,控制器支持高達100個PMBus接口命令。
UCD9240控制器的相管理使得電源在負載范圍內可高效率工作。相管理允許開或關電源相,這樣只需要供電負載的相成為可能。另外,控制器允許用戶對于工作條件有最佳的回路響應,并在負載范圍內滿足允許的瞬態響應。
可配置性
UCD9240與PowerTrain插入模塊一起工作,采用UCD9K或C2000控制器家族時,可提供可配置性。PTD08A010W和PTD08A020W10A和20A模塊集成有電感器、FETs和UCD7230驅動器(具有電流感測能力和集成的短路電路保護)。
Digital Power Developer是一個GUI,在電源設計階段(從功率級設計和調整開始)能指導用戶。為了加快開發時間,最佳功率須布局可采用Power Train插入模塊。第2個選擇是分離地設計功率級,采用模塊擬方案和工具,然后,功率級參量進入GUI來配置控制回路。
設計人員可輸入功率級所用輸出電容器、增益和調整零點位置。參量改變的結果會立即顯示在預示圖中。
Fusion Digital Power電源支持用輸出電感器的DC電阻(DCR)感測輸出電流。這可節省另外的串聯分路,并使整個系統的效率較高而成本較低?蓮摹瓹urrent Sense’表中計算合適DCR電流感測的電阻和電容值。而分路電阻器支持所需要的高精度電流限制。
為了配置電源,要設置過壓、欠壓和其它參量的不同閾值以及對事件的響應。也要設置開/關延遲和上升/下降時間。
