智能型電動機保護器在某石油化工行業的應用
徐霜
(安科瑞電氣股份有限公司,上海 嘉定 201801)
摘要:石油化工行業是連續型生產行業,電動機是石化行業的動力來源,其安全穩定運行對石化企業的平穩生產起著至關重要的作用,低壓電動機為石油化工生產中最常用的機組,數量多、種類復雜,為保證低壓機組的正常平穩運行,本文以安科瑞ARD2F電動機保護器在某石油化工行業的應用為例進行介紹,ARD2F保護控制器具有常規的過載、欠載及接地保護,還具有不平衡、起動超時及外部故障等保護[1],比較適合作為石油化工電動機的起動和運行保護,根據對ARD2F電動機保護器的實驗摸索和理論研究,在功能、工程應用等方面做出了較為詳細的敘述,為該保護裝置應用提供了一定的實踐經驗。
1、引言
現代石油工業中,電動機作為一種拖動機械,成為所有動力機械基礎,科學技術不斷進步和工藝控制不斷完善,尤其是自動化生產要求,迫切需要開發和完善電動機控制和保護設備,實現對生產過程和大型機械遙控、遙測、遙調、故障診斷以及集中控制等功能。
同時,石油化工行業具有大通量、滿負荷連續運轉特點,對電機設備可靠性和穩定性要求極高,一旦發生事故,必須馬上查找故障原因并及時消除,以保證及時恢復生產,對于過去一直采用熱繼電器作為電動機過載保護和控制元件,受到元件質量和工藝限制,已無法滿足日益發展石油工業自動化要求,而新型的智能電動機保護器,能夠滿足對電動機的保護控制要求,作為電動機保護元件,電動機保護器有效保障了電機安全運行、取代了熱繼電器,利用先進通訊技術,實現了電機控制自動化,并取了顯著經濟效益[2],本文主要對安科瑞ARD2F保護器的功能及其在某石油化工行業的應用進行具體介紹。
2、石油化工對保護器功能要求
石油化工行業電機是大容量、高負荷連續運轉的設備,因而對其可靠性、穩定性及功能要求極高,某石油化工運行電機對ARD2F保護器具體功能要求為:
(1)過載保護功能
電動機在過負載情況下,長時間超過其額定電流運行時,會導致電動機過熱,絕緣降低而燒毀,保護器根據電動機的發熱特性,計算電動機的熱容量,模擬電動機發熱特性對電動機進行保護,當保護器監測到電動機過載運行了,保護器應在報警或脫扣(延時)設定時間內發出報警或脫扣信號。
(2) 堵轉保護功能
電動機在起動過程中,如果由于負荷過大或自身機械原因,造成電動機軸被卡住,而未及時解除故障,將造成電機過熱,絕緣降低而燒毀電機,堵轉保護適用于電動機起動發生此類故障時進行保護。
(3) 三相不平衡保護功能
斷相/不平衡故障運行時對電動機的危害很大,當電動機發生斷相或三相電流嚴重不平衡時,如不平衡率達到保護設定值時,保護器按照設定的要求保護,發出停車或報警,確保電動機的安全運行。
三相不平衡率計算公式為:|I-Iav|/IX,Iav為三相電流平均值,當Iav小于Ie時,分母IX =Ie;當Iav大于Ie時,分母IX =Iav。
(4) 故障判斷及記錄功能
石油化工生產現場電動機運行過程中,需要電動機保護器對電動機進行檢測,判斷電動機正常、過載、短路、斷相、過壓、欠壓、過熱等工況并作相應處理,當電動機出現某種故障時,保護器切斷電動機電源并處于保護狀態,保存故障類型、時間及電機運行參數,電機保護器通過識別與記憶電路對故障予以設別、記憶和指示,以便于維修,只有故障排除后,復位保護器,故障指示燈消失,保證電動機能夠再次啟動。
(5) 抗晃電功能
在石油化工生產過程中,主電路欠電壓故障或失壓停車,若在“立即重起動時間”內電壓恢復至允許重起動設定正常值以上時,保護器可使現場電動機立即恢復至電動機停車前的運行狀態,不經過起動延時、降壓等過程,若超過“立即重起動失壓時間”,而在“延時重起動延時時間”設定時間內,電壓恢復至欠電壓(失壓)重起動設定值以上,現場電機按“延時重起動延時時間”延時起動,與正常起動的過程相同,延時時間允許誤差為±10%,若超過“延時重起動延時時間”后電壓恢復,則電動機不再自動重起動,恢復電壓值誤差不大于±10%,采用具有抗晃電保護功能的保護器,能夠確保電動機的平穩運行,并減少系統投資,在石化行業使用具有實際意義。
(6) 在線監測功能
控制室操作人員可通過保護器的通訊,在后臺人機界面上完成所有石油化工現場電動機保護器各種保護整定參數讀取、修改和整定,同時,在線監測電機運行負載和供電電源質量,為及早發現過載和接故障等,創造了條件,后臺人機界面強大的信息管理功能,可有效記錄各臺電機型號、運行方式、和歷史維護記錄,為保證工藝系統安全生產、減少事故停車,提供了可靠依據。
安科瑞ARD2F電動機保護器能對電動機運行過程中出現的起動超時、過載、堵轉、斷相、不平衡、欠載、接地/漏電、阻塞、過壓、欠壓、繞組超溫等多種情況進行保護,能夠實現運行時間、次數統計等功能,對電機的運行電流、電壓、運行時間、起動次數、報警和故障信息等進行監視,設有SOE故障事件記錄功能,方便現場維護人員查找故障原因,并通過LCD中文液晶顯示屏、狀態指示燈等各種方式,將電機的運行狀態清晰、直觀地顯示出來,該保護器具有RS485遠程通訊接口,DC4~20mA模擬量輸出,方便與PLC、PC等控制機組成網絡系統,實現實現在人機界面對電動機監視,滿足石油化工行業對電動機保護器的需求。
3、典型工程應用案例
在石化行業工程應用中,由于石化裝置電機較多,因此需要選用電動機保護裝置來對電機保護,既能使電動機充分發揮過載能力,又能免于損壞,而且還能提高電力拖動系統的可靠性和生產的連續性,具體的應用選擇應綜合考慮電機的本身的價值、負載類型、使用環境、電機主體設備的重要程度等因素,力爭做到經濟合理,在能滿足保護要求的情況下首先考慮最簡單保護裝置,當簡單的保護裝置不能滿足要求時,或對保護功能和特性提出更高要求時,才考慮應用復雜的保護裝置,做到經濟性和可靠性的統一,下面以安科瑞ARD2F智能型電動機保護器在石油化工行業配電間改造及抗晃電控制回路應用為例進行具體分析、介紹[3]。
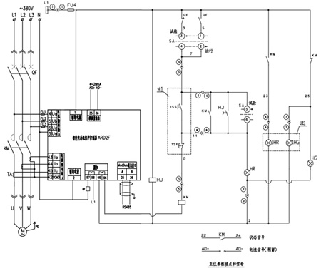
圖4是ARD2F保護器在某石油化工總廠改造項目中的典型電氣原理圖,圖中電動機保護器95、96是綜合保護器過負荷、斷相及電流不平衡、堵轉保護的輸出斷開觸點,97、98是斷路器分勵脫扣觸點,通過轉換開關SA實現試驗、運行控制方式的切換,電動機正常運行時,接觸器KM線圈得電,KM常開觸點閉合,常閉觸點斷開,電動機運行指示燈亮,當電動機發生過負荷、斷相、電流不平衡或者堵轉故障時,保護器95、96觸點斷開,接觸器線圈斷電,KM常開觸點斷開,常閉觸點閉合,停止指示燈亮,對整個石化系統改造中電動機出現故障情況及時進行保護,電動機處于試驗狀態時情況與此一致。

圖4 ARD2F在某石油化工行業的應用
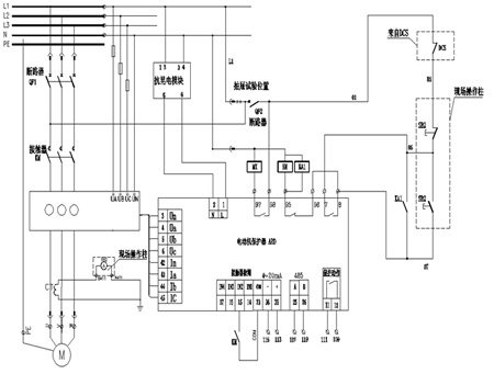
圖5中ARD2F應用于某石油化工總廠配電間改造的典型電氣原理圖,圖中電動機的起動、停車由外部按鈕實現,接觸器KM的線圈串聯在脫扣繼電器常閉觸點95、96中,當電動機正常工作時,閉合QA,按下起動按鈕SF,KM線圈得電,KM常開觸點閉合,電動機開始工作,按下停止按鈕SS時,KM線圈失電,KM主觸點斷開,電動機停止工作,如果電動機發生脫扣故障,保護器脫扣觸點也會斷開,導致KM線圈失電,電動機停止,對出現故障作出及時處理。

圖5 ARD2F在某石化配電間改造項目應用
- 1
- 2
- 總2頁
http:www.x5a5.com/news/55224.htm

