醫用隔離電源在昆明第一附屬醫院中的設計與應用
陸曉君
安科瑞電氣股份有限公司 上海 201800
0前言
醫用IT供電系統也稱為醫用不接地供電系統,或醫用隔離電源。IT方式供電系統的“I”表示電源側沒有工作接地,或經過高阻抗接地。“T”表示負載側電氣設備進行接地保護。醫院的供配電方式與其他民用建筑有較大區別,因為在醫院的特殊環境里漏電流對病人構成了潛在的危險。尤其在手術室、監護室等特殊場所,因病人在麻醉狀態下失去或降低防衛能力,各種電極、傳感器或者管道直接插入病人體內,如果有10μA的電流直接流過病人心臟,就會造成人體觸電死亡,醫學上稱之為“微電擊”。由于這種潛在危險,很多國家和國際標準都對醫療領域,尤其是那些生命攸關的場所,如重癥監護室、心臟監護室、麻醉室、手術室、手術準備室、手術恢復室、心臟導管插入室、血管造影監察室、早產兒監護室等場所的配電需要做出了特殊的規定和要求。
根據國際電工協會(IEC)有關規定,醫用隔離電源供電系統需要包括:絕緣監視儀、隔離變壓器、變壓器負載和溫度監視設備、外接報警顯示設備等。因此,許多國際與國家標準認定,使用醫用隔離電源供電系統是醫療場所供電安全可靠的關鍵。
醫用隔離電源供電系統在供電距離不是很長時,供電的可靠性高、安全性好。一般用于不允許停電或對供電連續性有嚴格要求的醫療2類場所。
1.醫用隔離電源供電系統構成
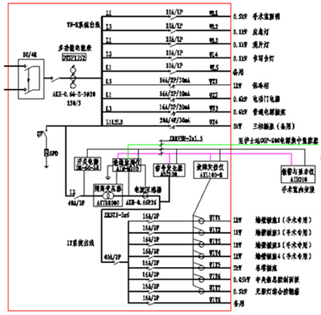
1.1隔離變壓器
隔離電源通過隔離變壓器為醫院重要場所提供隔離后的安全電,變壓比為1:1。這種變壓器的初級線圈匝數等于次級線圈匝數,同時初級線圈和次級線圈之間高度絕緣,并設置靜電屏蔽屏,最大程度地減少了兩繞組之間的電磁干擾。
1.2 絕緣監測儀
絕緣監測儀用于監測IT系統對地的絕緣狀態,當系統出現絕緣故障時,能夠及時發出報警信號,提醒工作人員根據實際情況進行處理。同時還能對變壓器負荷電流、變壓器繞組溫度進行監測,保證隔離變壓器的可靠、正常運行。
1.3 集中報警與顯示儀
能夠實時顯示醫療絕緣監測儀當前絕緣電阻、變壓器負荷率等監測數據,并在系統出現故障時發出聲光報警信號,并可通過報警與顯示儀遠程設置絕緣監測儀的報警閾值。該裝置主要安裝于手術室或重癥監護室內的信息控制面板上,以便于醫護人員了解隔離電源系統的運行狀況,以及系統出現故障時的故障類型。
1.4 絕緣故障定位
絕緣故障定位由故障定位儀及測試信號發生器兩部分設置完成,主要采用高靈敏度的互感器配合高精度的信號檢測電路,檢測測試信號發生器注入系統中的信號,準確定位絕緣故障所在的回路,方便工作人員維護與檢修。
2 .醫用隔離電源使用的必要性
1).有效保障醫療設備的正常運行。
2).防止其他供電回路中的漏電流通過接地線竄入手術室、ICU、CCU等特殊場所的醫療設備上對病人的安全構成危險。
3).醫用隔離電源減少了各種醫療設備可能出現的對地故障。一旦隔離電源上所接的各種醫療設備出現對地故障,因其對地不能構成回路,所以只能產生一個很小的容性漏電流,極大地保護了病人免遭漏電流的傷害。
4).醫療設備發生絕緣故障時,因電源中性點不接地,當負載端出現第一點對地絕緣故障時,因其對地不能構成回路,只會產生一個很小的漏電流,不會導致保護裝置(如空開)動作切斷供電,手術室不會發生突然停電事故,從而相對的保證了手術室供電的連續性。
5).醫用隔離電源降低了對地漏電流,故提高了防火安全性。
6).醫院在對醫療設備故障檢修維修時,經常需要在通電狀態下接觸電路中的元器件或電路中的地線,使用醫用隔離電源可以防止醫院設備維修人員觸電的危險。
3. 建議接入隔離電源系統電網的用電設備
醫療場所建議接入隔離電源系統電網的用電設備包括:高頻電刀及其他高頻外科設備、除顫儀、呼吸機、麻醉機、恒溫培養箱、透析設備、監護儀、輸液泵、注射泵、心肺機、體外循環機等。
4 醫用隔離電源供電系統配置方案
昆明醫學院第一附屬醫院所屬云南省昆明,于1993年被國家衛生部首批評定為“三級甲等大型綜合醫院”,該醫院設有12個重點專科。該醫院于2013年11月在安科瑞電氣訂購了25套5件套產品。
4.1 手術室配置方案

4.2 ICU/CCU病房配置方案

4.3 隔離電源監控系統配置清單

- 1
- 2
- 總2頁
http:www.x5a5.com/news/55250.htm

