淺談消防設備電源監控系統
徐霜
安科瑞電氣股份有限公司 上海 嘉定 201801
摘要:根據GB25506-2010《消防控制室通用技術要求》中對消防設備電源的要求,介紹了設置消防設備電源監控系統的必要性,并對消防電源監控系統作了詳細的介紹。指出消防設備電源監控系統是從滅火為主轉換為預防為主指定的新措施,作為一種預報警系統,可提前對消防設備電源故障進行報警,實時監控消防設備電源的運行狀態,以保證消防設備處于完好的運行狀態。
0 引言
火災自動報警和自動滅火系統已成為建筑物的重要組成部分。一直以來,消防設備供電電源系統運行和維護由物業管理公司的設備維護人員管理,其是否正常很大程度取決于維護管理機制及維護人員的責任心,無法保證消防設備供電電源正常工作和消防設備有效運行。近年來,由設備電源故障而導致在發生火災事故時消防設備不能正常運行,致使火災蔓延釀成重大人員傷亡及財產損失的事件屢有發生。特別是在供電緊張、電力設備長期處于環境不佳的狀態下,消防設備電源故障的問題顯得尤為突出。
為了實現對消防設備電源的實時管理,消除人工維護出現的疏忽等問題,需加強消防控制室管理及對其中最重要的消防設備供電電源通過技術措施實時監測管理。GB25506-2010《消防控制室通用技術要求》對消防控制室做出明確額強制性規定,消防控制室應能顯示系統內各消防用電設備的供電電源和備用電源的工作狀態和欠壓報警信息。通過設置消防設備電源監控系統,實現對消防設備供電電源實時監測管理,確保建筑消防設備運行狀態完好,提高建筑消防安全管理水平,及時排除消防設備電源故障,達到預防和減少建筑內火災危害。
GB28184-2011《消防電源監控系統》規定,消防電源監控系統用于監控消防設備電源的工作狀態,在電源發生過壓、欠壓、過流、缺相等故障時能發出警報,并強制規定了消防電源監控系統的基本功能、試驗和檢驗規則等內容。
1 消防設備電源監控系統概述
消防設備電源監控系統能準確地監控消防設備電源的故障和異常狀態,全方位監測電壓、電流、斷路器發生過壓、欠壓、過流、缺相等故障,避免火災發生時消防設備不能正常使用而導致產生火災不能被有效地控制和蔓延的現象,確保火災發生時消防設備有效運行。
消防電源監控系統具有可靠性、實時性特點,并具有數字化、智能化、網絡化、自動化和實時監控的功能,實時監控設備電源的狀況并集中顯示,解決消防設備由于電源故障而發生的無法正常運行的問題,最大限度地保障消防聯動系統的可靠性。
AFPM100消防設備電源監控系統如圖1所示。

圖1 AFPM100消防設備電源監控系統
AFPM100消防設備電源監控系統由監控后臺、監控器、電壓傳感器、電流傳感器和傳輸纜線等組成。其中監控后臺最多可管理10臺監控器,每臺監控器可監控128監控模塊;每一個監控模塊的電源由監控器直接供電,系統主機與監控器采用RS485通訊時距離為1000米,超過1000米采用光纖通訊。
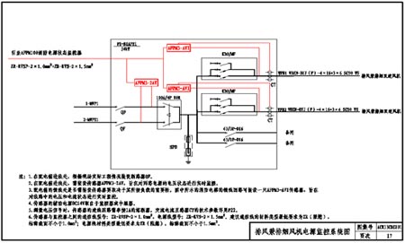
消防設備電源監控系統如圖2所示。

圖2 消防設備電源監控系統
2 AFPM100監控器
監控主機采用集中式、模塊化設計,對所監測的消防設備電源的運行信息、故障信息、位置信息等參數進行跟蹤采集、存儲、分析,方便用戶進行管理和監控;通過液晶顯示界面,將消防設備電源的數據匯總顯示,具有管理、查看、報警、打印等多項功能。監控器的回路數可配接128個監控模塊。
3 AFPM-ZJQ消防設備電源監控中繼器
AFPM-ZJQ消防設備電源監控中繼器(以下簡稱中繼器)適用于監控器(主機)和現場傳感器(監控模塊)通訊距離較遠的系統。中繼器不但可以增加系統的通訊距離,而且可以為連接的現場傳感器(監控模塊)供電,解決由于距離遠而產生的通訊信號和電源輸出的衰減。中繼器通過通訊總線將連接的現場模塊及中繼器的電源信息傳送到監控器(主機)。
4 消防設備電源監控傳感器
4.1傳感器選型
表1 傳感器選型一覽表

4.2傳感器介紹
4.2.1 單相電源監控模塊

圖3 單相電源監控模塊
- 1
- 2
- 總2頁
http:www.x5a5.com/news/55764.htm



