簡述消防設備電源監控系統在建筑體系中的設計
徐霜
安科瑞電氣股份有限公司 上海 嘉定 201801
摘要 本文介紹了安科瑞AFPM系列消防設備電源監控系統監控系統的設計及其應用。通過監控消防設備電源的工作狀態,提前發現可能出現的消防設備問題,為消防設備的配電安全提供可靠的保障,能在火災情況下為人員疏散和營救起到積極作用。
0 引言
建(構)筑物的消防安全很大程度上取決于消防設備,而消防設備能否正常工作又取決于供電電源的工作狀態。消防設備電源有異常或不工作,一旦發生火災,將導致消防水泵、防火卷簾門、排煙風機、消防電梯等設施不能發揮作用,火場撲救和人員疏散無法進行,造成嚴重后果。
消防設備電源監控系統監控系統是依據GB28184-2011《消防設備電源監控系統》設計的,該系統能夠反映被監控設備電源的狀況,從而有效避免火災發生時消防設備由于其供電電源故障而無法正常工作的危急情況,最大限度地保障消防聯動系統的可靠性。
1 系統軟件設計
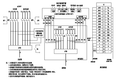
消防設備電源監控系統系統組成如圖1所示。消防設備電源監控系統監控系統采用集中式、模塊化設計,以消防設備電源的監測為核心,通過消防設備電源監控系統監控設備、單/三相(電壓/電流)交/直流監控模塊傳感器,以RS485總線通信技術采集數據為手段,將建筑物內受檢測的消防設備電源運行信息、故障信息、位置參數等進行跟蹤采集、存儲、分析,方便用戶進行管理和監控,并通過人機交互界面,將消防設備電源的數據匯總顯示,具有管理、查看、報警、打印等多項功能。
(1)電源故障的建立。電源故障主要有主電故障和備電故障兩種類型。當主電斷電或電壓不足時,監控設備發出故障信號,主電故障指示燈亮,液晶屏上顯示故障類型及時間。值班人員應檢查主電供電電路及控制裝置內部主電熔斷器是否熔斷,當主電恢復正常后,監控設備自動復位。當備電電池有電壓不足、電池連接線斷線、電池短路等故障時,備電故障指示燈亮,液晶屏上顯示故障類型及時間。值班人員應檢查備電電壓和備電熔斷器以及備電回路是否有斷線,故障解除后監控設備自動復位。
(2)故障報警的建立。當單/三相(電流/電壓)傳感器的通信線、傳感器或傳感器監測的消防電源發生故障時,監控器發出被監測回路的故障信號,點亮故障指示燈,發出故障報警信號,同時在液晶屏上顯示故障總數、故障時間、故障部位及故障類型,并按照設置決定是否打印故障信息,所有故障部位可查詢,當故障解除后故障報警可自動解除。

圖1 消防設備電源監控系統系統組成
(3)聯動輸出的建立。監控主機帶4組聯動繼電器,每個聯動繼電器的控制均可手動、自動實現聯動繼電器的動作和不動作。可以通過消防設備電源監控系統監控設備輸入/輸出傳感器來拓展輸出接口。
(4)事件記錄功能的建立。消防設備電源監控系統監控系統可記錄最近發生的10000條故障報警事件,事件記錄包括事件發生時間、類型等信息,用戶可以通過液晶屏進行及案件查詢。
消防設備電源監控系統監控系統根據電源需求的多樣性,消防供電又分為直流電源、單相交流電源、三相三線交流電源、三相四線交流電源。因此,消防設備電源監控系統監控系統應具有能夠檢測以上電源類型的單/三相(電流/電壓)交/直流監控模塊傳感器,并通過總線通信的方式,將檢測到的信息傳遞到消防控制室,以便控制室工作人員統一監測并管理。這樣,就構成了一個完整的消防設備電源監控系統。
2 監控設備及產品
2.1 消防設備電源監控系統監控設備
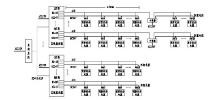
消防設備電源監控系統監控系統結構,小型建筑可采用監控主機系統,如圖2所示;

圖2中小型監控系統網絡拓撲結構圖
大型建筑或建筑群可采用集中監控主機加多個區域監控主機系統,如圖3所示。

圖3 大型監控系統網絡拓撲結構圖
消防設備電源監控系統監控設備采用實時對單/三相電源監控模塊,采用對相仿設備電源進行實時的監控,通過檢測消防設備電源的電壓、電流、開光狀態等有關設備電源信息,從而判斷電源設備是否有斷路、短路、過壓、缺相、錯相以及過流(過載)等故障信息,并報警、記錄監控系統。系統具有數字化。智能化、網絡化、自動化和連續監控特性,實時反映被監控設備電源的狀況,并集中顯示,從而可以有效避免在火災發生時消防設備由于電源故障而無法正常工作的危急情況,最大限度地保障消防聯動系統的可靠性。
2.2 工作原理及構成
控系統主要工作原理:消防設備電源工作狀態信號由傳感器采集,并進入ADC采集模塊,將采集好的數據在中央處理單元進行計算處理,完畢后通過RS485上傳至AFPM100監控主機。監控系統對采集的信息進行分析、計算,與系統設置數據進行比較,從而判斷出消防電源是否存在斷路短路、過壓欠壓、缺相錯相及過載等故障狀態,中央處理單元通過按鍵面板和液晶屏進行人機交互,并進行報警、顯示和存儲。
監控系統主要由電源部分、主機部分、人機交互部分和通訊部分組成。
電源部分主要采用開關電源為中心,由主供電電路和備電電路組成。開關電源將220V交流電轉換為24V直流電,并給主機電路、電池及傳感器提供24V電源。主電工作時對備電進行充電,當電池充滿時,自動轉換為浮充狀態,抵消電池的自放電,保證電池供電時的容量。同時,開關電源給主機線路板提供電源,并通過線路板轉換,給傳感器、顯示板及打印機供電。主芯片自行檢測主備電的工作狀態,如主電欠壓、備電斷路、備電短路、備電欠壓等。
主機部分由單片機、程序存儲器、數據存儲器、接口電路組成。主機采用STM32F系列單片機為核心MCU,人機交互部分主要由MCU芯片完成。監控主機中的電壓、電流、開關量、AD 轉換、運算、校準均由MCU完成。芯片在電源電壓為2.7V~3.6V之間均可正常工作,更好的保證了主機運行的可靠性。主機液晶屏顯示及按鍵面板操作通過MCU實現一系列的交互功能。
通訊接口電路由RS485專用通訊接口芯片實現,與傳感器通過RS485總線進行信息交互,監控主機實時對傳感器按地址進行巡檢接收信號。通訊部分通過MCU的SCI端口傳遞儀表信息,通過光耦隔離信號,利用專用RS485芯片將傳遞出來的數字信息轉換為差分信號傳播的485通信信號,通訊協議為MODBUS規約。
2.3 單/三相(電流/電壓)交/直流監控模塊傳感器
單/三相(電流/電壓)交/直流監控模塊傳感器可實時監測單相或三相電量,具有過壓、欠壓、過流等報警功能;提供一路或兩路開關量輸入功能,可監測開關狀態;提供一路繼電器輸出,可連接報警控制回路;具有事件存儲功能,報警器能夠記錄報警發生事件的時間、類型、參數,根據報警記錄可以分析現場情況,為消除故障提供依據;采用現場總通信技術,上位機管理軟件可以時刻監控現場的運行情況,及時發現報警信息。
RS485總線的從站專用通信接口芯片具有可供電、無極性,兩線制通信機制,標準通信協議可以與各種標準系統相連;具有集成度高,網絡化、智能化程度高、動作特性合理等優點;同時把故障信息上傳給消防設備電源監控系統,以便信息的集中顯示。該監控模塊具有數字化、智能化、網絡化、自動化和連續監控的特性。
2.4 系統監測、保護和信息上傳等多種功能于一體實現
單/三相(電流/電壓)交/直流監控模塊傳感器實時監測單相或三相電量,具有過壓、欠壓、過流等報警功能;通過實時監測的運行數據和消防電源設備的運行狀態,實現消防電源設備故障的預報警功能;并通過RS485總線通信上傳到監控主機,監控主機可以判斷電源電壓的狀態,包括過壓、欠壓、中斷供電等電源狀態,主機分析處理后指示電源故障類型,并發出聲光報警信號。上位機管理軟件可以時刻監控現場的運行情況,及時發現報警信息,并準確記錄報警發生的時間、參數、類型,根據報警記錄可以分析現場情況,為消除電源設備故障提供依據。
- 1
- 2
- 總2頁
http:www.x5a5.com/news/56278.htm


