摘要:本文介紹了英威騰變頻器在PVC薄膜收卷機上的應用,通過實際運行,達到了設備的設計指標,整機運行平穩。
1 引言
河北某公司是全球最大的PVC膠帶生產商,產品質量一流,廣泛應用到各行各業,尤其是汽車行業。30年來公司一直視產品質量為生命,不斷改進和提高產品質量。PVC膠帶的主要原料膠水和PVC膜均為自己公司生產。PVC薄膜的卷取是薄膜制造中的關鍵工藝,它的好壞直接影響到薄膜的質量,而且對下一步的膠帶涂布影響巨大。多年來公司一直使用直流電機控制收卷,由于直流電機維護困難,直流控制器價格昂貴,而且收卷張力控制系統復雜,近幾年故障頻發。為此,在今年的設備改造中選擇了其中一臺進行了變頻改造。基于之前對英威騰變頻器Goodrive300的信任,所以我選擇了英威騰的張力控制專用變頻器。
2工藝要求
PVC 薄膜經過壓延冷卻后進入收卷機,收卷機通過張力檢知器實時檢測薄膜的張力并調整變頻器的轉速或轉矩,使收卷軸整齊,張力穩定。

收卷機結構

成品PVC薄膜
3自動化平臺選型
之前系統使用PLC控制直流控制器,系統比較復雜,維護成本較高。我專門對目前國內的張力控制變頻器進行了了解,認為使用張力控制專用變頻器完全可以實現控制要求。經過幾家的比較,我選擇了英威騰張力控制變頻器Goodrive35-07。首先Goodrive35-07變頻器的主要客戶對象就包括塑膠行業,在功能算法中有張力控制專用模塊。以實現面向中心卷取、放卷等工藝場合的張力控制功能。使用Goodrive35-07張力控制專用變頻器不僅可以完全替代力矩電機、直流電機、張力控制器等而獨立的構成張力控制系統,而且相對于傳統的張力控制器加變頻器控制方案,也可使系統更簡潔,降低成本、易于維護并且獲得更為穩定的控制效果。
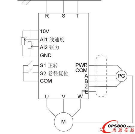
4 系統設計和參數設置
按照英威騰的說明書指導,本系統使用開環張力控制就可以達到較好的控制效果,而且節約成本。由于是設備改造,系統之前就有張力控制器,所以我選擇了張力閉環速度控制,使用說明書上的默認參數就達到了較好效果。




5 結束語
英威騰變頻器在PVC薄膜收卷機的改造中,運行穩定,張力控制良好,達到了預期的設計效果,而且該系統簡單可靠,成本低廉,為以后的卷取應用提供了很好的技術積累。
參考文獻:
[1]英威騰Goodrive300變頻器產品說明書
[2]英威騰Goodrive35-07變頻器產品說明書<
http:www.x5a5.com/news/59480.htm
