為RS-232/485 的高頻瞬態干擾提供的解決方案(圖)
2005/10/28 15:49:06
廣州金升陽科技有限公司 供稿
摘要:傳統的電路應用中經常會受到干擾及浪涌,從而引起電路不能正常工作,造成系統或設備的工作不穩定性、傳輸數據出現誤差,甚至出現故障等。MORNSUN 公司提供了一種的安全可靠的電源解決方案,B0505LM-1W 系列產品隔離1000VDC ,能很好地保證,在其狀態下不受干擾,正常工作,提高系統及設備的穩定性和可靠性。
關鍵字:瞬態干擾可靠性
RS-232/485 是工控行業中應用比較廣泛的一種串行接口。RS-232/485 被定義為一種在低速率串行通訊中增加通訊距離的單端標準。但是,在實際的電路應用中經常會受到干擾及浪涌的影響,引起這種干擾的原因非常多,要解決干擾的問題,須先找出引起干擾的原因,再針對問題進行解決。一般采用增加隔離變壓器的方法來解決干擾的問題。這種方法主要是針對來自電源的傳導干擾,可以將絕大部分的傳導干擾阻隔在隔離變壓器之前,同時還兼有電源電壓變換的作用。MORNSUN 公司特針對該種情況,為廣大客戶設計了一種方案,來專門解決這種干擾給電路所造成的危害。
本設計實例介紹一種防護串行接口免受高頻瞬態干擾損壞的方法,這種技術正在被廣泛地應用在相應的領域中,起到對接口電路及后級電路的安全隔離、保護的作用。
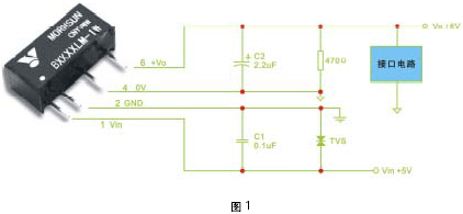
但是在很多情況下,單單只使用隔離變換器還不能達到隔離保護的作用。實際上,只要電路輸入端有浪涌脈沖發生的可能,或者輸入端的電源不穩定(如汽車電瓶等),電路中還是會存在高頻瞬態干擾的,這將會對電路造成很大損壞。一般在切換大功率感性負載,如電機、變壓器、繼電器等或閃電過程等,都會產生幅度很高的瞬態干擾,如果不加以適當防護就會損壞RS-422 或RS-485 通信接口,甚至損壞后級電路。對于這種瞬態干擾可以采用隔離或旁路的方法加以防護。最常用及最有效的辦法是在隔離變換器的輸入端接上一TVS 管或穩壓管(低壓降),見圖1。另外,對TVS 管的耐壓、嵌位電壓等等各參數的選擇也要適當,否則將起不到保護的保護的作用(太高)或影響電路的工作(太低)。
MORNSUN 新出品的B0505LM-1W 系列產品可以更好地應用在此方案中,這款隔離1000VDC 的超小型、高可靠性的DC/DC 轉換器,其輸入電壓為5V,輸出電壓為5V,功率為1W,圖1 為該產品的一種典型應用電路。由于實現輸入與輸出之間1000VDC 的隔離,且輸出短路時間可持續1s,從而能很好的抵御高頻瞬態突波的干擾。

MORNSUN 通過對其工藝的改進,使產品的可靠性能更加優越。同時在供應商選擇、來料的質量控制方面由品質工程師嚴格管控。內部灌封材料采用美國樹脂,熱膨脹系數與內部基板及外殼達到很好的配合,以提高產品的可靠性,為產品的品質提供保障。
B0505LM-1W 能在-40~+85℃溫度范圍內正常工作。MTBF 由現有產品的100 萬小時,提高到350 萬小時以上。產品在抗振動和沖擊性能方面滿足IEC61373 標準,適用于工業振動和沖擊場合。同時已實現無鉛生產制程,滿足RoHS 的各項指令。
B0505LM-1W 產品的體積為:16.5*5.9*7.5MM。這款高可靠性的DC/DC 轉換器比上一代產品長度縮短1/7,體積縮小了40%。該產品以體積小,重量輕,抗倒扶能力強,更好地滿足了適用領域內對體積、重量、便攜性等方面更嚴格的要求。此產品適用于小電流隔離和DC 電壓變換,如智能儀器儀表、工控控制電路、總線、電力監控系統等領域。
關鍵字:瞬態干擾可靠性
RS-232/485 是工控行業中應用比較廣泛的一種串行接口。RS-232/485 被定義為一種在低速率串行通訊中增加通訊距離的單端標準。但是,在實際的電路應用中經常會受到干擾及浪涌的影響,引起這種干擾的原因非常多,要解決干擾的問題,須先找出引起干擾的原因,再針對問題進行解決。一般采用增加隔離變壓器的方法來解決干擾的問題。這種方法主要是針對來自電源的傳導干擾,可以將絕大部分的傳導干擾阻隔在隔離變壓器之前,同時還兼有電源電壓變換的作用。MORNSUN 公司特針對該種情況,為廣大客戶設計了一種方案,來專門解決這種干擾給電路所造成的危害。
本設計實例介紹一種防護串行接口免受高頻瞬態干擾損壞的方法,這種技術正在被廣泛地應用在相應的領域中,起到對接口電路及后級電路的安全隔離、保護的作用。
但是在很多情況下,單單只使用隔離變換器還不能達到隔離保護的作用。實際上,只要電路輸入端有浪涌脈沖發生的可能,或者輸入端的電源不穩定(如汽車電瓶等),電路中還是會存在高頻瞬態干擾的,這將會對電路造成很大損壞。一般在切換大功率感性負載,如電機、變壓器、繼電器等或閃電過程等,都會產生幅度很高的瞬態干擾,如果不加以適當防護就會損壞RS-422 或RS-485 通信接口,甚至損壞后級電路。對于這種瞬態干擾可以采用隔離或旁路的方法加以防護。最常用及最有效的辦法是在隔離變換器的輸入端接上一TVS 管或穩壓管(低壓降),見圖1。另外,對TVS 管的耐壓、嵌位電壓等等各參數的選擇也要適當,否則將起不到保護的保護的作用(太高)或影響電路的工作(太低)。
MORNSUN 新出品的B0505LM-1W 系列產品可以更好地應用在此方案中,這款隔離1000VDC 的超小型、高可靠性的DC/DC 轉換器,其輸入電壓為5V,輸出電壓為5V,功率為1W,圖1 為該產品的一種典型應用電路。由于實現輸入與輸出之間1000VDC 的隔離,且輸出短路時間可持續1s,從而能很好的抵御高頻瞬態突波的干擾。

MORNSUN 通過對其工藝的改進,使產品的可靠性能更加優越。同時在供應商選擇、來料的質量控制方面由品質工程師嚴格管控。內部灌封材料采用美國樹脂,熱膨脹系數與內部基板及外殼達到很好的配合,以提高產品的可靠性,為產品的品質提供保障。
B0505LM-1W 能在-40~+85℃溫度范圍內正常工作。MTBF 由現有產品的100 萬小時,提高到350 萬小時以上。產品在抗振動和沖擊性能方面滿足IEC61373 標準,適用于工業振動和沖擊場合。同時已實現無鉛生產制程,滿足RoHS 的各項指令。
B0505LM-1W 產品的體積為:16.5*5.9*7.5MM。這款高可靠性的DC/DC 轉換器比上一代產品長度縮短1/7,體積縮小了40%。該產品以體積小,重量輕,抗倒扶能力強,更好地滿足了適用領域內對體積、重量、便攜性等方面更嚴格的要求。此產品適用于小電流隔離和DC 電壓變換,如智能儀器儀表、工控控制電路、總線、電力監控系統等領域。
免責聲明:本文僅代表作者個人觀點,與電源在線網無關。其原創性以及文中陳述文字和內容未經本站證實,對本文以及其中全部或者部分內容、文字的真實性、完整性、及時性本站不作任何保證或承諾,請讀者僅作參考,并請自行核實相關內容。
本文鏈接:為RS-232/485 的高頻
http:www.x5a5.com/news/2005-10/2005102815496.html
http:www.x5a5.com/news/2005-10/2005102815496.html
