模塊電源在工控行業中的應用(圖)
2005/12/17 15:17:40
廣州金升陽科技有限公司 供稿
隨著我國電子工業的不斷發展,各個行業對各種工業級產品的質量、技術等要求也都在不斷地提高,要實現產品在質量、性能等方面的提升等方面,就要對產品進行技術創新,因此技術創新成為了企業發展的首要問題。在工業控制行業,一般多采用24V總線電源,其電壓變化范圍較大,若在距離較遠的情況下可能達到30%的變化甚至更高,如果在產品中沒有采取一些安全措施及保護電路而直接將電量引入控制芯片做為產品的前級電源,會因電路中的電壓波動和干擾會對系統造成很大的影響。究其關鍵,首先是要從產品的供電部分(即電源)做起,如采用傳統的線性電源做為產品的內部電源,無論是從體積、輸出電壓精度,還是轉換效率,都遠不能滿足高可靠性、高穩定性,提倡節能降耗,安全第一的新世紀主題。
鑒于此種情況,我們對現有電源產品進行深入研究,發現其主要問題是:產品尺寸大、啟動電流大、低壓失控、輸出精度低等問題。針對這一系列問題,MORNSUN公司不斷努力,對模塊電源從電路設計、制造工藝,到檢測等項目進行全線創新,現推出了1W、3W、5W、10W等不同功率的寬電壓模塊電源,其輸入電壓有5(4.5~9)VDC、12(9~18)VDC、24(18~36)VDC、48(36~72)VDC四種,輸入電壓變化范圍達2:1,轉換效率高達85-89%,并且滿足工業級-40~~+85℃的工作條件下滿負載長期工作,可抑制電磁干擾和消除接地環路,保護系統電路免受外部網絡影響,同時可以降低功耗,簡化電路。其具體應用如圖1所示,

圖1 DC/DC在一般電路中的應用
MORNSUN模塊電源產品應用于工控系統的優勢在于在電路設計方面,采用軟啟動技術,實現啟動電流僅為1~1.3倍于工作電流。同時我們通過優化電路設計,解決了當輸入電壓變得很低時,輸出電壓遠遠低于正常輸出電壓值的問題。當輸入電壓很低時,輸出電壓仍保持基本正常的電壓值。另外,為滿足一些對EMI要求較高的應用領域,MORNSUN公司還開發了采用金屬屏蔽封裝的寬電壓輸入系列模塊電源。在工藝方面,產品采用了先進的微點焊技術,解決了產品的斷絲、漏焊等問題,部分產品實現無鉛工藝,滿足國際RoHS指令要求,引領環保新概念。在品質方面,由資深品質工程師管控來料及產品整個生產流程,同時考慮到模塊電源對系統設備的影響程度較大,我們對產品進行老化測試,以避免模塊電源在使用中發生故障,保障產品達到恒定的可靠性(平均無故障時間均>350萬小時)。
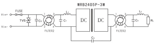
在工控行業中,考慮到其工作環境有可能在戶外或是高電壓高磁場等環境,有可能存在脈沖浪涌或遭遇突如其來的雷擊等情況,單單采用模塊電源進行隔離保護,會略顯不足。為了更好地保護DC/DC電源模塊及后級電路,現以MORNSUN公司的寬電壓產品WRB2405P-3W(Vin:18-36V, Vout:5V/3W,隔離1000VDC)為例,提出以下防護方案以供參考:
方案一 共模干擾
電路中的一些共模干擾,我們可以考慮在模塊的輸入端采用共模扼流圈FILTER2進行抑制(MORNSUN公司有此配套產品),如圖2所示。

圖2 DC/DC在對微波噪聲要求較高場合中的應用
采用共模扼圈可以很大程度上抑制共模信號的干擾,一方面可防止前級電源對模塊電源的干擾,另一方面又可隔斷模塊電源由于自身產生的噪聲對前級電路的影響。另外,對于較高要求的場合可在輸入輸出端加上濾波網絡LC,如圖2:可有效地對模塊的噪聲紋波進行抑制。但是要注意的是對其濾波電路參數的選擇一定要適當,特別是輸出電容值C2一定要避免過大,以防止模塊啟動不良或損壞(寬電壓模塊一般建議采用100uF、定電壓一般建議不超過10uF);對于L1/L2建議選用幾十uH,要注意避免太大,以防止引起振蕩,同時還要考慮不要與模塊產生諧振。
方案二 高電壓脈沖沖擊
輸入端有時還存在有高電壓脈沖沖擊的可能,以及對干擾較強或EMC要求較嚴格的電路,應考慮在輸入端加上自恢復FUSE及TVS管進行一級防護,使得有效地將過高的脈沖干擾電壓鉗制在模塊可承受值范圍之內,并在輸出端也增加共模扼流圈FILTER2或安規電容。如圖3示:

圖3 DC/DC在對抗干擾要求較高場合中的應用
但要注意的是,對于TVS管的選擇一定要根據不同場合來選擇相應功率和電壓值,這樣才能有效的防止由于瞬間強烈干擾所造成的影響。如TVS管選擇的電壓值過低將會影響模塊的正常工作,電壓值選得過高,又將會對電源模塊及后級電路起不到安全保護的作用。另外,對于有長期脈沖沖擊時,還要考慮持久過壓過流鉗制電路保護。安規電容C3值建議選用47-100pF,耐壓值的選擇應≥隔離電壓值(1000、3000、6000VDC)。
鑒于此種情況,我們對現有電源產品進行深入研究,發現其主要問題是:產品尺寸大、啟動電流大、低壓失控、輸出精度低等問題。針對這一系列問題,MORNSUN公司不斷努力,對模塊電源從電路設計、制造工藝,到檢測等項目進行全線創新,現推出了1W、3W、5W、10W等不同功率的寬電壓模塊電源,其輸入電壓有5(4.5~9)VDC、12(9~18)VDC、24(18~36)VDC、48(36~72)VDC四種,輸入電壓變化范圍達2:1,轉換效率高達85-89%,并且滿足工業級-40~~+85℃的工作條件下滿負載長期工作,可抑制電磁干擾和消除接地環路,保護系統電路免受外部網絡影響,同時可以降低功耗,簡化電路。其具體應用如圖1所示,

MORNSUN模塊電源產品應用于工控系統的優勢在于在電路設計方面,采用軟啟動技術,實現啟動電流僅為1~1.3倍于工作電流。同時我們通過優化電路設計,解決了當輸入電壓變得很低時,輸出電壓遠遠低于正常輸出電壓值的問題。當輸入電壓很低時,輸出電壓仍保持基本正常的電壓值。另外,為滿足一些對EMI要求較高的應用領域,MORNSUN公司還開發了采用金屬屏蔽封裝的寬電壓輸入系列模塊電源。在工藝方面,產品采用了先進的微點焊技術,解決了產品的斷絲、漏焊等問題,部分產品實現無鉛工藝,滿足國際RoHS指令要求,引領環保新概念。在品質方面,由資深品質工程師管控來料及產品整個生產流程,同時考慮到模塊電源對系統設備的影響程度較大,我們對產品進行老化測試,以避免模塊電源在使用中發生故障,保障產品達到恒定的可靠性(平均無故障時間均>350萬小時)。
在工控行業中,考慮到其工作環境有可能在戶外或是高電壓高磁場等環境,有可能存在脈沖浪涌或遭遇突如其來的雷擊等情況,單單采用模塊電源進行隔離保護,會略顯不足。為了更好地保護DC/DC電源模塊及后級電路,現以MORNSUN公司的寬電壓產品WRB2405P-3W(Vin:18-36V, Vout:5V/3W,隔離1000VDC)為例,提出以下防護方案以供參考:
方案一 共模干擾
電路中的一些共模干擾,我們可以考慮在模塊的輸入端采用共模扼流圈FILTER2進行抑制(MORNSUN公司有此配套產品),如圖2所示。

采用共模扼圈可以很大程度上抑制共模信號的干擾,一方面可防止前級電源對模塊電源的干擾,另一方面又可隔斷模塊電源由于自身產生的噪聲對前級電路的影響。另外,對于較高要求的場合可在輸入輸出端加上濾波網絡LC,如圖2:可有效地對模塊的噪聲紋波進行抑制。但是要注意的是對其濾波電路參數的選擇一定要適當,特別是輸出電容值C2一定要避免過大,以防止模塊啟動不良或損壞(寬電壓模塊一般建議采用100uF、定電壓一般建議不超過10uF);對于L1/L2建議選用幾十uH,要注意避免太大,以防止引起振蕩,同時還要考慮不要與模塊產生諧振。
方案二 高電壓脈沖沖擊
輸入端有時還存在有高電壓脈沖沖擊的可能,以及對干擾較強或EMC要求較嚴格的電路,應考慮在輸入端加上自恢復FUSE及TVS管進行一級防護,使得有效地將過高的脈沖干擾電壓鉗制在模塊可承受值范圍之內,并在輸出端也增加共模扼流圈FILTER2或安規電容。如圖3示:

但要注意的是,對于TVS管的選擇一定要根據不同場合來選擇相應功率和電壓值,這樣才能有效的防止由于瞬間強烈干擾所造成的影響。如TVS管選擇的電壓值過低將會影響模塊的正常工作,電壓值選得過高,又將會對電源模塊及后級電路起不到安全保護的作用。另外,對于有長期脈沖沖擊時,還要考慮持久過壓過流鉗制電路保護。安規電容C3值建議選用47-100pF,耐壓值的選擇應≥隔離電壓值(1000、3000、6000VDC)。
免責聲明:本文僅代表作者個人觀點,與電源在線網無關。其原創性以及文中陳述文字和內容未經本站證實,對本文以及其中全部或者部分內容、文字的真實性、完整性、及時性本站不作任何保證或承諾,請讀者僅作參考,并請自行核實相關內容。
本文鏈接:模塊電源在工控行業中的應用(圖)
http:www.x5a5.com/news/2005-12/20051217151740.html
http:www.x5a5.com/news/2005-12/20051217151740.html
