支持HART協議的兩線制回路供電信號調理模塊
2014/6/16 14:31:52
廣州金升陽科技有限公司 供稿
產品特點:
● 輸出回路供電
● 支持HART協議通信
● 高精度等級(0.1% F.S.)
● 高隔離(輸入、輸出兩端2KVAC/1mA)
● 小體積:SIP9封裝(26*9.5*12.5mm)
● 低溫漂:50PPM/℃
● 工作溫度范圍:-40℃~85℃
● 高ESD防護等級(裸機 ±4KV)

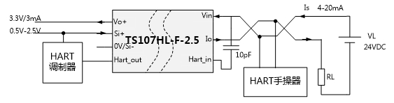
金升陽推出一款支持HART通信協議的兩線制回路供電信號調理模塊:TS107HL-F-2.5。
該模塊在解決電流信號隔離對供電電源依賴的同時,可以精準地完成4~20mA標準信號的隔離傳送,可以跟各種儀表的模擬量輸入端口實現完美匹配。除此之外,TS107HL-F-2.5通過將HART信號耦合到模擬信號中,幫助用戶實現控制室設備與現場智能儀表之間的通信傳輸控制。

圖1 兩線制儀表接口隔離設計
兩條傳輸線節約了現場與控制室的布線成本;高集成的設計簡化了客戶端應用;PIN9的小體積減少了產品的占板面積,為客戶帶來更多的設計空間。支持HART協議的兩線制回路供電信號調理模塊TS107HL-F-2.5可以應用于各類智能儀表中。
來源地址:http://www.mornsun.cn/news/NewDetail.aspx?id=226<
免責聲明:本文僅代表作者個人觀點,與電源在線網無關。其原創性以及文中陳述文字和內容未經本站證實,對本文以及其中全部或者部分內容、文字的真實性、完整性、及時性本站不作任何保證或承諾,請讀者僅作參考,并請自行核實相關內容。
本文鏈接:支持HART協議的兩線制回路供電信號調
http:www.x5a5.com/news/2014-6/2014616143022.html
http:www.x5a5.com/news/2014-6/2014616143022.html
文章標簽: 金升陽/智能儀表/電源
