DC/DC應用中常見的問題與分析(圖)
2006/2/10 9:17:16
廣州金升陽科技有限公司 供稿
目前隨著我國電子工業的不斷發展,開關電源的應用也越來越受到該產產品應用領域中技術人員的重視,產品包括AC/DC,DC/DC及DC/AC等,其中多以PWM模式為主。在實際使用中常會碰到一些技術性問題,如干擾、電壓不穩、可靠性較差等。以下以應用在一般通訊接口、儀器儀表上的小功率DC/DC為例探討一下在實際應用中DC/DC常遇到的問題與解決方法。
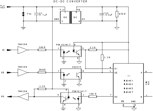
一、DC/DC電源模塊在RS485接口電路的應用(DC/DC電源模塊:隔離1000VDC, In:5V, Out:5V, P:1W),其電路如下圖:


RS485采用DC/DC電源模塊與光耦隔離,可以抑制電磁干擾和消除接地環路,保護系統電路免受外部網絡影響,DC/DC輸出端給光耦及MAX485芯片供電,其電流很小(6-8MA/光耦,MAX485電流僅為20MA左右),故此會使到DC/DC常工作在較輕負載情況下,特別是在光耦截止時,DC/DC電源模塊僅給MAX485供電,可能會致使輸出電壓偏高,紋波較大,嚴重時還可能會影響MAX485的性能,并且DC/DC的可靠性也會降低。故此在選用DC/DC模塊時應重點考慮DC/DC電源供電的額定功率、負載的最小功率及其輸出電壓穩定性。因為現在市面上普通的隔離型DC/DC電源模塊為了工作的可靠性其產品本身都有一最輕負載的要求,(目前較多的最小負載要求為≥15-20%額定功率,MORNSU公司的B0505LM-1W可做到≥5%即可,特殊產品可空載使用)在選擇電源模塊時應盡可能使到負載工作在模塊額定功率的40-70%左右為佳,在此負載條件下其輸出電壓穩定度較好。
在很多情況下廠家一般都建議客戶選用標準型號1W的產品,在這在情況可能會造成負載過輕導致輸出電壓偏高,甚至高出正常電壓很多,嚴重時會影響電路的正常工作與元器件的性能,故此以下提供一些建議:
1、如果負載較輕或可能空載的情況下,最好在DC/DC電源模塊的輸出端接一假負載,為額定功率的5-10%左右,如1W的產品可接一470歐姆的電阻,如上圖;
2、如果對于要求較低功耗的產品,可以選用MORNSUN公司功率較小的DC/DC電源模塊,如B0505LS-W5或B0505LS-W25等,可以避免空載功耗增大的同時又提高了電壓穩定度;
3、如果對傳輸速度較高(>9.6K),且要求電路穩定性較好的產品,建議選用輸出電壓穩定度較高、紋波噪聲較低的產品,如MORNSUN公司的IB0505LS-W75(隔離1000VDC,穩壓輸出),此產品由于紋波極低且電壓精度較高可以滿足傳輸速度較高時對紋波、電壓精度的要求。
以下提供一些應用在RS485/232等接口電路中的DC/DC電源模塊的型號參考:

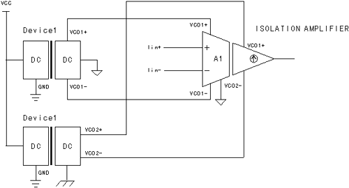
二、對于在放大器中DC/DC電源供電的討論,其電路如下圖:

此電路采用DC/DC電源模塊給隔離型放大器供電,考慮放大器是以電壓或電流做為介質,故對其電源隔離、輸出電壓精度、紋波噪聲要求會較高,如果采用普通的電源做為放大器的供電部分會由于其紋波噪聲較大、電壓精度不高給放大器造成影響或干擾,故在考慮選擇放大器時其電源部分也是不容忽視的一點。故此,對于要求較高精度的放大器推薦選用MORNSU公司的IA_KS-1W/2W系列的產品,如IA0512KS-1W/2W,由于其具有極低的紋波噪聲及高精度輸出電壓被廣泛應用在各種運放電路、A/D、D/A轉換器上的電源供電部分。并且能在工作環境惡劣的情況下滿載使用。
以下提供一些應用在放大器、A/D、D/A等模擬電路中的DC/DC電源模塊的型號參考:

一、DC/DC電源模塊在RS485接口電路的應用(DC/DC電源模塊:隔離1000VDC, In:5V, Out:5V, P:1W),其電路如下圖:


RS485采用DC/DC電源模塊與光耦隔離,可以抑制電磁干擾和消除接地環路,保護系統電路免受外部網絡影響,DC/DC輸出端給光耦及MAX485芯片供電,其電流很小(6-8MA/光耦,MAX485電流僅為20MA左右),故此會使到DC/DC常工作在較輕負載情況下,特別是在光耦截止時,DC/DC電源模塊僅給MAX485供電,可能會致使輸出電壓偏高,紋波較大,嚴重時還可能會影響MAX485的性能,并且DC/DC的可靠性也會降低。故此在選用DC/DC模塊時應重點考慮DC/DC電源供電的額定功率、負載的最小功率及其輸出電壓穩定性。因為現在市面上普通的隔離型DC/DC電源模塊為了工作的可靠性其產品本身都有一最輕負載的要求,(目前較多的最小負載要求為≥15-20%額定功率,MORNSU公司的B0505LM-1W可做到≥5%即可,特殊產品可空載使用)在選擇電源模塊時應盡可能使到負載工作在模塊額定功率的40-70%左右為佳,在此負載條件下其輸出電壓穩定度較好。
在很多情況下廠家一般都建議客戶選用標準型號1W的產品,在這在情況可能會造成負載過輕導致輸出電壓偏高,甚至高出正常電壓很多,嚴重時會影響電路的正常工作與元器件的性能,故此以下提供一些建議:
1、如果負載較輕或可能空載的情況下,最好在DC/DC電源模塊的輸出端接一假負載,為額定功率的5-10%左右,如1W的產品可接一470歐姆的電阻,如上圖;
2、如果對于要求較低功耗的產品,可以選用MORNSUN公司功率較小的DC/DC電源模塊,如B0505LS-W5或B0505LS-W25等,可以避免空載功耗增大的同時又提高了電壓穩定度;
3、如果對傳輸速度較高(>9.6K),且要求電路穩定性較好的產品,建議選用輸出電壓穩定度較高、紋波噪聲較低的產品,如MORNSUN公司的IB0505LS-W75(隔離1000VDC,穩壓輸出),此產品由于紋波極低且電壓精度較高可以滿足傳輸速度較高時對紋波、電壓精度的要求。
以下提供一些應用在RS485/232等接口電路中的DC/DC電源模塊的型號參考:

二、對于在放大器中DC/DC電源供電的討論,其電路如下圖:

此電路采用DC/DC電源模塊給隔離型放大器供電,考慮放大器是以電壓或電流做為介質,故對其電源隔離、輸出電壓精度、紋波噪聲要求會較高,如果采用普通的電源做為放大器的供電部分會由于其紋波噪聲較大、電壓精度不高給放大器造成影響或干擾,故在考慮選擇放大器時其電源部分也是不容忽視的一點。故此,對于要求較高精度的放大器推薦選用MORNSU公司的IA_KS-1W/2W系列的產品,如IA0512KS-1W/2W,由于其具有極低的紋波噪聲及高精度輸出電壓被廣泛應用在各種運放電路、A/D、D/A轉換器上的電源供電部分。并且能在工作環境惡劣的情況下滿載使用。
以下提供一些應用在放大器、A/D、D/A等模擬電路中的DC/DC電源模塊的型號參考:

免責聲明:本文僅代表作者個人觀點,與電源在線網無關。其原創性以及文中陳述文字和內容未經本站證實,對本文以及其中全部或者部分內容、文字的真實性、完整性、及時性本站不作任何保證或承諾,請讀者僅作參考,并請自行核實相關內容。
本文鏈接:DC/DC應用中常見的問題與分析(圖)
http:www.x5a5.com/news/2006-2/200621091716.html
http:www.x5a5.com/news/2006-2/200621091716.html
