消防設備電源監控系統設計及應用簡析
吳恩遠 劉菁 裴善勇 宗壽松
吳恩遠(山東省建筑設計研究院,濟南市 250001)
劉菁(江陰市科博建筑設計院有限公司,江蘇省江陰市 214400)
裴善勇(安科瑞電氣股份有限公司,上海市 201801)
宗壽松(江蘇安科瑞電器制造有限公司,江蘇省江陰市 214405)
摘 要:介紹消防設備電源監控系統的基本原理、組成、功能及特點,消防設備電源狀態監控器及消防設備電源傳感器的設計與安裝,及其在實際應用中的一些注意事項。
0 引言
隨著我國城市建設的不斷加快,大量的高層建筑及大型公共建筑拔地而起。為了保證建筑物的消防安全,設置了大量的消防設備,如:消火栓系統、自動噴水滅火系統、泡沫滅火系統、防排煙系統、防火門和卷簾門系統、消防電梯、消防應急照明和疏散指示系統等。當火災發生時,能否及時滅火、快速疏散人群、隔離火災區域,很大程度上取決于這些消防設備能否正常運行。因此,公安部消防部門高度關注如何用技防手段實現對消防設備供電電源的實時監測。在2011年7月1日開始執行的強制性國家標準GB 25506-2010《消防控制室通用技術要求》中5.3.14條提出:“消防控制室應能顯示消防用電設備的供電電源和備用電源的工作狀態和欠壓報警信息。”從而在國家標準層面上規定了消控室中需裝設消防設備電源監控系統,作為消防系統中的一種預警系統。而另一個關于該系統的產品標準GB 28184-2011《消防設備電源監控系統》也應運而生,使得消防設備電源監控系統有了相應的產品檢測依據。
1 消防設備電源監控系統介紹
消防設備電源監控系統作為一種預警報警系統,主要檢測消防設備電源的相關電氣參數,在電源發生過壓、欠壓、過流、缺相、錯相等故障及異常時,相關電氣參數不在設定值要求范圍內時應能發出報警信號,并在系統中指示出具體報警部位,記錄并保存報警信息,以便及早維護,保證消防設備的供電可靠性,避免火災發生時因消防設備不能正常使用而導致火災災情不能有效控制,減少火災損失。
AFPM100型消防設備電源監控系統由安科瑞電氣股份有限公司自主研發和生產,主要由消防設備電源狀態監控器及傳感器組成。該監控系統是由安科瑞電氣股份有限公司依據GB 25506-2010《消防控制室通用技術要求》及GB 28184-2011《消防設備電源監控系統》的標準要求,結合多年電氣產品的設計經驗研發設計。此監控系統具有可靠性、實時性,并具有數字化、智能化、網絡化、自動化和連續監控的特性,實時反映出被監控設備電源的狀況,并集中顯示,從而有效避免火災發生時消防設備由于電源故障而無法正常工作的危急情況,最大限度地保障消防聯動系統的可靠性。
1.1基本原理
AFPM100型消防設備電源監控系統能夠對消防設備的電源進行實時的監控,通過檢測消防設備電源的電壓、電流、開關狀態等相關信息,從而判斷消防設備電源是否有斷路、短路、過壓、欠壓、缺相、錯相以及過流(過負荷)等故障信息并報警、記錄。該監控系統具有RS485通信接口,與現場的電壓/電流傳感器進行數據交換;采用Modbus-RTU通訊協議,可與其它標準系統相連接;通過友好的人機交互界面,實時反映出被監控設備電源的狀況,并集中顯示。
1.2基本組成
《消防設備電源監控系統》中給出了消防設備電源監控系統相關的定義及基本組成。AFPM100型消防設備監控系統由消防設備電源狀態監控器、電壓傳感器、電流傳感器、電壓/電流傳感器等部分或全部設備組成。其中消防設備電源為交流或直流電源,包括主電源和備用電源。
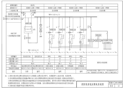
國家建筑標準設計圖集10CX504《消防設備電源監控系統》中,根據工程項目的大小不同,給出了適用于各類不同的系統解決方案,以達到更優、更好的目標。一般分為兩類:小型消防設備電源監控系統(如圖1所示);大型消防設備電源監控系統(如圖2所示)。

圖1 小型消防設備電源監控系統拓撲圖 圖2 大型消防設備電源監控系統拓撲圖
1.3基本功能及特點
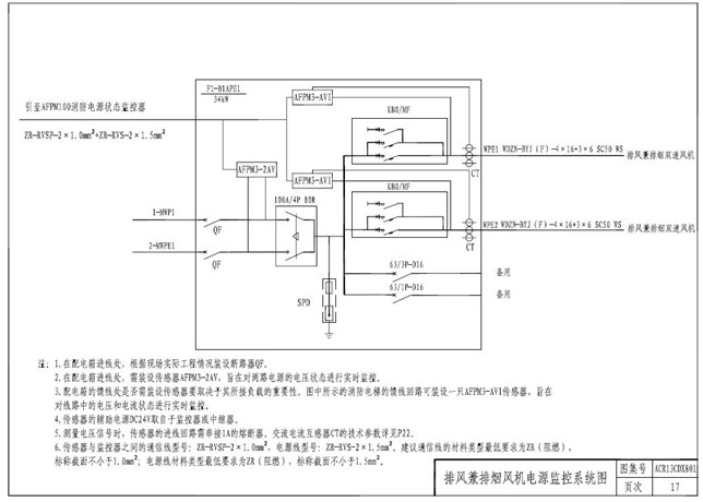
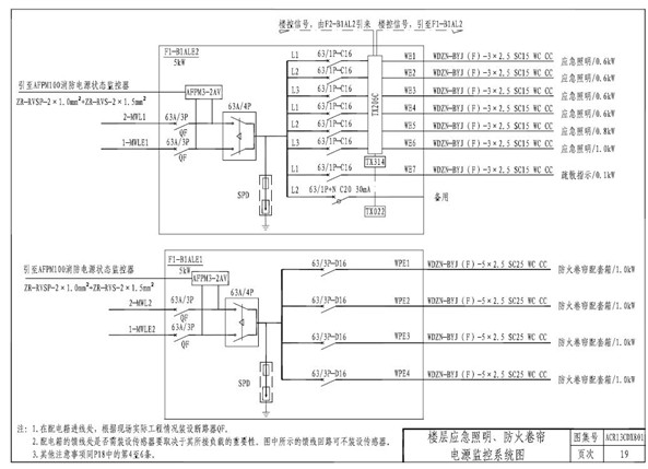
傳感器用于在現場對各種消防設備的電源及設備運行狀態實時監測并進行信息采集,同時具有事件存儲功能,報警器能夠記錄報警發生的時間、類型、參數,根據報警記錄可以分析現場情況,為消除故障提供依據;另外,傳感器采用現場總線通信技術,上位機管理軟件。可以時刻監控現場的運行情況,及時發現報警信息。通過RS485接口、標準Modbus協議可以與各種標準系統相連,具有集成度高、網絡化和智能化程度高、動作特性合理等優點。實際應用中可通過選擇功能不同的傳感器實現對不同消防設備電源的監控要求。主要將傳感器分為3大類:AFPM1表示單相電源傳感器,用于監測電源的交流/直流電壓、電流;AFPM3表示三相電源傳感器,用于監測三相電源的電壓、電流;AFPM5為開入開出傳感器,可監測開關狀態,并可以連接報警控制回路。模塊采用標準模塊化設計,導軌安裝,方便現場使用。采用高性能單片機嵌入數據采集和通信程序,以實現可靠的數據采集和傳輸。中繼器適用于監控器和現場傳感器距離較遠的系統。
中繼器不但可以增加系統的通信距離,而且可以為連接的現場傳感器供電,解決由于距離遠而產生的通信信號和電源輸出的衰減。中繼器通過通信總線將連接的現場模塊及中繼器的電源信息傳送到監控器。監控器集中顯示消防設備電源的運行信息、故障信息和位置信息等參數,并在發現消防設備電源故障時能有提示性的聲光報警信號。
2 消防設備監控系統的設計及安裝
《消防控制室通用技術要求》中3.1條指出:“消防控制室內設置的消防設備應包括火災報警控制器、消防聯動控制器、消防控制室圖形顯示裝置、消防電話總機、消防應急廣播控制裝置、消防應急照明和疏散指示系統控制裝置、消防電源監控器等設備,或具有相應功能的組合設備。”
標準中明確提出控制室內應安裝消防電源監控器。
2.1 消防設備電源狀態監控器的設計及安裝
消防設備電源狀態監控器(即系統主機)應裝設在消防控制室內,在無消防控制室的場所,監控器應設置在有人值班的場所。對于大型建筑或建筑群宜采用分散與集中相結合的控制方式,即在各消防控制室或有人值班場所設置監控器,將各消防設備電源狀態及報警信息傳回至控制中心的中央監控器,統一管理、監控和顯示信息。
監控器并沒有具體的規范指出其安裝設置要求,但作為消防類的監控系統,可以參照GB 50116-2013《火災自動報警系統設計規范》中對火災報警控制器的有關要求。
2.2 消防設備電源傳感器的設計及安裝
目前在國家標準中并未明確指出傳感器的裝設位置,《消防控制室通用技術要求》僅簡單地提到需監控各消防用電設備的供電電源和備用電源的工作狀態和故障報警信息。整個系統的設計程度在很大程度上掌握在設計人員的手中。
以《山西省消防設備電源監控系統技術規程》為例,宜設置在下述部位:建筑內為消防設備供電的主電源和消防電源的配電柜輸出端;消防電氣控制裝置(包括水泵控制器、風機控制器等)的雙路電源輸入端與輸出端;各防火分區內的消防設備電源裝置(給各消防設備供電的直流電源)的輸出端;為消防設備供電配電箱的輸出端;消防設備應急電源的輸入端與輸出端;應急照明配電箱的輸出端;集中電源型消防應急燈具專用應急電源的輸入端與輸出端;多路主電源供電的設備應監控其各主供電回路輸入端。就目前大多數項目來看,如果對所有消防配電箱的出線回路都進行監測,整個項目的造價及成本都將非常高。所以在傳感器設置位置上應有重點的考慮,針對不同的消防用電設備設計安裝不同類型的傳感器。
- 1
- 2
- 總2頁
http:www.x5a5.com/news/2014-11/20141125171736.html



