漏電火災報警系統的設計與應用探討
徐霜
安科瑞電氣股份有限公司 上海 嘉定 201801
摘要:近年來,隨著電氣火災起數的不斷上升,漏電火災報警系統已經逐漸成為建筑消防電氣設計中必須考慮的一個重要組成部分。本文概述了漏電火災報警系統設計和工作原理,并結合有關標準和工程設計實際,針對漏電火災報警系統在設計中存在的問題進行了討論,分析了漏電火災報警系統的應用特點,提出來改善現狀的對策,指出了該系統的發展前景。
0.引言
有關數據表明,2010年我國全社會用電量達到41923億kwh,同比增長14.56%;城市居民生活用電量5125億kwh,同比增長12.02%。隨著社會用電量大幅增長,電氣引發的火災事故隨之劇增。漏電不僅威脅人生安全、造成財產損失,同時也是導致各類建筑物發生火災的主要隱患。近年我國發生的重特大火災事故中,死亡人數較多的吉林省遼源市中心醫院特大火災、汕頭華南賓館特大火災、吉林商業大廈重大火災、沈陽鐵西萬達廣場售樓處火災,均為電氣火災。據公安部統計,2005年1~9月,全國100836起重大火災中,因違反電氣安裝使用規定造成的火災30512起,占同期火災總數的30.3%,電氣火災發生率居各類火災之首。為了遏制電氣火災事故,有關部門非常重視,相繼制定、修改了相關國家標準和規范,強調了漏電火災報警系統在防止因接地故障而引起的電氣火災的防護作用,要求在建筑物中設置漏電火災報警系統。隨著國家標準和規范的逐步完善,漏電火災報警系統的設置越來越廣泛。
1、漏電火災報警系統的設計依據
1.1設置漏電火災報警系統的相關規范條文
1)《高層民用建筑設計防火規范》 GB50045-1995 (2005年修訂)
9.5 漏電火災報警系統
9.5.1 高層建筑內火災危險性大、人員密集等場所宜設置漏電火災報警系統。
9.5.2 漏電火災報警系統通常應具有下列功能:
9.5.2.1 探測漏電電流、過電流等信號,發出聲光信號報警,準確報出故障線路地址,監視故障點的變化。
9.5.2.2 儲存各種故障和操作試驗信號,信號存儲時間應不少于12 個月。
9.5.2.3 切斷漏電線路上的電源,并顯示其狀態。
9.5.2.4 顯示系統電源狀態。
2)《建筑設計防火規范》 GB50016—2006
3)《火災自動報警系統設計規范》GB50116-2013
9.1.6 電氣火災監控系統的設置不應影響供電系統的正常工作,不宜自動切斷供電電源。
9.2.1 剩余電流式電氣火災監控探測器應以設置在低壓配電系統首端為基本原則,宜設置在第一級配電柜(箱)的出線端。在供電線路泄漏電流大于500mA 時,宜在其下一級配電柜(箱)設置。
9.2.2 剩余電流式電氣火災監控探測器不宜設置在IT 系統的配電線路和消防配電線路中。
9.2.3 選擇剩余電流式電氣火災監控探測器時,應考慮供電系統自然漏流的影響,并選擇參數合適的探測器;探測器報警值宜在300mA~500mA 范圍內。
4)《電氣火災監控系統設計、安裝及驗收規范》(地標)
各類建筑的行業標準,如:
1)《民用建筑電氣設計防火規范》 JGJ16—2008
2)《住宅建筑電氣設計規范》JGJ242-2011
3)《交通建筑電氣設計規范》JGJ243-2011
4)《金融建筑電氣設計規范》JGJ284-2012
5)《教育建筑電氣設計規范》JGJ310-2013
6)《醫療建筑電氣設計規范》JGJ312-2013
其他地方設計防火規范
1.2 漏電火災報警系統的定義
按《剩余電流動作保護裝置的安裝與運行》(GB13955-2005)中定義,“剩余電流動作電氣火災監控系統”即為用監測剩余電流的互感器、剩余電流探測器、報警器或監控器構成的電氣火災實時監測并實施報警或切斷電源額裝置。
漏電火災報警系統是一種基于計算機技術的數字化監控網絡系統,其負責監控終端電氣故障,實現遠傳遠控和報警顯示功能。漏電火災報警系統本身是一個聯網的整體裝置,是一個完整系統,應滿足《電氣火災監控系統》(GB14287-2005)的要求,而不是以往分散設置的單個漏電流報警器或傳統漏電開關。
2.漏電火災報警系統的設計
2.1 系統工作原理
在漏電火災報警系統的設計中,首先要掌握漏電火災報警系統的工作原理。一般系統采用二總線制得通訊方式,把主控機和若干個漏電探測器、控制模塊及總線隔離器連接起來,對各被保護的統一線路和電器的漏電情況通過主控機平臺進行集中監控和管理,詳見圖1.根據國標《電氣火災監控系統》(GB14287-2005)及《剩余電流動作保護裝置的安裝與運行》(GB13955-2005)的要求,系統采用二級保護。

2.2系統應具有的功能
(1)探測漏電電流、過電流等信號。
(2)發出聲光信號報警,準確報出故障線路地址,監視故障點的變化。
(3)儲存各種故障和操作試驗信號,信號存儲時間不應少于365天。
(4)顯示系統電源狀態。如果有必要還可以切斷漏電線路上的電源,并顯示其狀態。
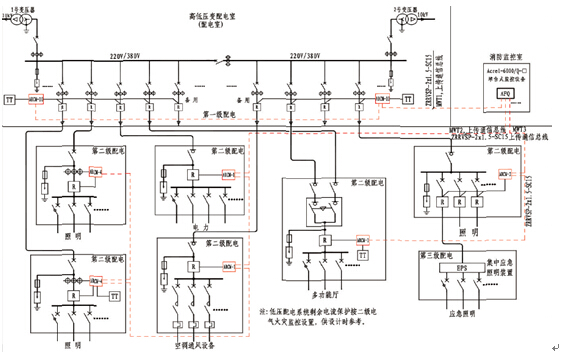
2.3 系統設計
漏電火災報警系統如圖2所示。系統主要由集中控制器及獨立式剩余電流探測器組成。獨立式剩余電流探測器能實時檢測線路對地泄漏的剩余電流,并顯示出來。當被保護線路的剩余電流達到預報警設定值時,探測器在60s內發出聲光報警信號,并將信號傳送至集中控制器。

圖2
- 1
- 2
- 總2頁
http:www.x5a5.com/news/2014-11/2014112620019.html





