Acrel-2000 v8.0光伏發電監測系統在內蒙古明華光伏發電項目中的應用
徐霜
安科瑞電氣股份有限公司,上海 嘉定
摘要:20世紀70年代后,隨著現代工業的發展,全球能源危機和大氣污染問題日益突出,傳統的燃料能源正在一天天減少,對環境造成的危害日益突出,同時全球約有20億人得不到正常的能源供應。太陽輻射能是重要的能源,是取之不盡、用之不竭的、無污染、廉價、人類能夠自由利用的能源。光伏發電就是講太陽輻射轉化為電能的有效方式之一。光伏發電監測系統作為光伏發電的重要組成部分,光伏發電監測系統通過實時監測光伏發電設備:匯流箱、逆變器、環境監測儀以及安裝在重要回路的智能監測儀表,采集、存儲、顯示相關電力參數,實現其智能化管理。本文就內蒙古明華項目中使用的Acrel-2000 v8.0光伏發電監測系統做一簡要介紹。
0引言
太陽能資源的分布與各地的緯度、海拔高度、自然地理狀況和氣候條件有關。我國西藏、青海、新疆、甘肅、寧夏、內蒙古高原的總輻射量和日照時數均為全國最高,屬世界太陽能資源豐富地區之一。光伏發電場所須光照條件好,沒有遮蔽物,鑒于此特性,光伏發電的場地面積都較大。反應光伏系統各個設備正常運行時的電流、電壓等參數實時采集是光伏系統的一個關鍵,若是采用人工巡檢,費時,費力,所采集的數據有一定的時差性,不能客觀的反應整個系統在模式時間點的整體運行狀態。所以一套智能的后臺電力監控設備就顯得十分重要。
在重要的光伏發電設備和系統節點上安裝智能儀表,通過智能儀表采集設備的電壓、電流等電參量,后臺監測系統通過數據采集設備將智能儀表的各項目電參量采集自系統主機實時顯示、存儲、處理。通過智能化設備對整個光伏發電系統的實時監測,通過光伏發電系統實時運行參數的積累,分析,制定和采取合適的運行和維護方案。由上可見光伏發電監測系統對用戶可靠、安全、實時維護光伏系統有十分重要的意義。構建智能光伏發電維護體系,全面使用智能儀表以及智能監測管理終端設備,以此達到高效、科學、合理的維護目的。
Acrel-2000 v8.0光伏發電監測系統正是針對以上趨勢而研發的管理方光伏發電監測系統。本系統通過對內蒙古光伏發電系統的部分重要設備進行實時監測,通過對監測回路運行狀態的實時監測采集器運行時的電力參數并進行存儲、分析,以表格或圖形的形式來顯示整個計量體系運行狀況,找出系統運行的故障點,為提高維護效率,用戶實時掌握系統運行狀況提供準確的數據支撐。
本文以內蒙古明華光伏發電項目為例,簡單介紹Acrel-2000 v8.0光伏發電監測系統在內蒙古明華光伏發電項目中的應用。
1項目介紹
本項目位于內蒙古明華,本項目總計安裝250Wp多晶硅光伏組件80000片,總裝機容量20.0MWP。本項目的光伏組件每20片組件串聯成串,設計500KWP光伏逆變器38臺,1000KVa箱式變壓器19臺,匯流箱264臺,其中16進1出226臺,12進1出38臺。
本項目前期現針對其2MWP設計光伏監測系統,通過采集光伏發電系統中的各種電力設備實現實時監測,數據采集存儲、處理,以各種圖文報表的形式實時顯示監控區域的設備運轉狀態。所有的數據都存儲在系統后臺主機內,通過對固定時間段的數據分析,掌握整個光伏發電系統的運作狀態,針對當下的發電效率,制定合理的維護計劃和日常巡檢。
本項目主要是針對光伏發電系統中的匯流箱、逆變器、環境監測儀等設備進行實時監測。
本項目的光伏發電系統內須監控的匯流箱共計27臺,逆變器2臺,環境監測儀1臺。
Acrel-2000 v8.0光伏發電監測系統通過采集光伏發電系統中的電力設備的數據,將匯流箱的每個回路的發電電流,逆變器的逆變兩側的數據以及環境監測儀所監測的溫濕度、風速、輻照度等數據,將以上的數據通過界面實時顯示,并將發電量制作分為年、月、日等報表,為管理者對整套光伏發電系統的發電效率評估提供可靠的數據依據。
2用戶需求
●匯流箱、逆變器、環境監測儀等設備數據的實時刷新,并以一次圖形式直觀動態顯示。各回路子畫面上顯示,以及此回路名稱等信息。
●制作光伏發電系統的年、月、日發電量報表,報表可導出,可打印。
●將發電量轉化為標準煤、減少的二氧化碳、二氧化硫等有害氣體的排放量。
●匯流箱各發電回路的越限報警,針對客戶的特定回路來設置越限報警
●對各回路的電能集抄功能,并自動生成符合客戶管理需求的用電參量報表
●報警事件記錄,便于維護人員來根據事件發生的時間性質對電路進行維護。
●用戶權限管理,不同等級權限實現不同等級操作。
3設計方案
3.1參考標準
系統的設計滿足以下所列制造和試驗標準:
JGJ/T 16-92 《民用建筑電氣設計規范》
GB/J63-90 《電力裝置的電測量儀表裝置設計規范》
GB/T13730 《地區電網數據采集與監控系統通用技術條件》
GB2887 《計算站場地技術要求》
GB/50198-94 《監控系統工程技術規范》
DL/T 698.31-2010 《第3.1部分:電能信息采集終端技術規范-通用要求》
DL/T 698.35-2010 《第3-5部分:電能信息采集終端技術規范-低壓集中抄表終端特殊要求》
DL/T 698.41-2010 《第4-1部分:通信協議-主站與電能信息采集終端通信》
DL/T 698.42-2010 《第4-2部分:通訊協議-集中器下行通信協議》
DL/T/814-2002 《配電自動化系統功能規范》
3.2系統架構設計
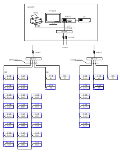
鑒于內蒙古光伏發電項目的建筑規模、性質,以及后續項目的可連帶發展的性質,安科瑞電氣股份有限公司系統部根據用戶的幾點需求以及在相同性質工程中的經驗,對該項目的監測的搭建做以下設計:通過檢測,本光伏發電系統中所采用的設備且均采用標準的Modbus-RTU協議。將現場安裝的相關設備通過屏蔽雙絞線以手拉手式相連,數據總線連接至現場安裝的數據采集器,數據采集器將數據采集后通過光纖傳輸至值班室內的后臺主機。系統示意圖1所示。

圖1
4 系統功能
上位機軟件采用Acrel-2000 v8.0光伏發電監測系統,通過軟件進行設備配置、數據庫變量配置、界面設計等,完成了在上位機軟件監控及電力監控的功能。
4.1功能特點
Acrel-2000 v8.0光伏發電監測系統采用全中文界面,操作簡單方便;運行穩定可靠的特點。點擊相應快捷按鈕即可進入相應的系統功能模塊;系統具有一次系統圖顯示,模擬圖顯示和網絡結構圖顯示;系統具有人機界面友好,顯示數據直觀,方便用戶查閱。
4.2軟件功能
4.2.1 初始界面
軟件的界面可以根據項目的特點和客戶的要求來設計。界面如圖2所示。

圖2登陸界面
4.2.2通訊示意圖
通訊示意圖為拓撲圖,顯示系統與儀表的通訊是否正常。通過界面模塊顏色的變化來反映整個系統各個監控點位的運行狀態。界面如圖3所示。

圖3 通訊示意
- 1
- 2
- 總2頁
http:www.x5a5.com/news/2015-4/20154114133.html




