低壓線路保護裝置的設計
俞洋1 , 趙波2 , 王君偉3 , 周佳4 , 邵樺5
(1.華南理工大學建筑設計研究院,廣州 510641
2.江蘇安科瑞電器制造有限公司,江蘇 江陰 214405
3.安科瑞電氣股份有限公司,上海 嘉定 201801)
摘要:設計了一種低壓線路專用保護裝置,可配合斷路器使用,對線路的過載、接地、過壓、欠壓等故障進行保護,提高低壓配電系統的用電安全和用電可靠性,簡化配電柜設計,提高自動化程度。
0 引言
目前低壓(交流不超過1000V或直流不超過1500V)配電保護多選用塑殼斷路器、熔斷器或剩余電流動作保護器,實現速斷、長延時保護,但很多塑殼斷路器動作精度不夠,難以實現級間選擇性配合,可能會造成上下級連跳、擴大事故。另外,塑殼斷路器不具備信號實時監測顯示、事件記錄和通訊組網等功能。
因此,本文設計一種低壓線路保護裝置,配合斷路器使用,可以對線路的過載、接地、過壓、欠壓等故障進行保護。
1 低壓線路保護裝置的設計
低壓線路保護裝置用于AC 400V(或690V)電壓等級中的產品,安裝在低壓饋線柜中,采用嵌入式或導軌安裝。產品的正常工作條件:工作溫度為-10℃~+55℃,海拔不高于2000米,環境中無明顯腐蝕性氣體,濕度≤95%,不結露。為滿足配電標準中對線路過載、接地故障的保護要求,設計有兩段定時限保護和反時限保護(標準反時限、極端反時限等8種曲線),另外帶有欠壓保護和過壓保護等多種保護功能。裝置由硬件平臺和軟件平臺組成。硬件組成框圖如圖1所示。

圖1 硬件組成框圖
1.1主要硬件電路的設計
在低壓系統中當大功率電機起動時,可能引起電網電壓瞬間降低。為防止電壓降低引起裝置誤動作,裝置電源輸入范圍設計為AC 85V~AC 265V;在有些場所中,低壓控制回路會采用直流供電(DC 110V或DC 220V),因此電源需要支持交流和直流兩種方式。常用的線性電源不能很好的滿足這些要求,因此采用開關電源方案來設計裝置電源。本裝置使用PI公司的開關電源芯片做電源設計,整體功率在8VA左右,電源的輸入、輸出間要滿足2kV工頻耐壓(工頻耐壓等級可參見GB 14048-2012《低壓開關設備和控制設備》),能通過4級電涌試驗。在開關電源中,通過使用PI Expert自帶的變壓器設計軟件降低變壓器的設計難度。開關變壓器設計簡單描述如下:拓撲結構為反激式,反饋類型為次級TL431,輸入電壓選為通用型(85~265)V,根據實際情況設計輸出電壓和功率,需要輸出電壓隔離時可在疊加選項中將輸出設置為分離式。變壓器設計時,需要綜合考慮效率、磁通密度、鐵芯、骨架等參數,有時調整效率會引起磁通變化,反而使變壓器性能變差。變壓器設計完成后進行PCB設計,可以參考PI Expert推薦的布局、布線,減小環路,以防帶來不可預知的干擾信號。
低壓饋線中的電壓、電流信號相對于本裝置內部的采集電路屬于高電壓、大電流信號,需要將其變為低壓、小電流信號。選用電壓互感器、電流互感器時,需結合產品特點,如普通電測儀表選用電流互感器時,只考慮過載能力為額定值的120%,但保護裝置需考慮使用5P10、10P20甚至更高過載能力的保護級電流互感器。設計采樣電路時需要綜合考慮電阻的功率、電壓、溫漂系數、精度等參數。如使用10P20電流互感器設計電流采樣電路時,同樣要考慮能承受20倍過載(互感器二次側)的取樣電阻。取樣電阻選取后,再設計后級的信號處理電路。信號處理電路包括濾波、放大等電路。濾波電路設計時一般會采用低通濾波,濾除不需要的干擾信息,濾波截止頻率要與軟件采樣頻率匹配。信號放大電路設計時需考慮信號范圍、線性度等參數,必要時需要做分段處理。該裝置直接采用交流放大,配合軟件完成真有效值計算、矢量計算等。
1.2軟件設計
現階段的低壓供電系統會存在諧波源,給電網帶來諧波污染,因此低壓線路保護裝置需要選取基于非正弦信號的測量算法。基于非正弦信號算法包括傅里葉算法、一階差分后半波傅里葉算法、真有效值等算法。傅里葉算法可以分解出各整次諧波信息,在保護類產品中被大量使用。如果出現頻率偏移、信號中帶有衰減的直流分量時,需要采取相應的措施,否則造成計算錯誤。
針對線路過載、接地故障,低壓線路保護裝置帶有反時限保護功能。反時限可以簡單的理解為:電流越大,保護動作越快,電流越小,保護動作時間越長。在電力系統繼電保護中,反時限電流保護是廣泛應用于發電機、變壓器、電動機以及輸電線路的保護。反時限過流保護通常基于如下的時間—電流反時限特性:
Ir*t=K (1)
其中,K為系數,r根據保護的不同使用場合而取不同的值:一般在被保護線路首端和末端短路、電流變化較小的情況下,采用定時限過流保護,定時限可以認為是一種特殊的反時限特性,即r=0;而在線路首末端短路、電流變化較大的情況下,則采用非常反時限特性,即r=1;通常輸電線路采用一般反時限特性,即0<r<1;反應過熱狀態的過流保護,在與熔斷器配合的場合則采用特別反時限特性,即r=2。
典型的反時限特性曲線如圖2所示,圖中I/IOPR表示電流過流倍數[8]。

圖2 典型反時限曲線
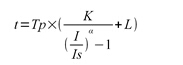
該裝置的反時限保護符合
(2)
式中:
t - 跳閘時間
K - 系數(見表1)
I - 電流測量值
Is - 程序設定的門限值
α - 系數(見表1)
L - ANSI/IEEE系數(見表1)
Tp - 時間因子
反時限過流保護曲線特性表如表1所示。
表1 反時限過流保護曲線特性表

式(2)中,α=0.02時直接計算較困難,可以采用查表法、泰勒展開、曲線擬合等方法進行計算
(1)采用查表法,令X=(I/Is),X在1.1~20間變化,變化步長為△X,每個步長計算一次X0.02,將計算結果存放到EEPROM中,實際電流有波動區間,所以計算步長不宜設置過大或過小,過大會影響X計算精度,導致t超差;步長過小,或加大EEPROM開銷。
(2)采用查表法,實際值與X相等時可以直接讀取,不相等時通過插值算法計算所需數值,但EEPROM開銷太大。
(3)按照泰勒級數展開,即可以計算得X,當n=5時相對誤差為0.44%,滿足計算的時間精度要求,但運算量較大。
(4)曲線擬合算法通過容易計算的曲線替代復雜曲線來簡化計算過程,關鍵在于選取正確的擬合曲線。
2 實際應用
某石化工程中需要對幾個低壓重要的饋線回路做過載、不平衡和接地保護,過載要求具有兩段過流保護和反時限保護,并能配合后臺的電力監控系統進行參數讀取,通訊協議為MODBUS-RTU,可以在保護裝置上直接顯示電流、分合閘狀態和故障信息,可以記錄分合閘信息、故障信息。
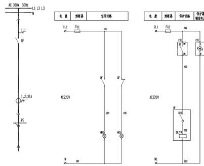
本文介紹的低壓線路保護裝置具備兩段定時限過流保護,通過內部計算零序電流的方式判斷接地故障,根據三相電流值做電流不平衡計算,并帶有中文液晶顯示、分合閘記錄、故障記錄,通訊等功能,完全滿足要求。低壓線路保護裝置應用二次原理圖見圖3所示。圖3中,通過電流互感器(1TA~3TA)實現主回路電流隔離、變換,電流互感器二次信號輸入給本裝置,本裝置根據實際電流情況執行相應的過載、接地保護,要控制斷路器分合閘時需加上相應的分勵線圈、合閘線圈,無需通過裝置自動合閘。所以圖3中沒有合閘線圈,僅帶有分勵線圈,在分斷分勵線圈時需要使用脈沖信號,或者將斷路器的常開點串入。

圖3 低壓線路保護裝置應用二次原理圖
3 結束
低壓線路保護裝置可以測量三相電流、三相電壓、剩余電流、功率、頻率和電能等參數,測量參數可在裝置上顯示,也可以通過RS-485通訊口上傳給后臺監控系統,可對線路的過負荷、接地、過壓和欠壓等故障進行保護。低壓線路保護裝置專為低壓饋線設計,可用于電廠電氣監控、工廠自動化、建筑電氣配電和石化等場所。
參考文獻
[1] 張鋼,劉志剛,岳岱巍,基于TOPSwitch及PI Expert的單端反激式開關電源設計[J].電源技術應用,2007,2(2):1-4.
ZHANG Gang, LIU Zhi-gang, YUE Dai-wei,SHEN Mao-sheng. Design of a M ultiple Output Flyback Switching Mode Power Supply Based on TOPSwitch and PI Expert [J].
POWER SUPPLY TECHNOLOGIES AND APPLICATIONS , 2007,2 (2): 1-4.
[2] 何華鋒,胡昌華,代延民. 高精度A/D采樣電路的干擾分析與電路設計[J]. 電光與控制,2005,10(5):73-75.
HE Huafeng , HU Changhua , DAI Yanmin. Interference analysis and design of high2precision A/ D sampling circuit [J].
ELECTRONICS OPTICS &CONTROL, 2005,10(5):73-75.
[3] 陳利玲,李杭生. 付立葉變換在交流采樣中的應用[J].電子測量與儀器學報,2005增刊,171-174.
CHEN Li-ling,LI Hang-sheng.Application of Fourier Transform in Alternative Sampling[J].Journal of Electronic, 2005,171-174.
[4] 周 軍,李孝文,盛艷.準同步采樣在電力系統頻率、頻偏和相位差測量中的應用[J]. 計量學報,1999,20(2):151-154.
Zhou Jun,Li Xiaowen,Sheng Yan. Application of Double·Speed Synchronous Sampling[J]. ACTA METRoLoGICA SINICA,1999,20(2):151-154.
[5] 戴先中.準同步采樣及其在非正弦功率測量中的應用[J].儀器儀表學報,1984;5(4) 390-396.
DAI Xian-zhong.The Quasisynchronous Sampling and its Application in the Measurement of Nonsinusoidal Power.
CHINESE JOURNAL OF SCIENTIFIC INSTRUMENT.
[6] 何立志. 工頻量快速測量方法的研究[J].電測與儀表,2001,4:16-18.
He Lizhi.The research of the fast-measuring methods for main frequency parameters[J].
Electrical Measurement & Instrumentation,2001,4:16-18.
[7] 徐忠林,葉一麟,等. 一種微機反時限過流保護的新算法[J]. 電力自動化設備,1996,25(8):3-6.
XU Zong-lin,YE Yi-tan,et al. A New Algorithm for the Microprocessor-based Inverse-time Overcurrent Relay[J].
Electtic Power Automation Equipment,1996,25(8):3-6.
[8] 嚴支斌,尹項根,邵德軍,劉革明.新型微機反時限過流保護曲線特性及算法研究[J].繼電器,2005,4(8):44-46.
YAN Zhi-bin,YIN Xiao-ge,SHAO De-jun,LIU Ge-ming.
Research on curve characteristics and algorithms of new digital inverse-time overcurrent[J].
RELAY, 2005,4(8):44-46.
[9] Kojovic LA.Rogowski Coils Suit Relay Protection and Measurement[J].
IEEE Computer Application andElectric Power,1997,10:47-52.
作者簡介:
趙 波(1982-),男,本科,主要從事電動機控制器的設計與應用;E-mail:2880157857@qq.com
http:www.x5a5.com/news/2015-8/2015827134658.html
