特勵達力科(Teledyne LeCroy)今天發布WaveRunner 8000示波器,帶寬從500 MHz到4 GHz,其將廣泛的工具箱與超級用戶體驗組合到了一起,大大加速了調試和解決問題的速度。WaveRunner 8000集成了行業內最廣泛和最深入的工具箱,使其達到了難以置信的強大。WaveRunner 8000是基于下一代MAUI(最高級用戶界面)的首秀及標志性產品。MAUI進一步增強了已處于示波器行業第一的用戶界面。再加上OneTouch(一次觸摸)使得測量設置達到想象不到的簡單,讓用戶以少得多的時間、最快的速度即可洞察到復雜信號中的異常問題。

難以置信的強大
標準配置的函數、測量、調試以及歸檔工具集提供了極其卓越的分析能力。特定應用的軟件包使得常見的設計/驗證方案的調試更加高效。這些選項包括數字濾波、頻譜分析、器件和開關電源分析等等。高級用戶自定義選件讓用戶能夠自定義具有獨特功能或者無限分析能力的測量參數和函數。WaveRunner 8000具有最廣泛和最深入的工具箱,確保了對于最復雜的調試任務具有快速的解決方案。
想象不到的簡單
WaveRunner 8000以及帶有OneTouch的MAUI延伸了特勵達力科悠久的用戶界面創新傳統。帶有OneTouch的MAUI通過在屏幕上的“輕輕一觸”完成所有的常用操作,進一步提升了便捷性和效率。帶有OneTouch的MAUI革命性的實現了使用“拖和拉”實現拷貝和設置通道、函數功能、以及測量參數,無需抬起手指。常用的手勢如拖、拉、夾和擊使得用戶與示波器間的互動更加直觀。“Add New”按鈕能夠在跡線和參數關閉的情況下通過手指的輕輕一擊快速的打開一個新的通道、函數、或者測量參數。帶有OneTouch的MAUI使用了一系列獨特的觸摸屏手勢來對示波器進行操作,簡化了測量設置,極大的提升了效率和直觀性。

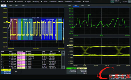
杰出的串行數據分析工具
特勵達力科提供了廣泛的可選軟件包裝備于WaveRunner 8000上,以滿足從自動化標準一致性測試包到靈活的調試工具包的所有串行數據測試需求。一系列具有特定協議的測量和眼圖包提供了對串行數據異常的空前的洞察力。這些獨特的工具包與行業最強大的觸發/解碼軟件互為補充,提供了提取解碼數據和隨時間變化的圖形、執行總線時序測量、以及針對某個標準或者用戶自定義模板的眼圖測量能力。MS型號擁有16個數字通道,能夠用于分析時序問題時進行的觸發、解碼、測量或者用于一般目的的數字設計的調試。

“M” 型號提供了最大化的采樣率和存儲深度
行業領先的高達40 GS/s的采樣率,使得WaveRunner 8000M型號示波器能夠精確的重構具有快速上升時間的信號邊沿細節。而且,長存儲允許長時基采集時保持最大化的采樣率。“M”型號的128 Mpts深存儲是調試高速串行數據總線長期行為的理想選擇。<
http:www.x5a5.com/news/2016-4/2016451844.html
