摘要:公司核心經營團隊擁有二十多年從事壓縮機設計制造的工作經歷,與華中科技大學液壓與氣動技術研究中心合作推出了適用于CNG子站工況的填補國內空白的全風冷立式天然氣液壓壓縮機系列產品——新型節能環保天然氣液壓壓縮機,獲得了十多項專利,并率先在行業內通過整機安全防爆合格認證,牽頭起草了汽車加氣站用液壓天然氣壓縮機行業標準(JB/T11402-2013)。新型節能環保天然氣液壓壓縮機以其“安全、節能、環保、投資省、結構簡單”等諸多優點,受到用戶廣泛贊譽和青睞,產品已在全國二十多個省(區)使用,市場占有率名列前茅。產品被科技部技術創新基金委員會認定為國家技術創新產品,其技術先進性、可靠性、經濟性和行業領先地位受到全國矚目。本文針對公司風冷器變頻調速為例,介紹英威騰Goodrive200A在CNG天然氣子站壓縮機上的應用。
一、應用需求
天然氣從入口管線進來,經過過濾,然后在一級氣缸中被壓縮;冷卻后經過一級過濾器,進入二級氣缸被壓縮,冷卻后經過二級過濾器,再經過除油器除油,最后達到高壓排出。
入口和出口壓力由壓力傳感器控制,從而使壓縮機在一定操作參數下運轉;一級進氣口的氣體經過壓縮后的一級排氣溫度為此機組的最高溫度,此值有報警和停機功能,主要用于機組故障判斷,其溫度值最高可以達到160℃,但建議不要超過120℃,以免影響密封件的使用壽命;液壓油的溫度由溫度傳感器控制,超溫65℃報警,低溫15℃自動開啟油箱加熱器,達到合適工況再進行液壓油循環。
機組的冷卻系統為風冷式,通過英威騰變頻器控制風機對液壓油和天然氣直接冷卻
本機組系統流程圖:

二、控制要求
本文僅以英威騰變頻器在新型無房體裸機改造使用現場的要求為例進行說明,具體控制要求有如下:
客戶需求一臺5.5千瓦變頻器控制冷卻風機,并在觸摸屏上能夠修改頻率參數。其中對變頻器及控制要求主要包括:
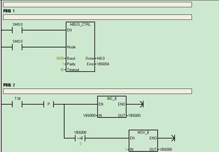
a)通過西門子S7-200 PLC上485通訊口modbus rtu協議寫調速程序,映射到西門子smartline觸摸屏,使之可以通過觸摸屏調節英威騰變頻器頻率。
b)通過變頻器端子排硬接線控制風機的啟停
c)顯示風機實際頻率到觸摸屏上
d)故障報警輸出具體內容也在屏幕上有顯示。
e)想用PID功能通過一個溫度變送器模擬量輸入信號實現閉環速度調控(這點未作出)
下面為現場調試圖片:



三、英威騰Goodrive200A變頻器的介紹
Goodrive200A高性能開環矢量變頻器,可用來控制異步電機交流感應電機。產品采用與目前國際最領先技術完全同步無無速度傳感器矢量控制技術,運用DSP控制系統,并且強化產品的可靠性和環境的適應性,更能更優化,應用更靈活,性能更穩定。
Goodrive200A變頻器具有有意的矢量控制性能,實現轉矩控制、速度控制一體化,能滿足不同客戶多種應用需求。同時,Goodrive200A變頻器具有超出同類產品的防跳閘性能和適應惡劣電網、溫度、濕度和粉塵能力,極大提高產品可靠性。
Goodrive200A變頻器采用模塊化設計,在滿足客戶通用需求的前提下,通過擴展設計可以靈活地滿足客戶個性化需求。強大的速度控制、轉矩控制、簡易PLC、靈活的輸入輸出端子、脈沖頻率給定、擺頻控制和PID控制等,滿足各種復雜傳動的要求,對降低成本,提高系統可靠性具有極大的價值。
Goodrive200A變頻器通過電磁兼容性整體設計,滿足客戶對應用場所的低噪音、低電磁干擾的環保要求。其他參數如下圖所示:


四、現場接線及調試
系統頻率是由S7-200 PLC控制器通過modbus RTU協議給變頻器控制命令的,Goodrive200A系列變頻器在通訊設置上也是極為簡易。
4.1 系統調試
調試主要要解決幾個問題:
一.怎樣控制冷卻風扇電機啟停
二.怎樣將采集到的頻率值映射到觸摸屏上
三.怎樣實現故障報警功能
四.怎樣在觸摸屏上寫頻率到變頻器上實現遠程手動調速
五.怎樣利用PID功能通過一個溫度變送器模擬量輸入信號實現閉環速度調控
查看手冊利用多功能輸入端子,P05.01,利用參數1:正轉運行(FWD),因為變頻器本身+24V與PW短接,現只用將端子排的S1與COM公共端通過中繼的常開觸點,中繼的線圈直接到冷卻風機啟停PLC輸出點即可,然后在基本功能組P00.01運行指令通道設置為1端子運行通道,端子控制模式P05.13為0,二線制控制使能方向合一,這樣冷卻風機即可實現通過變頻器硬接線啟停。
查看手冊利用模擬量輸出AO1與GND參考零電位,與EM231模擬量輸入PLC模塊上的信號電纜相連(AO1與RA、A+,GND與A-)形成二線制接法,因為是4-20mA電流信號,變頻器內部跳線J1切換到下端I側,在P06.18,下限對應AO1輸出為2V,按照1mA電流相當于0.5V電壓來計算,那么4mA對應就為2V,這個計算很有技巧性。我們PLC輸入采集點在觸摸屏上定義一個可讀變量即可將頻率數據通過端子排硬接線映射到屏幕上。
查看手冊利用一組繼電器輸出RO1A與RO1C公共端,通過一對常開點控制繼電器輸出報警信號,RO1A接到PLC輸入點的一個報警開關點位,RO1C接到開關電源的24V上,調整輸出端子組P06.03,其值設置為5變頻器故障,這樣即完成了變頻器故障報警寫入到PLC,繼而觸發觸摸屏報警位功能。
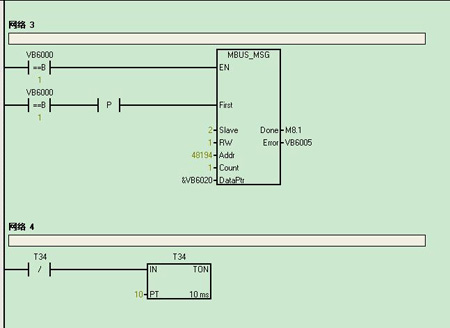
查看手冊變頻器串行通信功能組,在S7-200 plc上定義好了modbus rtu協議相關參數,站地址即P14.00為2,通訊比特率即P14.01為3:9600BPS,數據位效驗為奇校驗2(O,8,1)for RTU,通訊應答延時為40ms,打通A頻率指令選擇P00.06為8:modbus通訊,咨詢技術支持,此處485的J5跳線是不用更改的,硬接線西門子S7-200 226通訊端口PORT0上的3、8針接到485±極上,因為只用到了通訊設置頻率,查手冊其modbus地址為16進制2001H,轉換成十進制保持寄存器為40001+8193=48194,即把地址寫入PLC,在觸摸屏上對應點位讓其讀寫,參見相關程序:


查看手冊P09組PID控制組參數,P09.00中PID給定源為模擬量通道2:模擬量通道AI2給定,這里是一組溫度信號,通過溫度的變化自動調整頻率轉速,實現閉環控制,AI2模擬量輸入的設置參見AO1模擬量輸入的設置和接線,設置相關的上下限量程和區間范圍值,由于交稿時間倉促,這個現階段正在試驗中,相關的參數也正處于調試過程中。
其他參數都是參見電機銘牌還有變頻器本身默認參數來調試。
變頻器關鍵參數表設置:

本系統變頻器具有短路、過載、過壓、缺相、失速等多種保護和故障輸出功能,能有效保證系統安全高效的運行。
五、結束語
通過使用英威騰變頻器,得到了很多意想不到的優點
1、啟動平衡 ,起動電流可限制在額定電流以內,從而避免了啟動時對電網的沖擊;
2、節能增效,通過調節頻率改變冷卻風機轉速,使其在閑暇時節約電能,在使用高峰期能夠超頻,提高效率;
3、強大的modbus通訊可以通過程序自如的控制風機運轉;
4、強大的PID功能通過一個溫度變送器模擬量輸入信號實現閉環速度調控。
參考文獻:
[1] Goodrive200A產品說明書
[2]西門子S7-200 cn 技術參考手冊
[3]西門子精彩面板smartline系列技術參考手冊<
http:www.x5a5.com/news/2016-12/201612309222.html
