上海潘登新電源集20多年的穩壓、調壓的制造經驗與技術,根據國內企業用電實際需求,研發生產的革新型PDJN系列智能電力穩壓節能系統,具有無觸點穩壓調壓、諧波濾除裝置、功率因數提高、雷電浪涌防護、PLC控制系統(人機界面)等節電節能新技術,在節電效果顯著的同時還可保護后端用電設備、降低企業運行維護成本。經各行業實際使用,確認節電效果普遍達到5%-8%以上,減少企業維護費用50%以上。設備投資成本在一年節約的電費中即可收回,年回報率高達100%。
系統的穩壓節能原理
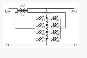
PDJN系列電力穩壓系統的原理電路(其中一相)見圖1。它采用無觸點交流調壓補償技術穩定輸出電壓。圖1中,補償變壓器TB的副邊線圈串聯在主電路中,不計補償變壓器TB上的電抗壓降,有: Uout=Uin±ΔU
式中:Uin——穩壓器的輸入相電壓,Uout——穩壓器的輸出相電壓,ΔU
——穩壓器一相的補償電壓。
原理電路中的調壓變壓器TT有四個抽頭,連接了8個雙向晶閘管(S1、S3、S5、S7為左橋臂組,S2、S4、S6、S8為右橋臂組)。任何時候只能同時導通左右橋臂上的各一只雙向晶閘管,在輸入電壓波動或輸出電壓發生變化時,經采樣、與基準電壓比較判斷后,控制電路發出控制命令;在電壓過零同步脈沖的作用下使相應的晶閘管導通或關閉,切換調壓器TT的不同抽頭,使補償變壓器TB產生大小和極性不同的補償電壓,以此穩定輸出電壓。

圖1.穩壓系統的原理電路圖(其中一相)
假如補償變壓器TB的變壓比為某一合適的比例,要求的輸出電壓Uout被設定為220V,則當輸入電壓Uin上升為240V時,控制電路驅動S1、S6兩只晶閘管導通,使串聯在主電路中的補償電壓△U為-20V,抵消輸入電壓的上升值,將輸出電壓Uout穩定在220V額定值。若輸入電壓Uin下降,通過調整,也可將輸出電壓Uout穩定在220V額定值。
如果將輸出電壓Uout設定為其他數值(如200V),利用同樣原理也能實現自動調節。
由電功率公式P= U2/Z知,對特定的應用場合,若供電電壓U偏高5%,則功耗大約增加10%,影響非常大。P=[U(1±0.05)]2/Z= U2(1±0.05)2/Z≈U2(1±0.1)/Z。通過上述分析可知,將偏高的電壓降下來,降到設定值,就可節約很多電能。
電力穩壓節能系統
PDJN系統以潘登公司專利技術設計的無觸點電路工作,運用補償式調壓技術和PLC控制技術實現智能電力穩壓節能。PDJN系統主要由輸入采樣電路、輸出采樣電路、PLC控制電路、調壓電路、補償電路、浪涌防護器和保護電路等幾部分組成。原理框圖見圖2。

圖2 電力穩壓節能系統原理框圖
浪涌防護和濾波
PDJN系列電力穩壓節能系統輸入端裝設了全模保護模式的三相浪涌保護器。既保護設備內電路和器件對地的絕緣,又保護兩個輸入端之間的電路和器件,即對浪涌經過的所有可能的線路都進行保護,有效地防止了沿電力線路侵入的浪涌電壓對穩壓節能系統和后面負載造成的傷害。此外,柜內安裝了濾波器,用來清除和吸收高頻諧波的能量,有效清除瞬變對系統用電設備的干擾或損壞,減少了由瞬變浪涌等引起的用電設備和線路損耗的增加,提高了整個系統的用電效率。
優異性能
PDJN系列電力穩壓節能系統的主要特性有:1.無觸點穩壓調壓: 結構簡單,穩定可靠,無機械故障,能夠長期免維護運行。因輸出電壓的響應速度極快,不會產生瞬間浪涌與電流沖擊,可避免電壓波動對后端用電設備造成傷害。2. 補償穩壓調壓節電:電壓補償由多個補償變壓器組合實現,采用了分相分級電壓補償技術,故容量更大、調壓范圍更寬。不論電網電壓處于高峰或低谷,系統的輸出電壓都能穩定在用戶的設定值上,因而節電效果顯著,節電率通常在5%-8%以上。3. PLC和人機界面控制:控制電路能執行的功能多、抗干擾能力強,節電遠行靈活方便。4. 雷電浪涌防護:全模浪涌防護器既可靠地保護了PDJN系統,又可靠地保護了后端的用電設備。5. 運行安全可靠:具有自動/手動旁路功能,一旦出現故障可立即自動轉到電網供電。
對于大多數企業而言,電費是未被企業控制的最后一項成本,電費開支是應該控制的也是可以控制的,節電就是增效,節電等于創收。上海潘登PDJN系列電力穩壓節能系統是新一代立竿見影的綠色節能產品,為客戶長期持續創造財富。在未來的發展道路中,上海潘登將繼續秉承務實誠信,互惠共贏的經營理念,竭誠為客戶提供盡善盡美、至周至誠的服務。<
http:www.x5a5.com/news/2017-3/20173291122.html
