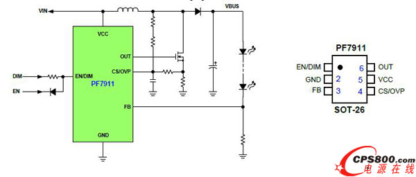
來自臺灣的力林科技,專注于為客戶提供具備競爭力的電源管理IC產品及產品應用上完整的電源解決方案。針對PCB面積受限或是TV三合一之板卡的應用場景,推出一款業界小體積LED背光驅動芯片PF7911。

PF7911采用標準的SOT23-6封裝,可以不受LED燈條電壓、電流限制,可配置于背光輸出瓦數在75W以下的各種應用,完全滿足了基于多種不同顯示屏來源對應各種LED燈條組合的彈性需求。由于該芯片具備封裝體積小、器件高度也低、外圍電路簡單等優點,是業界目前高性價比的單通道升壓型LED背光驅動解決方案。目前芯智云城平臺上,正在開放技術資料下載和免費樣品申請。
PF7911技術特點:
1、采用標準SOT23-6封裝的75W LED背光驅動IC;
2、內置升壓二極管短路保護、LED過電流保護、LED開路保護、過溫度保護;
3、電流模式控制,PWM輸入/PWM輸出;
4、輸入電壓9V-33V,100KHz/200KHz可選工作頻率,500mA-800mA輸出驅動能力;
5、采用內部補償設計,可節省外部電阻、電容器件,降低方案的綜合成本。

能將如此復雜功能的芯片整合在SOT23-6封裝中,主要是力林有著極強的功能整合能力,在芯片設計時采用了復合式功能腳位,將“EN與DIM”功能以及 “CS與OVP”功能分別進行引腳功能復用。
以CS與OVP腳位功能整并為例,CS/OCP腳位在OUT 輸出高準位時,會做OCP (過電流保護) cycle by cycle的偵測。而在OUT輸出為低準位時,再做OVP (燈條過電壓) cycle by cycle 的偵測。OLP(開環保護)也是由CS/OVP腳位來偵測。當OVP的準位高于2.5V,且連續4個cycle時,IC會自動關斷,保護升壓電路避免損壞。

http:www.x5a5.com/news/2017-9/201794142345.html
