定貨料號 Number of Order: U6200LXX41A1
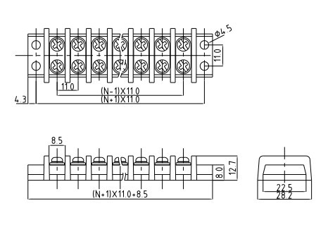
間距 Pitch: 11.0mm
位數:Poles: 2P~24P
規格說明 Specifications
電氣性能 Electrical: UL
額定電壓 Voltage rating: 300V
額定電流 Current rating: 20A
適用線徑 Solid Wire(AWG): 12-16
最大鎖緊扭力 Torque: 12kgf.cm/M4.0
使用溫度范圍 Operating -40℃to+105℃
耐電壓值 Withstanding Voltage: 2500VAC


