特點,功能
ABU-G系列漏電保護器(以下簡稱保護器)采用先進的單片機技術,具有抗干擾能力強、集成度高、保護全面、數字化、智能化、網絡化等特點。

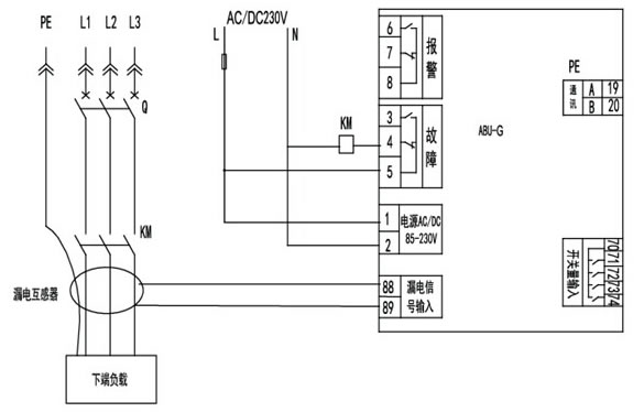
保護器能對電動機運行、輸配電過程中的出現的漏電、接地故障進行保護。漏電保護的動作電流和動作時間可數字化的精確設定,適應不同的漏電。對保護電路中的瞬變漏電,和緩變漏電進行區分保護。保護器能對運行過程中出現的漏電故障進行故障事件記錄。
型號說明

表1額定電流 三相三線額定電流 電流范圍 1~ 63 100~ 250~ 400~ 630~ 表2產品序列號: 序列號 型號 功能 可選功能 空 ABU-G 導軌安裝 LED顯示 按鍵設置 二路繼電器輸出 通訊+T A ABU-GA 導軌安裝 運行、故障指示 編碼開關設置 二路繼電器輸出 通訊+T B ABU-GB 屏裝開孔67X67 LED顯示 按鍵設置 二路繼電器輸出 通訊+T 開關量輸入+K C ABU-GC 導軌安裝 運行、故障指示 編碼開關設置 一路繼電器輸出 無 技術指標 表3 技術指標 技術指標 參數 三相三線額定工作電壓 ≤AC690V , 40Hz-60Hz 三相三線額定電流 自帶漏電互感器 漏電保護特性 (可調) 額定漏電電流:30 mA報警值(可調) 50 mA動作值(可調) 額定動作時間:瞬動<0.1S(可調) 誤差±0.1S 保護器輔助電源 AC/DC 85~270V, 功耗10VA 繼電器輸出觸點容量 AC250V 開關量輸入 四路光耦隔離(選配) 通訊 MODBUS-RTU協議(選配) 安裝方式 1, 保護器本體安裝尺寸(單位:mm)
2,漏電互感器安裝尺寸

三相三線額定電流:1A~

三相三線額定電流:100A~

三相三線額定電流:250A~

三相三線額定電流:400A~

三相三線額定電流:400A~
接線端子
|
8 |
7 |
6 |
5 |
4 |
3 |
|
DO2 |
DO2 |
DO2 |
DO1 |
DO1 |
DO1 |
|
公共點 |
常閉點 |
常開點 |
公共點 |
常閉點 |
常開點 |
|
89 |
88 |
58 |
59 |
2 |
1 |
|
VR |
I0 |
A |
B |
N |
L |
|
漏電電流互感器輸入 |
RS485通信 |
輔助電源AC/DC? 85V~270V | |||
原理圖
