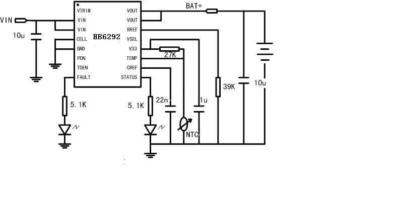
1、 HB6292功能簡述
1.1、特性
● 完全的單節/兩節鋰離子/鋰聚合物電池充電芯片
● 電池智能檢測
● 0.8%的充電電壓精度
● 恒壓充電電壓值可通過外接電阻微調
● 極低的熱消耗
● 集成MOSFET、內置電流檢測
● 不需要外接反相保護二極管
● 可編程充電電流控制,最大達800mA
● 芯片溫度熱折返保護
● NTC 熱敏接口監測電池溫度
● LED充電狀態指示
● 可以配置為單節或雙節鋰電池充電
● 短路檢測、保護
● USB與AC適配器電壓輸入可選擇
● 工作環境溫度范圍:-30℃~70℃
● 小型TSSOP-16封裝