大功率三進三出EPOWER系列UPS主機解決方案(圖)
2004/11/23 11:38:57
深圳科士達科技股份有限公司 供稿
KSTAR EPOWER(10/15/20/30/40/60/80/100/120KVA)系列產品設計應用環境為大型關鍵應用系統如數據處理中心,主機系統,制造業和電信設備。應用雙變換純在線IGBT技術和雙內置Intel微處理器,Epower保證穩定的電壓和頻率的正弦波輸出。Epower系列利用先進的控制技術可提供多達8臺的并機運行,并可為用戶提供諧波抑制濾波器和隔離變壓器等選件。具有下列特點:
1. 純在線的靜態旁路技術:提供了極強的過載及故障保護裝置。
2. 極高的運行效率,極大地降低機器的運行成本。該系列設計允許用戶選擇在線式及經濟/旁路運行模式,在經濟/旁路運行模式運行效率可達到99%,極大地降低運行成本,延長電池壽命。
3. 寬廣的輸入電壓范圍減少電池的使用損耗,延長電池壽命。
4. RS232及干觸點接口,提供了遠程監控功能,機器面板LCD提供UPS運行狀態顯示。
5. 雙微處理器提供了包括:UPS運行,電池管理,自動啟動,系統關機及實時負載等檢測功能。
6. 極高的可靠性及低的維護率。內置手動維修旁路,MTBF達到150,000小時,MTTR為15分鐘。
EPOWER系列UPS主機為電池外置機型,直流工作電壓為384V(10-80KVA)/432V(100-120KVA),需配置32(10-80KVA)/36(100-120KVA)塊12V免維護鉛酸蓄電池保證UPS主機正常逆變工作,同時必須根據不同后備時間需求選擇合適的電池容量AH數然后根據電池配置采用不同規格的電池柜進行安裝。
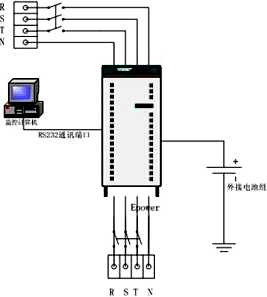
EPOWER單機運行具體方案配置圖如下:

EPOWER單機運行配置圖
這是一種非常傳統和長期應用的方案,優點是采購成本低,缺點是單機運行可靠性不高,配電系統中存在單點故障,一旦UPS主機發生故障將導致用戶負載設備直接受市電影響。
針對更高可靠性的要求,用戶還可以采用并聯運行系統,這種并機系統可以滿足擴容和冗余配置,在擴容配置時,EPOWER主機可以支持不同容量主機并聯運行,可以讓用戶在現有UPS基礎上輕松購買相應容量的EPOWER系列UPS主機來增加UPS額定輸出容量,在冗余配置時,可以讓用戶非常方便實現雙機互為備份,任何一臺主機故障都不會影響系統正常運行,消除UPS配電系統中的單點故障,下面就是一個雙機并聯運行系統配置示意圖:

EPOWER雙機并聯運行圖
用戶還可以根據實際需要采取不同的N+1(N=2,3,4……7)冗余配置。
1. 純在線的靜態旁路技術:提供了極強的過載及故障保護裝置。
2. 極高的運行效率,極大地降低機器的運行成本。該系列設計允許用戶選擇在線式及經濟/旁路運行模式,在經濟/旁路運行模式運行效率可達到99%,極大地降低運行成本,延長電池壽命。
3. 寬廣的輸入電壓范圍減少電池的使用損耗,延長電池壽命。
4. RS232及干觸點接口,提供了遠程監控功能,機器面板LCD提供UPS運行狀態顯示。
5. 雙微處理器提供了包括:UPS運行,電池管理,自動啟動,系統關機及實時負載等檢測功能。
6. 極高的可靠性及低的維護率。內置手動維修旁路,MTBF達到150,000小時,MTTR為15分鐘。
EPOWER系列UPS主機為電池外置機型,直流工作電壓為384V(10-80KVA)/432V(100-120KVA),需配置32(10-80KVA)/36(100-120KVA)塊12V免維護鉛酸蓄電池保證UPS主機正常逆變工作,同時必須根據不同后備時間需求選擇合適的電池容量AH數然后根據電池配置采用不同規格的電池柜進行安裝。
EPOWER單機運行具體方案配置圖如下:

E
這是一種非常傳統和長期應用的方案,優點是采購成本低,缺點是單機運行可靠性不高,配電系統中存在單點故障,一旦UPS主機發生故障將導致用戶負載設備直接受市電影響。
針對更高可靠性的要求,用戶還可以采用并聯運行系統,這種并機系統可以滿足擴容和冗余配置,在擴容配置時,EPOWER主機可以支持不同容量主機并聯運行,可以讓用戶在現有UPS基礎上輕松購買相應容量的EPOWER系列UPS主機來增加UPS額定輸出容量,在冗余配置時,可以讓用戶非常方便實現雙機互為備份,任何一臺主機故障都不會影響系統正常運行,消除UPS配電系統中的單點故障,下面就是一個雙機并聯運行系統配置示意圖:

用戶還可以根據實際需要采取不同的N+1(N=2,3,4……7)冗余配置。
免責聲明:本文僅代表作者個人觀點,與電源在線網無關。其原創性以及文中陳述文字和內容未經本站證實,對本文以及其中全部或者部分內容、文字的真實性、完整性、及時性本站不作任何保證或承諾,請讀者僅作參考,并請自行核實相關內容。
本文鏈接:大功率三進三出EPOWER系列UPS主
http:www.x5a5.com/news/2004-11/20041123113857.html
http:www.x5a5.com/news/2004-11/20041123113857.html
