儀表用步進電機驅動專用模塊解決方案(圖)
2005/10/9 17:41:30
英恒科技(中國)有限公司 供稿

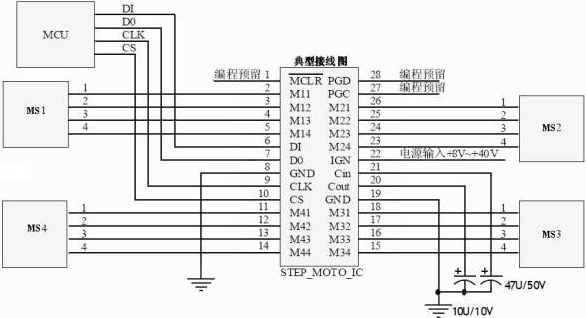
儀表用步進電機驅動專用模塊是由一個單片機(PIC16F630)和4組步進電機驅動片組成一個共有28PIN引腳的專用模塊。它通過SPI總線結構的通訊接口,從主控單片機接受電機控制的信號(電機的目標位置)和設定數據(電機的轉速,初始位置),而后自行產生所有電機的驅動脈沖和控制信號。該模塊可以極大程度減少儀表系統中主控芯片資源在驅動儀表電機上的負擔,從而更好的做到系統的優化。
免責聲明:本文僅代表作者個人觀點,與電源在線網無關。其原創性以及文中陳述文字和內容未經本站證實,對本文以及其中全部或者部分內容、文字的真實性、完整性、及時性本站不作任何保證或承諾,請讀者僅作參考,并請自行核實相關內容。
本文鏈接:儀表用步進電機驅動專用模塊解決方案(圖
http:www.x5a5.com/news/2005-10/2005109174130.html
http:www.x5a5.com/news/2005-10/2005109174130.html
