UPS可靠性方案(圖)
2005/7/20 15:53:43
江蘇鼎級博力特科技發展有限公司 供稿
單機工作
基本的可靠性,帶旁路的在線UPS,當UPS故障時,UPS將逆變輸出轉為旁路輸出,即由市電直接供電。解決了逆變器故障時,保證負載不斷電。

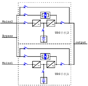
串聯熱備份
用兩臺單機系列的UPS串聯運行。即一臺作為主機,另一臺的輸出接到主機的旁路輸入端,作為備用機。由于單機系統的價格一般較并機系統的低,整體配置成本較低,系統主UPS工作,承擔所有負載,另一臺處于待機狀態,當主UPS故障時,自動轉到備用UPS供電。串聯熱備份系統是通過UPS 的串接實現冗余,串聯熱備份系統一般適用于兩臺UPS 的場合。

并機可靠性
并聯的UPS之間除要求它們的輸出電壓同頻、同相之外,還需負載平衡,這需要專門技術實現。從技術角度看,多機并聯冗余備份時,系統則是通過UPS 的并聯來實現冗余,冗余并機系統易擴展為其他的N+X 冗余并機方式,冗余并機系統中多臺UPS 各均擔負載。冗余并機系統的帶載能力較串聯熱備份系統大。
科士達 EP+系列UPS不需要獨立的并機旁路柜或其他附屬設備,單機作為冗余備份供電系統中的一個模塊,實現智能化并機,插入附帶的并機卡(選件)即可實現多達8臺的并機,增加系統可靠性,加大總輸出功率。獨一無二可不同功率EPOWER UPS間實現并機,按UPS功率大小自動分配負載量。

基本的可靠性,帶旁路的在線UPS,當UPS故障時,UPS將逆變輸出轉為旁路輸出,即由市電直接供電。解決了逆變器故障時,保證負載不斷電。

串聯熱備份
用兩臺單機系列的UPS串聯運行。即一臺作為主機,另一臺的輸出接到主機的旁路輸入端,作為備用機。由于單機系統的價格一般較并機系統的低,整體配置成本較低,系統主UPS工作,承擔所有負載,另一臺處于待機狀態,當主UPS故障時,自動轉到備用UPS供電。串聯熱備份系統是通過UPS 的串接實現冗余,串聯熱備份系統一般適用于兩臺UPS 的場合。

并機可靠性
并聯的UPS之間除要求它們的輸出電壓同頻、同相之外,還需負載平衡,這需要專門技術實現。從技術角度看,多機并聯冗余備份時,系統則是通過UPS 的并聯來實現冗余,冗余并機系統易擴展為其他的N+X 冗余并機方式,冗余并機系統中多臺UPS 各均擔負載。冗余并機系統的帶載能力較串聯熱備份系統大。
科士達 EP+系列UPS不需要獨立的并機旁路柜或其他附屬設備,單機作為冗余備份供電系統中的一個模塊,實現智能化并機,插入附帶的并機卡(選件)即可實現多達8臺的并機,增加系統可靠性,加大總輸出功率。獨一無二可不同功率EPOWER UPS間實現并機,按UPS功率大小自動分配負載量。

免責聲明:本文僅代表作者個人觀點,與電源在線網無關。其原創性以及文中陳述文字和內容未經本站證實,對本文以及其中全部或者部分內容、文字的真實性、完整性、及時性本站不作任何保證或承諾,請讀者僅作參考,并請自行核實相關內容。
本文鏈接:UPS可靠性方案(圖)
http:www.x5a5.com/news/2005-7/2005720155343.html
http:www.x5a5.com/news/2005-7/2005720155343.html
