艾默生中小型交換局及基站解決方案(圖)
2005/8/9 15:52:34
艾默生網絡能源有限公司 供稿
中小型交換局及基站通常為縣級城市綜合局、 1萬門左右市話局、長途傳輸二級干線站或相當的通信局(站)、基站等,所需設備種類及配套機房也類似,但是規模較前者小,重要程度也相對低一些,此類局站電源系統的不可用度應不大于1×10-6。即平均20年時間內,每個電源系統故障的累計時間應不大于10分鐘。

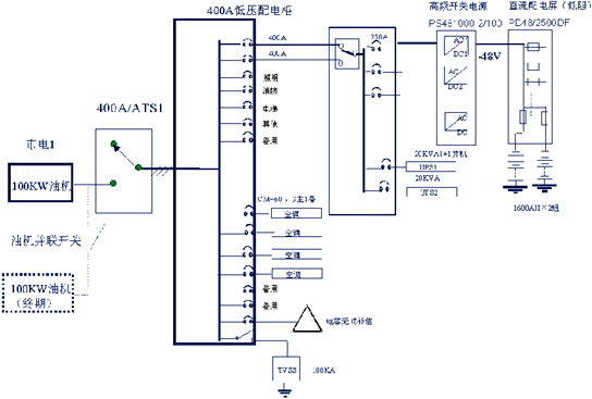
中小交換局及基站供電方案原理圖
圖為一個典型的中小型交換局及基站的供電方案的供電原理圖。此類局站一般為一路市電輸入,初期配備一臺油機,終期可能會擴展第二臺油機,但與大型交換局站方式不同,這里不再采用 ATS的切換方式,只是用一個油機并聯開關進行兩臺油機的切換;另外,對于小型的局站或基站有可能將交流配電、直流配電等同整流器一起集成在一個機柜內。對交/直流不間斷的電源系統仍然由單獨的交流配電柜進行配電,機房精密空調則由第一級的低壓配電柜進行供電。

圖為一個典型的中小型交換局及基站的供電方案的供電原理圖。此類局站一般為一路市電輸入,初期配備一臺油機,終期可能會擴展第二臺油機,但與大型交換局站方式不同,這里不再采用 ATS的切換方式,只是用一個油機并聯開關進行兩臺油機的切換;另外,對于小型的局站或基站有可能將交流配電、直流配電等同整流器一起集成在一個機柜內。對交/直流不間斷的電源系統仍然由單獨的交流配電柜進行配電,機房精密空調則由第一級的低壓配電柜進行供電。
免責聲明:本文僅代表作者個人觀點,與電源在線網無關。其原創性以及文中陳述文字和內容未經本站證實,對本文以及其中全部或者部分內容、文字的真實性、完整性、及時性本站不作任何保證或承諾,請讀者僅作參考,并請自行核實相關內容。
本文鏈接:艾默生中小型交換局及基站解決方案(圖)
http:www.x5a5.com/news/2005-8/200589155234.html
http:www.x5a5.com/news/2005-8/200589155234.html
