CCTV系統防雷解決方案(圖)
2005/9/23 10:19:09
杭州易龍電氣技術有限公司 供稿

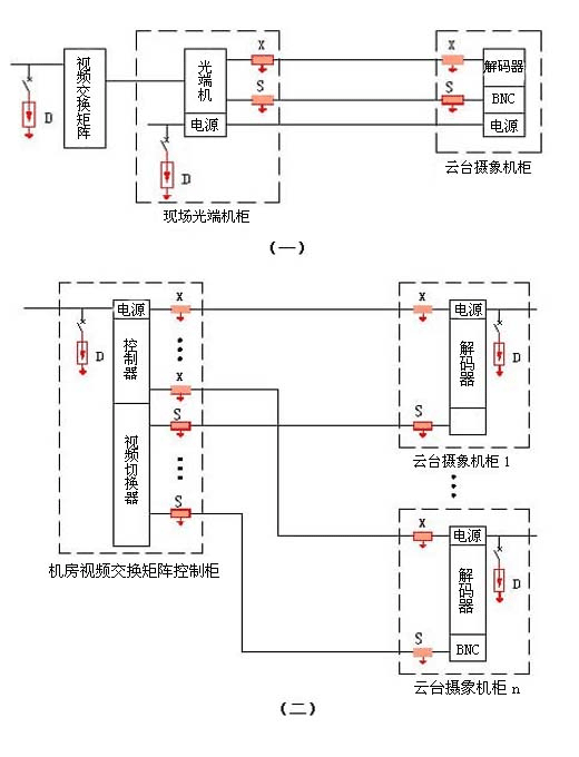
圖例說明:
D--次級/末級電源SPD:EPP40S/EPP20S
X--模擬信號SPD:EPL-12 S--視頻信號SPD:EPC75-40B
免責聲明:本文僅代表作者個人觀點,與電源在線網無關。其原創性以及文中陳述文字和內容未經本站證實,對本文以及其中全部或者部分內容、文字的真實性、完整性、及時性本站不作任何保證或承諾,請讀者僅作參考,并請自行核實相關內容。
本文鏈接:CCTV系統防雷解決方案(圖)
http:www.x5a5.com/news/2005-9/200592310199.html
http:www.x5a5.com/news/2005-9/200592310199.html
