摘要:本文詳細介紹了基于DELTA EH系列可編程控制器和DELTA伺服構成控制系統成功應用于山東一家織機機械廠毛巾織機天經電氣控制系統中,整個電控系統主要采用DELTA自動化產品構建,通過用戶的近半年試用,效果很好,得到客戶的認同并確定正式采購。
關鍵詞:DELTA可編程控制器 DELTA伺服 電氣控制系統 毛巾織機
Abstract: The article introduced the application of DELTA EH series PLC and serve motor system used in towel loom electric control system in a loom mechanic plant in Shandong. After half a year’s trail, the effect is proved to be obvious. Customers acknowledged and ready to purchase.
Key words: Delta PLC DELTA servo Electric control system Towel loom
一、前言
毛巾織機是劍桿織機一種,它和普通劍桿織機的主要區別在于毛巾織機比普通劍桿織機多了一個經軸,即天經!如圖1所示:

圖1 織機廠家毛巾織機一角
由于是雙經系統故控制就比一般織機的電控系統要復雜。但毛巾織機天經相對來說又有一定的獨立性和特殊性,它的獨立性對于其它控制部分來說,它們之間只存在張力、緯密、速度、起停的同步;它的特殊性在于在整個運行過程中存在三個張力段、三個緯密,這和地經(普通織機的經軸)有著明顯的區別!對此,以往有不同的控制方案:
1、算出當前天經直徑和初始直徑及初始速度算出當時天經速度:這個方案需要絕對值編碼器采樣、相應速度快的專控器(單片機)才能支持和完成該算法。這種方案特點是系統性能好,但價格高,國外一般采用。
2、分段控制當前張力:及時采集當前張力信號和設定張力相比,根據差額情況確定加減量多少!這個方案國內有些廠家采用。該方案主要硬件采用單片機+LCD+張力傳感器,成本低,但系統實際運行效果不佳,原因在于它的算法比較粗糙、結果實際系統運行天經張力不均勻、有抖動現象。
根據事前充分的調研和在調試過程中的體會,我們控制系統的特點在于:
A、該系統硬件均采用DELTA 自動化產品即 :EH型可編程控制器、ASD-A 型伺服控制器、TP04G文本顯示,這樣系統維護方便、升級簡便。
B、該系統軟件算法和以往不一樣,它的特點在于:
1、以張力設定值為基準、以張力測量值為參考,通過速度來改變張力。
2、當前速度為初始速度+脈沖增量速度+PID增量速度之和。
3、脈沖速度增量權值和PID速度增量權值不是固定的,在不同的經直經值段是不一樣的。
二、主要工藝

圖2 織物毛巾實物
通過織物可以看出其主要工藝:
1、三張力:起毛張力、緞檔張力、平紋張力
2、三過程:起毛、緞檔、平紋
3、三緯密:起毛緯密、緞檔緯密、平紋緯密
三、系統構架
1、硬件構架(TP04+EHPLC+ASD)
A、系統構架圖:

圖3 硬件結構框圖
B、PLC控制接線圖:

圖4 PLC接線示意圖
C、伺服控制接線圖

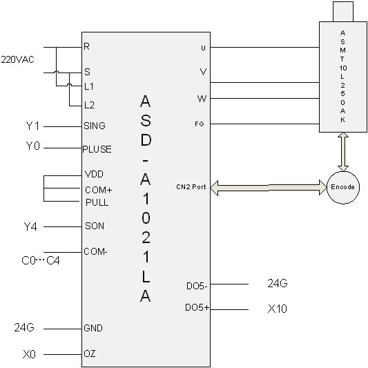
圖5 伺服接線圖
4、軟件構架(TP04+EHPLC):

表1 軟件結構圖
四、調試
第一步:電路接線檢查并通電
第二步:輸入/輸出信號測試
第三步:三張力手動測試、上下限張力確定
第四步、工藝參數設定
第五步、伺服參數設定
第六步、手動動作調試
第七步、快車測試、緯密調整(起毛倍數調整)
五、結論
本系統已在山東一家紡機機械廠成功試用,效果很好!該系統結構簡單,操作方便,界面友好,它整個系統采用DELTA自動化產品構成,故該系統性價比高,市場開發應用前景廣闊!本文可供使用DELTA 自動化產品或毛巾織機的相關人員參考。
參考文獻(略)
關鍵詞:DELTA可編程控制器 DELTA伺服 電氣控制系統 毛巾織機
Abstract: The article introduced the application of DELTA EH series PLC and serve motor system used in towel loom electric control system in a loom mechanic plant in Shandong. After half a year’s trail, the effect is proved to be obvious. Customers acknowledged and ready to purchase.
Key words: Delta PLC DELTA servo Electric control system Towel loom
一、前言
毛巾織機是劍桿織機一種,它和普通劍桿織機的主要區別在于毛巾織機比普通劍桿織機多了一個經軸,即天經!如圖1所示:

圖1 織機廠家毛巾織機一角
由于是雙經系統故控制就比一般織機的電控系統要復雜。但毛巾織機天經相對來說又有一定的獨立性和特殊性,它的獨立性對于其它控制部分來說,它們之間只存在張力、緯密、速度、起停的同步;它的特殊性在于在整個運行過程中存在三個張力段、三個緯密,這和地經(普通織機的經軸)有著明顯的區別!對此,以往有不同的控制方案:
1、算出當前天經直徑和初始直徑及初始速度算出當時天經速度:這個方案需要絕對值編碼器采樣、相應速度快的專控器(單片機)才能支持和完成該算法。這種方案特點是系統性能好,但價格高,國外一般采用。
2、分段控制當前張力:及時采集當前張力信號和設定張力相比,根據差額情況確定加減量多少!這個方案國內有些廠家采用。該方案主要硬件采用單片機+LCD+張力傳感器,成本低,但系統實際運行效果不佳,原因在于它的算法比較粗糙、結果實際系統運行天經張力不均勻、有抖動現象。
根據事前充分的調研和在調試過程中的體會,我們控制系統的特點在于:
A、該系統硬件均采用DELTA 自動化產品即 :EH型可編程控制器、ASD-A 型伺服控制器、TP04G文本顯示,這樣系統維護方便、升級簡便。
B、該系統軟件算法和以往不一樣,它的特點在于:
1、以張力設定值為基準、以張力測量值為參考,通過速度來改變張力。
2、當前速度為初始速度+脈沖增量速度+PID增量速度之和。
3、脈沖速度增量權值和PID速度增量權值不是固定的,在不同的經直經值段是不一樣的。
二、主要工藝

圖2 織物毛巾實物
通過織物可以看出其主要工藝:
1、三張力:起毛張力、緞檔張力、平紋張力
2、三過程:起毛、緞檔、平紋
3、三緯密:起毛緯密、緞檔緯密、平紋緯密
三、系統構架
1、硬件構架(TP04+EHPLC+ASD)
A、系統構架圖:

圖3 硬件結構框圖
B、PLC控制接線圖:

圖4 PLC接線示意圖
C、伺服控制接線圖

圖5 伺服接線圖
4、軟件構架(TP04+EHPLC):

表1 軟件結構圖
四、調試
第一步:電路接線檢查并通電
第二步:輸入/輸出信號測試
第三步:三張力手動測試、上下限張力確定
第四步、工藝參數設定
第五步、伺服參數設定
第六步、手動動作調試
第七步、快車測試、緯密調整(起毛倍數調整)
五、結論
本系統已在山東一家紡機機械廠成功試用,效果很好!該系統結構簡單,操作方便,界面友好,它整個系統采用DELTA自動化產品構成,故該系統性價比高,市場開發應用前景廣闊!本文可供使用DELTA 自動化產品或毛巾織機的相關人員參考。
參考文獻(略)
免責聲明:本文僅代表作者個人觀點,與電源在線網無關。其原創性以及文中陳述文字和內容未經本站證實,對本文以及其中全部或者部分內容、文字的真實性、完整性、及時性本站不作任何保證或承諾,請讀者僅作參考,并請自行核實相關內容。
本文鏈接:臺達PLC在毛巾織機送經系統中的應用(
http:www.x5a5.com/news/2006-4/200641093749.html
http:www.x5a5.com/news/2006-4/200641093749.html
