臺達機電產品在高速并條機的應用(圖)
2006/4/8 14:40:38
中達電通股份有限公司 供稿
摘要:闡述高速并條機原理,臺達PLC,人機控制,高速并條機的工藝設計要求和程序概要。
關鍵詞:PLC 高速計數 條桿檢測 歷史警報
Abstract: It explained the working principle of high speed drawing frame and requirements of processing design as well as program outline of Delta PLC, Human-machine control and high speed drawing frame.
Key words: PLC High speed counting Bar testing History alarms
1 前言
棉紡工序關鍵-并條機能適應純棉紡、棉型化纖及中長纖維的純紡與混紡等多種工藝的并合牽伸,以提高棉條長片段均勻度及纖維的伸直平行,使不同質量的纖維在棉條中的混合更均勻。可用于精梳后一道并條,縮短了流程,具有較好的熟條質量,尤其是降低重量不勻率,改善條干CV值均有明顯效果,其質量指標能達到相關烏斯特統計值25%水平。
國產新型高速并條機設計速度在600-800m/min或以上,實開車速應達到400m/min,國產新型高速并條機大多為雙眼,單眼并條機已研制成功。

2 傳動系統
2.1主電機可為雙速電機,大多均為變頻電機,其調速方便、準確,啟動平穩,開速時間可調且節電效果明顯。一般電機帶電磁制動,制動過程平穩可靠,制動時間≤0.3秒。
2.2牽引系統均用同步齒形帶、導條羅拉采用平皮帶傳動,減少了傳動級數,提高了傳動精確性、柔韌性和可靠性,穩定了牽伸效果,降低了噪聲,能消除由于開關車造成的粗細節,給紡紗質量提供了保證。
2.3主傳動齒輪普遍采用斜齒,提高了齒面精度,并置于車頭齒輪箱內,實行油浴,減少了保養時間,控制了噪聲,增加了使用壽命。
3牽伸機構
3.1牽伸形式。曲線牽伸形式使條子質量進一步提高。
(1)三上三下壓力棒上托式曲線牽伸,其機構最為簡單,車面占用面積最少,羅拉隔距調節余地大,雖能適應并條機的高速和質量要求,但是中羅拉膠輥既是后區的牽伸輥又是前區的握持輥,其工作條件和受力狀態不易穩定,牽伸作用受到一定局限性。
(2)三上三下壓力棒加導向輥曲線牽伸,該牽伸形式是在三上三下牽伸機構上在前上羅拉前加裝一根與前膠輥同為Φ36mm的膠輥,其與前羅拉中心距為34.01mm,為此,該機型前羅拉直徑由35mm增大為4.5mm,使導向輥的安裝較為寬舒,并能獲得較高的出條速度。導向輥能較好地改變輸出條子方向,由與喇叭口軸線相差90°減小到30°以下,利于高速條子順利通過喇叭口,縮短了輸出距離,減少了機前涌頭現象和意外牽伸,還有利于高速牽伸的穩定。

(3)四上四下壓力棒曲線牽伸,是在三上三下的基礎上增加一根羅拉和膠輥,從而形成三個區域,其后區為低牽伸區,前區為主牽伸區,而中區為微張力牽伸區。這種設計改善了前區的后膠輥和后區的前膠輥的工作條件,使前區的后膠輥主要起握住作用,后區的前膠輥主要起牽伸作用,使牽伸過程中的受力狀態較為合理,可獲得較好的握持效果,利于穩定條干質量。
(4)四上四下壓力棒加導向輥曲線牽伸,是在前膠輥前加裝一根相同直徑34mm的膠輥作為導向輥,從而減小輸出條進入喇叭口的角度,該機設計5根上膠輥均為Φ34mm,四根羅拉同為Φ35mm,雖減少了規格和備件,方便了管理,但導向輥過于靠近前膠輥,其在前羅拉上的包圍弧較短,對高速輸出須條的控制有一些影響。
(5)牽伸形式特點比較。
·從提高牽伸過程穩定性講,四上四下壓力棒曲線牽伸是獲得好評的形式之一。
·從并條機不斷提高設計速度講,如何穩定條干質量在較高的水平,選用當前較適宜的牽伸形式則顯得更加重要。
·壓力棒的材質、斷面幾何形狀、安裝位置、防塵、除塵等均為牽伸系統的重要組成部份,必須重視。
·導向輥是并條機在高速前提下出現的附加裝置,使用趨勢明顯。
3.2對羅拉的要求
(1)在牽伸機件中,前羅拉的實開線速度已達到400m/min的高速,其機械振動也會加大而產生機械波,影響牽伸握持的穩定性,導致須條出現牽伸波,使條干質量下降。
(2)羅拉聯接端面跳動及工作外圓跳動其制造應<0.008mm的內控標準,達到不出現機械波的要求。
(3)羅拉應有較高的彎曲剛度和足夠的扭曲剛度其表面精度高、光潔度高、轉動要平穩。
3.3加壓特點
加壓方式目前多數采用彈簧搖架,其結構簡單、成本低、操作方便、易維護。。
3.4膠輥
膠輥是紡紗工程中最為重要的器材之一,在高速、重壓下運轉,會產生靜電、溫升、中凹變形、易纏花等缺陷。
4自調勻整系統
4.1并條機勻整系統均采用開環式
即檢測在前,勻整在后。喂人部分檢測,國產機都采用凹凸羅拉,由位移傳感器將位移量轉變為電信號輸入計算機中與設置的標準量比較,計算出差值并存儲,當被測量的棉條到達變速點時,輸入信號經計算機處理,調整伺服電機轉速,經差速器與主機速度合成,控制牽伸系統變化,從而改變后(或前)區牽伸倍數,修正了喂人條子的重量偏差。勻整的主要性能為勻整片段1.5cm;勻整精度±1%;勻整范圍±25%。
4.2棉條“在線”監控
由圈條壓輥上方的監測傳感器持續、準確、快速地測量輸出棉條的質量經計算機進行控制,并在面板顯示出條的質量。勻整精度可達到≤l%,超限自動停機。DV2-AL采用國家專利鐘擺式壓輥羅拉搭配重量傳感器,控制和顯示輸出棉條質量,達到勻整精度要求。
4.3雙眼并條機的自調勻整系統
采用二套勻整裝置,二眼分別進行有效控制。其勻整裝置可配瑞士烏斯特USG或國產航空總公司613所BYD,二者性能上均能滿足勻整范圍。
(1)控制一羅拉的主電動機是由一個由變頻器驅動的變頻電動機,這樣由PLC通過串行通信的方式對其進行速度控制,可根據需要實現起動的無級變速。
(2)二羅拉與三羅拉通過齒形帶相連,完成有著固定牽伸比的預牽伸,二羅拉由一個伺服電動機進行拖動,同時在一羅拉主軸上設置一個編碼器,該編碼器與拖動二羅拉的伺服電動機控制器相連,通過對該控制器的參數的設置,利用其電子齒輪的功能,使得無論一羅拉速度高低,二羅拉與一羅拉的牽伸比始終保持設定的一個比例關系。
(3)拖動二羅拉的伺服電動機由PLC通過一定的控制算法,經過與控制器的串行通信實現其調速。
(4)凹凸檢測羅拉通過一個放大裝置,將位移放大,還安裝有一個位移傳感器。同時在檢測羅拉的旁邊放置一個脈沖信號發生器,當檢測羅拉轉過一定的角度,即棉條經過一定的位移后,發出一個脈沖,實現其定長檢測控制,克服以前定時檢測在速度不穩定時,計算勻整延時困難的不足。脈沖信號發生器通過一個串口和PLC實現通信。
(5)在整個并條機的過程控制、故障診斷、紅外線自停及簡單的日常數據處理仍由PLC實現,由PLC統一協調整個自調勻整系統。
勻整系統參見圖1。

1.凹凸羅拉
5.伺服電機
6.齒輪箱
7.位移傳感器
8.轉速器
9.變速傳感器
10.喇叭口
11.前置放大器
12.壓輥速度傳感器
5、電氣控制系統分析與設計
5.1電氣控制選型
選用臺達可編程控制器PLC,觸摸屏控制,實現人機對話。觸控式控制面板能顯示相關運轉數值,能在運轉狀態下設定輸出速度,能對異常警報斷電記憶,方便管理。方便調整及檢測。采用變頻調速,減少皮帶輪變換,解決開關車時瞬間條干惡化。
在牽伸機件中,前羅拉控制采用5.5KW變頻器;電磁剎車方式;
吸風電機:0.75KW.一般直接驅動無須變頻器,啟動可能有一定的噪音.
后羅拉控制,大多設備并無控制,前后羅拉位置相對固定,需要機械調整羅拉支架滑塊.現在也有在后羅拉處用一顆1KW伺服控制后羅拉的位置,增加1個旋編檢測位置.
5.2自動換桶
自動換桶并條機提高自動化程度能減輕操作工的勞動強度,普遍采用定長,主機停車,積極式斷條,換桶電機啟動經機械傳遞回轉推桿。推出滿桶,送進空桶并定位,主機啟動后完成換桶過程。
滿桶后,圈條盤出口自動定位,主機停車,依次換桶電機啟動帶動弧形推桶板推出滿桶、斷條、推桶板退回;轉臂電機啟動使轉臂向下旋轉90°;推動電機再啟動,通過轉臂將滿桶繼續外推;補桶電機通過傳動由撥盤將空桶送至預定位置,撥盤退回;推動電機經轉臂將空桶拉到底盤上;轉臂電機使轉臂上旋90°,最后主電機啟動。完成全部換桶過程只需30多秒。該過程由PLC控制,保證了換桶的可靠性。
5.3潔與吸風
(1)上清潔形式有回轉絨套、金屬鋼棒、浮動清潔棒、清潔桿等。通過上吸風將其聚集的花衣吸人棉箱,達到清潔上羅拉的要求。
(2)下清潔形式有丁晴刮圈、單皮圈往復、橡皮片等,并通過下吸風口將花衣吸入風箱,能有效的除去棉條中的雜塵。
(3)吸風裝置均獨立設計、使用,自成系統,配備1.5KW左右的2級電機,提高了傳動的可靠性。吸棉箱設計有積極式自動剝棉裝置,并附有貯棉倉;FA311增加刮棉箱;也有采用渦流排風方式。均使金屬過濾網表面不積花衣和粉塵,達到氣流暢通,滿足吸風要求。
5.4喂入與自停
(1)導條方式多數機型采用高架積極式,高度可調。導條羅拉已由一端支撐發展為雙支撐,減少振動、適應高速。導條羅拉由鍍鉻光面向鋁合金溝槽發展,精度提高,重量減輕。
(2)電氣自停已逐步被光電自停替代,光電從二路自停向多路自停發展。采用光電與八路檢測雙保險,能保證斷條、缺條立即停車。
繞皮輥、涌頭、壓輥繞花、滿桶等均設計有自停裝置,罩殼設有安全連鎖機構,同時用相應的有色燈顯示,方便操作處置。
FA311F 型高速并條機綜合國內外同類型的優點,主電機采用變頻調速器,該機采用先進的觸摸式人機界面,動作控制和數據計算采用PLC控制,變頻器頻率給定也通過通訊方式,進行工藝參數設置和編程.主牽伸形式采用四上四下附導向皮輥牽伸形式,上清潔可先用浮動金屬棒裝置,工作穩定可靠,適紡纖維品種廣泛,輸出速度可達 600-800M/min 。
主電機采用變頻調速,起動平穩。可編程控器( PLC )與人機界面聯為一體,完成該機的邏輯控制與故障診斷功能。抗干擾能力強,運轉可靠.通過觸摸式人機界面,可方便設定各種工藝參數。
5.5工藝計算
(1)產量計算
壓輥輸出速度(米/分)
V=∏×d×n×D0/(1000×d0)
其中:n-主電機轉速
d—壓輥直徑
D0:電機皮帶輪直徑
d0:壓輥傳動軸皮帶輪直徑
理論產量:
Q0=2*60V*Q/5000=0.024VQ(公斤/臺時)
QL0=2*60V/1000=0.012V(千米/臺時)
(2)張力牽引
給棉羅拉~導條羅拉張力=51*70*27/50*28*I
I---給棉張力壓
后羅拉~給棉羅拉間張力牽引=77*35/54*51
壓輥~前羅拉張力牽引=27*51/39*35
圈條盤~壓輥張力牽引=COI DIA*24*15*D*39/51*55*22*39*57-1/COIL NO
其中:
D---圈條張力牙
COIDIA—圈繞直徑
COIL NO---圈繞數
(3)系統框圖(圖2)
典型的臺達機電產品套餐,具體配置為:
PLC:DVP24ES00R2
HMI:DOPA57GSTD
AMD:VFD055M43A

圖2 系統框圖
可編程控制器選用臺達DVP24ES00R2
該機種為臺達標準功能主機,具有以下特點: 2個通訊口,內建高速輸入/輸出,•30KHz高速計數器、20KHz脈波輸出,豐富的指令,功能強大,超穩定的電氣特性,最佳性價比。
程序動作流程:

中途故障情;

5.7電氣原理設計
(1)電氣原理設計參見圖3。

圖3 電氣原理設計
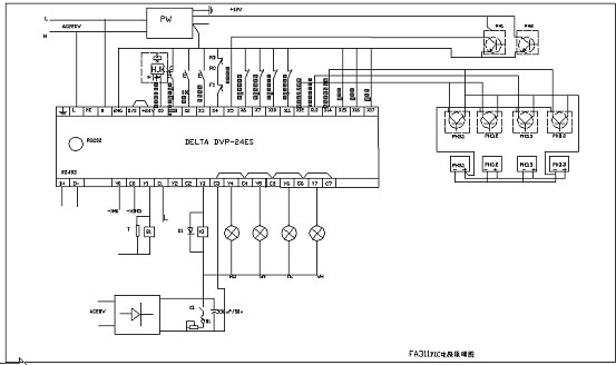
(2)PLC的I/O表
輸入地址:
X0 轉速脈沖 X1 停止/復位
X2 啟動按鈕 X3 機后復位
X4 熱保護 X5 擁花
X6 羅拉纏綿1 X7 羅拉纏綿2
X10 羅拉纏綿3 X11 羅拉纏綿4
X12 機后斷條前 X13 機后斷條中
X14 機后斷條后 X15 安全門(左)
X16 安全門(中) X17 安全門(右)
X20 桶到位 X21 探位檢測
X22 后備桶左 X23 后備桶右
輸出地址:
Y0 主電機 Y1 吸風電機
Y3 剎車 Y4 紅燈
Y5 綠燈 Y6 黃燈
Y7 白燈
5.8人機界面設計
(1)采用臺達DOPA57GSTD
·ARM9 CPU, 202.8Hz
·320 * 240 畫素
·圖形 & 文字顯示

4 個功能鍵
·3M Flash Memory存放應用、宏、配方及系統數據系統占用1M、配方最大容量64K
·256K bytes SRAM存放歷史數據240K、警報數據8K
·2個串行通訊端口
·USB 1.1 高速下載規劃程序
·支援SMC卡
·輸入電壓直流24V
·觸控屏幕符合IP65規格
(2)人機與PLC通訊采用rs232 com1,modbus ASCII/9600/7/1/even mode
人機觸模屏上顯示出條長度,出條速度,班產,單桶長度等, 設定速度和時間,可以設定4個班次,進行產量統計,監控系統狀態,實時報警;
具體規劃如下
(3)主畫面
單筒定長:顯示當前滿筒設定長度。
剩余長度:顯示當前單筒運行剩余長度(單通倒計數)。
運行長度:顯示當前單筒運行實際長度(單筒正計數)。
右邊班產:顯示當前班實時累計產量。總產顯示四班當前實時累計產量之和。
主畫面下方有一橫行觸摸按鍵任務欄,從左到右分別是監控,設定,班次,警報,I/O,維護共六個觸摸子菜單,分別按下該觸摸鍵進入各自功能。右邊還有強制換筒鍵。
右上方顯示日期和時間。
(4)監控畫面
按一下監控鍵進入下面監控屏畫面,按回主畫面鍵返回主屏。此畫面直觀模擬顯示并條機整體運行狀態。故障點的燈白表示正常,灰色表示故障該點處理。

斷條指示燈亮表示喂入斷條故障。
纏綿后有四個指示燈分別對應搖架自停微動開關S4-S7,當哪一個搖架自停臂因纏繞上下羅拉而抬起時,對應指示燈亮。便于故障處理。
擁花指示燈常亮表示機前擁花或堵斜管。
滿筒指示燈常亮表示正常滿筒停車。閃亮表示超定長引起停機。
門開關三個指示燈分別表示左門,中門,右門,如果哪個門打開,對應指示燈變亮表示故障。
熱保護指示燈亮表示變頻器故障或風機熱保護,不亮表示正常。
主電機和風機指示燈亮分別表示主電機和風機正在運行。不亮表示沒有運行。
此屏塔燈指示燈狀態表示和車頭塔燈指示燈狀態一致,表示相同狀態。功能如下:
·紅燈 常亮:表示纏繞上下羅拉;
閃亮:表示機前擁花或堵集棉器和斜管;
·綠燈 常亮:表示機后斷條;
閃亮:表示無備用空桶(自動換筒用);
·黃燈 常亮:表示正常滿桶停機;
閃亮:表示超定長引起停機;
·白燈 常亮:表示正常處于待機狀態;
閃亮: 表示安全門未關閉好;
·紅燈和綠燈同時閃亮:表示該機風機熱保護動作或變頻器故障,請找電工查明原因,若屬變頻器故障請斷電停三分鐘后再送電,故障可能復位。若不能復位,請找專家排除。
班產畫面.

6總結
系統以前使用單板機控制,數碼顯示,系統操作界面麻煩,電路不穩定經常更換電路板。現在應用臺達的人機界面,ES系列可編程控制器,變頻器,編碼器在并條機控制均有高性能的表現,也體現了在OEM上臺達的優勢, 貯存和顯示內容廣泛,自調勻整,張力控制,輕松實現系統功能。
關鍵詞:PLC 高速計數 條桿檢測 歷史警報
Abstract: It explained the working principle of high speed drawing frame and requirements of processing design as well as program outline of Delta PLC, Human-machine control and high speed drawing frame.
Key words: PLC High speed counting Bar testing History alarms
1 前言
棉紡工序關鍵-并條機能適應純棉紡、棉型化纖及中長纖維的純紡與混紡等多種工藝的并合牽伸,以提高棉條長片段均勻度及纖維的伸直平行,使不同質量的纖維在棉條中的混合更均勻。可用于精梳后一道并條,縮短了流程,具有較好的熟條質量,尤其是降低重量不勻率,改善條干CV值均有明顯效果,其質量指標能達到相關烏斯特統計值25%水平。
國產新型高速并條機設計速度在600-800m/min或以上,實開車速應達到400m/min,國產新型高速并條機大多為雙眼,單眼并條機已研制成功。

2 傳動系統
2.1主電機可為雙速電機,大多均為變頻電機,其調速方便、準確,啟動平穩,開速時間可調且節電效果明顯。一般電機帶電磁制動,制動過程平穩可靠,制動時間≤0.3秒。
2.2牽引系統均用同步齒形帶、導條羅拉采用平皮帶傳動,減少了傳動級數,提高了傳動精確性、柔韌性和可靠性,穩定了牽伸效果,降低了噪聲,能消除由于開關車造成的粗細節,給紡紗質量提供了保證。
2.3主傳動齒輪普遍采用斜齒,提高了齒面精度,并置于車頭齒輪箱內,實行油浴,減少了保養時間,控制了噪聲,增加了使用壽命。
3牽伸機構
3.1牽伸形式。曲線牽伸形式使條子質量進一步提高。
(1)三上三下壓力棒上托式曲線牽伸,其機構最為簡單,車面占用面積最少,羅拉隔距調節余地大,雖能適應并條機的高速和質量要求,但是中羅拉膠輥既是后區的牽伸輥又是前區的握持輥,其工作條件和受力狀態不易穩定,牽伸作用受到一定局限性。
(2)三上三下壓力棒加導向輥曲線牽伸,該牽伸形式是在三上三下牽伸機構上在前上羅拉前加裝一根與前膠輥同為Φ36mm的膠輥,其與前羅拉中心距為34.01mm,為此,該機型前羅拉直徑由35mm增大為4.5mm,使導向輥的安裝較為寬舒,并能獲得較高的出條速度。導向輥能較好地改變輸出條子方向,由與喇叭口軸線相差90°減小到30°以下,利于高速條子順利通過喇叭口,縮短了輸出距離,減少了機前涌頭現象和意外牽伸,還有利于高速牽伸的穩定。

(3)四上四下壓力棒曲線牽伸,是在三上三下的基礎上增加一根羅拉和膠輥,從而形成三個區域,其后區為低牽伸區,前區為主牽伸區,而中區為微張力牽伸區。這種設計改善了前區的后膠輥和后區的前膠輥的工作條件,使前區的后膠輥主要起握住作用,后區的前膠輥主要起牽伸作用,使牽伸過程中的受力狀態較為合理,可獲得較好的握持效果,利于穩定條干質量。
(4)四上四下壓力棒加導向輥曲線牽伸,是在前膠輥前加裝一根相同直徑34mm的膠輥作為導向輥,從而減小輸出條進入喇叭口的角度,該機設計5根上膠輥均為Φ34mm,四根羅拉同為Φ35mm,雖減少了規格和備件,方便了管理,但導向輥過于靠近前膠輥,其在前羅拉上的包圍弧較短,對高速輸出須條的控制有一些影響。
(5)牽伸形式特點比較。
·從提高牽伸過程穩定性講,四上四下壓力棒曲線牽伸是獲得好評的形式之一。
·從并條機不斷提高設計速度講,如何穩定條干質量在較高的水平,選用當前較適宜的牽伸形式則顯得更加重要。
·壓力棒的材質、斷面幾何形狀、安裝位置、防塵、除塵等均為牽伸系統的重要組成部份,必須重視。
·導向輥是并條機在高速前提下出現的附加裝置,使用趨勢明顯。
3.2對羅拉的要求
(1)在牽伸機件中,前羅拉的實開線速度已達到400m/min的高速,其機械振動也會加大而產生機械波,影響牽伸握持的穩定性,導致須條出現牽伸波,使條干質量下降。
(2)羅拉聯接端面跳動及工作外圓跳動其制造應<0.008mm的內控標準,達到不出現機械波的要求。
(3)羅拉應有較高的彎曲剛度和足夠的扭曲剛度其表面精度高、光潔度高、轉動要平穩。
3.3加壓特點
加壓方式目前多數采用彈簧搖架,其結構簡單、成本低、操作方便、易維護。。
3.4膠輥
膠輥是紡紗工程中最為重要的器材之一,在高速、重壓下運轉,會產生靜電、溫升、中凹變形、易纏花等缺陷。
4自調勻整系統
4.1并條機勻整系統均采用開環式
即檢測在前,勻整在后。喂人部分檢測,國產機都采用凹凸羅拉,由位移傳感器將位移量轉變為電信號輸入計算機中與設置的標準量比較,計算出差值并存儲,當被測量的棉條到達變速點時,輸入信號經計算機處理,調整伺服電機轉速,經差速器與主機速度合成,控制牽伸系統變化,從而改變后(或前)區牽伸倍數,修正了喂人條子的重量偏差。勻整的主要性能為勻整片段1.5cm;勻整精度±1%;勻整范圍±25%。
4.2棉條“在線”監控
由圈條壓輥上方的監測傳感器持續、準確、快速地測量輸出棉條的質量經計算機進行控制,并在面板顯示出條的質量。勻整精度可達到≤l%,超限自動停機。DV2-AL采用國家專利鐘擺式壓輥羅拉搭配重量傳感器,控制和顯示輸出棉條質量,達到勻整精度要求。
4.3雙眼并條機的自調勻整系統
采用二套勻整裝置,二眼分別進行有效控制。其勻整裝置可配瑞士烏斯特USG或國產航空總公司613所BYD,二者性能上均能滿足勻整范圍。
(1)控制一羅拉的主電動機是由一個由變頻器驅動的變頻電動機,這樣由PLC通過串行通信的方式對其進行速度控制,可根據需要實現起動的無級變速。
(2)二羅拉與三羅拉通過齒形帶相連,完成有著固定牽伸比的預牽伸,二羅拉由一個伺服電動機進行拖動,同時在一羅拉主軸上設置一個編碼器,該編碼器與拖動二羅拉的伺服電動機控制器相連,通過對該控制器的參數的設置,利用其電子齒輪的功能,使得無論一羅拉速度高低,二羅拉與一羅拉的牽伸比始終保持設定的一個比例關系。
(3)拖動二羅拉的伺服電動機由PLC通過一定的控制算法,經過與控制器的串行通信實現其調速。
(4)凹凸檢測羅拉通過一個放大裝置,將位移放大,還安裝有一個位移傳感器。同時在檢測羅拉的旁邊放置一個脈沖信號發生器,當檢測羅拉轉過一定的角度,即棉條經過一定的位移后,發出一個脈沖,實現其定長檢測控制,克服以前定時檢測在速度不穩定時,計算勻整延時困難的不足。脈沖信號發生器通過一個串口和PLC實現通信。
(5)在整個并條機的過程控制、故障診斷、紅外線自停及簡單的日常數據處理仍由PLC實現,由PLC統一協調整個自調勻整系統。
勻整系統參見圖1。

1.凹凸羅拉
5.伺服電機
6.齒輪箱
7.位移傳感器
8.轉速器
9.變速傳感器
10.喇叭口
11.前置放大器
12.壓輥速度傳感器
5、電氣控制系統分析與設計
5.1電氣控制選型
選用臺達可編程控制器PLC,觸摸屏控制,實現人機對話。觸控式控制面板能顯示相關運轉數值,能在運轉狀態下設定輸出速度,能對異常警報斷電記憶,方便管理。方便調整及檢測。采用變頻調速,減少皮帶輪變換,解決開關車時瞬間條干惡化。
在牽伸機件中,前羅拉控制采用5.5KW變頻器;電磁剎車方式;
吸風電機:0.75KW.一般直接驅動無須變頻器,啟動可能有一定的噪音.
后羅拉控制,大多設備并無控制,前后羅拉位置相對固定,需要機械調整羅拉支架滑塊.現在也有在后羅拉處用一顆1KW伺服控制后羅拉的位置,增加1個旋編檢測位置.
5.2自動換桶
自動換桶并條機提高自動化程度能減輕操作工的勞動強度,普遍采用定長,主機停車,積極式斷條,換桶電機啟動經機械傳遞回轉推桿。推出滿桶,送進空桶并定位,主機啟動后完成換桶過程。
滿桶后,圈條盤出口自動定位,主機停車,依次換桶電機啟動帶動弧形推桶板推出滿桶、斷條、推桶板退回;轉臂電機啟動使轉臂向下旋轉90°;推動電機再啟動,通過轉臂將滿桶繼續外推;補桶電機通過傳動由撥盤將空桶送至預定位置,撥盤退回;推動電機經轉臂將空桶拉到底盤上;轉臂電機使轉臂上旋90°,最后主電機啟動。完成全部換桶過程只需30多秒。該過程由PLC控制,保證了換桶的可靠性。
5.3潔與吸風
(1)上清潔形式有回轉絨套、金屬鋼棒、浮動清潔棒、清潔桿等。通過上吸風將其聚集的花衣吸人棉箱,達到清潔上羅拉的要求。
(2)下清潔形式有丁晴刮圈、單皮圈往復、橡皮片等,并通過下吸風口將花衣吸入風箱,能有效的除去棉條中的雜塵。
(3)吸風裝置均獨立設計、使用,自成系統,配備1.5KW左右的2級電機,提高了傳動的可靠性。吸棉箱設計有積極式自動剝棉裝置,并附有貯棉倉;FA311增加刮棉箱;也有采用渦流排風方式。均使金屬過濾網表面不積花衣和粉塵,達到氣流暢通,滿足吸風要求。
5.4喂入與自停
(1)導條方式多數機型采用高架積極式,高度可調。導條羅拉已由一端支撐發展為雙支撐,減少振動、適應高速。導條羅拉由鍍鉻光面向鋁合金溝槽發展,精度提高,重量減輕。
(2)電氣自停已逐步被光電自停替代,光電從二路自停向多路自停發展。采用光電與八路檢測雙保險,能保證斷條、缺條立即停車。
繞皮輥、涌頭、壓輥繞花、滿桶等均設計有自停裝置,罩殼設有安全連鎖機構,同時用相應的有色燈顯示,方便操作處置。
FA311F 型高速并條機綜合國內外同類型的優點,主電機采用變頻調速器,該機采用先進的觸摸式人機界面,動作控制和數據計算采用PLC控制,變頻器頻率給定也通過通訊方式,進行工藝參數設置和編程.主牽伸形式采用四上四下附導向皮輥牽伸形式,上清潔可先用浮動金屬棒裝置,工作穩定可靠,適紡纖維品種廣泛,輸出速度可達 600-800M/min 。
主電機采用變頻調速,起動平穩。可編程控器( PLC )與人機界面聯為一體,完成該機的邏輯控制與故障診斷功能。抗干擾能力強,運轉可靠.通過觸摸式人機界面,可方便設定各種工藝參數。
5.5工藝計算
(1)產量計算
壓輥輸出速度(米/分)
V=∏×d×n×D0/(1000×d0)
其中:n-主電機轉速
d—壓輥直徑
D0:電機皮帶輪直徑
d0:壓輥傳動軸皮帶輪直徑
理論產量:
Q0=2*60V*Q/5000=0.024VQ(公斤/臺時)
QL0=2*60V/1000=0.012V(千米/臺時)
(2)張力牽引
給棉羅拉~導條羅拉張力=51*70*27/50*28*I
I---給棉張力壓
后羅拉~給棉羅拉間張力牽引=77*35/54*51
壓輥~前羅拉張力牽引=27*51/39*35
圈條盤~壓輥張力牽引=COI DIA*24*15*D*39/51*55*22*39*57-1/COIL NO
其中:
D---圈條張力牙
COIDIA—圈繞直徑
COIL NO---圈繞數
(3)系統框圖(圖2)
典型的臺達機電產品套餐,具體配置為:
PLC:DVP24ES00R2
HMI:DOPA57GSTD
AMD:VFD055M43A

圖2 系統框圖
可編程控制器選用臺達DVP24ES00R2
該機種為臺達標準功能主機,具有以下特點: 2個通訊口,內建高速輸入/輸出,•30KHz高速計數器、20KHz脈波輸出,豐富的指令,功能強大,超穩定的電氣特性,最佳性價比。
程序動作流程:

中途故障情;

5.7電氣原理設計
(1)電氣原理設計參見圖3。

圖3 電氣原理設計
(2)PLC的I/O表
輸入地址:
X0 轉速脈沖 X1 停止/復位
X2 啟動按鈕 X3 機后復位
X4 熱保護 X5 擁花
X6 羅拉纏綿1 X7 羅拉纏綿2
X10 羅拉纏綿3 X11 羅拉纏綿4
X12 機后斷條前 X13 機后斷條中
X14 機后斷條后 X15 安全門(左)
X16 安全門(中) X17 安全門(右)
X20 桶到位 X21 探位檢測
X22 后備桶左 X23 后備桶右
輸出地址:
Y0 主電機 Y1 吸風電機
Y3 剎車 Y4 紅燈
Y5 綠燈 Y6 黃燈
Y7 白燈
5.8人機界面設計
(1)采用臺達DOPA57GSTD
·ARM9 CPU, 202.8Hz
·320 * 240 畫素
·圖形 & 文字顯示

4 個功能鍵
·3M Flash Memory存放應用、宏、配方及系統數據系統占用1M、配方最大容量64K
·256K bytes SRAM存放歷史數據240K、警報數據8K
·2個串行通訊端口
·USB 1.1 高速下載規劃程序
·支援SMC卡
·輸入電壓直流24V
·觸控屏幕符合IP65規格
(2)人機與PLC通訊采用rs232 com1,modbus ASCII/9600/7/1/even mode
人機觸模屏上顯示出條長度,出條速度,班產,單桶長度等, 設定速度和時間,可以設定4個班次,進行產量統計,監控系統狀態,實時報警;
具體規劃如下
(3)主畫面
單筒定長:顯示當前滿筒設定長度。
剩余長度:顯示當前單筒運行剩余長度(單通倒計數)。
運行長度:顯示當前單筒運行實際長度(單筒正計數)。
右邊班產:顯示當前班實時累計產量。總產顯示四班當前實時累計產量之和。
主畫面下方有一橫行觸摸按鍵任務欄,從左到右分別是監控,設定,班次,警報,I/O,維護共六個觸摸子菜單,分別按下該觸摸鍵進入各自功能。右邊還有強制換筒鍵。
右上方顯示日期和時間。
(4)監控畫面
按一下監控鍵進入下面監控屏畫面,按回主畫面鍵返回主屏。此畫面直觀模擬顯示并條機整體運行狀態。故障點的燈白表示正常,灰色表示故障該點處理。

斷條指示燈亮表示喂入斷條故障。
纏綿后有四個指示燈分別對應搖架自停微動開關S4-S7,當哪一個搖架自停臂因纏繞上下羅拉而抬起時,對應指示燈亮。便于故障處理。
擁花指示燈常亮表示機前擁花或堵斜管。
滿筒指示燈常亮表示正常滿筒停車。閃亮表示超定長引起停機。
門開關三個指示燈分別表示左門,中門,右門,如果哪個門打開,對應指示燈變亮表示故障。
熱保護指示燈亮表示變頻器故障或風機熱保護,不亮表示正常。
主電機和風機指示燈亮分別表示主電機和風機正在運行。不亮表示沒有運行。
此屏塔燈指示燈狀態表示和車頭塔燈指示燈狀態一致,表示相同狀態。功能如下:
·紅燈 常亮:表示纏繞上下羅拉;
閃亮:表示機前擁花或堵集棉器和斜管;
·綠燈 常亮:表示機后斷條;
閃亮:表示無備用空桶(自動換筒用);
·黃燈 常亮:表示正常滿桶停機;
閃亮:表示超定長引起停機;
·白燈 常亮:表示正常處于待機狀態;
閃亮: 表示安全門未關閉好;
·紅燈和綠燈同時閃亮:表示該機風機熱保護動作或變頻器故障,請找電工查明原因,若屬變頻器故障請斷電停三分鐘后再送電,故障可能復位。若不能復位,請找專家排除。
班產畫面.

6總結
系統以前使用單板機控制,數碼顯示,系統操作界面麻煩,電路不穩定經常更換電路板。現在應用臺達的人機界面,ES系列可編程控制器,變頻器,編碼器在并條機控制均有高性能的表現,也體現了在OEM上臺達的優勢, 貯存和顯示內容廣泛,自調勻整,張力控制,輕松實現系統功能。
免責聲明:本文僅代表作者個人觀點,與電源在線網無關。其原創性以及文中陳述文字和內容未經本站證實,對本文以及其中全部或者部分內容、文字的真實性、完整性、及時性本站不作任何保證或承諾,請讀者僅作參考,并請自行核實相關內容。
本文鏈接:臺達機電產品在高速并條機的應用(圖)
http:www.x5a5.com/news/2006-4/200648144038.html
http:www.x5a5.com/news/2006-4/200648144038.html
