根據最新的市場研究報告,2005年市場對消費電子設備的需求依然旺盛,而便攜式媒體播放機在消費電子產品中的市場增長尤其迅速。消費者不僅要求在 更小的外形中擁有更多的功能,而且還要求有更長的工作時間。盡管電池技術與低功耗半導體器件所取得的進展可幫助工程師進行滿足這些要求的設計,但消費者越 來越高的要求仍然給電源設計工程師提出了嚴峻的挑戰,反過來,電源設計工程師在電子設計中扮演的角色也越來越重要。本文給出了一整套便攜式媒體播放機的電 源管理解決方案,利用高精度電池容量計來從電池及高效開關電源轉換中獲取“最后一點能量”,最大限度的發揮電池能量,采用封裝尺寸較小的高集成度器件,最 大限度減少了外部器件,有助于節省板空間,減小體積、重量。
創新的解決方案
典型便攜式媒體播放機由幾個部分組成。由于目前鋰離子電池能量密度的提高,以及低功耗媒體處理芯片的發展,媒體播放機一般采用鋰離子電池來供電。主 系統包括中等尺寸、帶有3~5in 對角線屏幕及至少VGA分辨率的薄膜晶體管(TFT) 彩色LCD顯示器,屏幕一般用白光LED來作背光以獲得最佳色彩呈現;用于媒體存儲的大容量存儲器由直徑只有1in 大小的微型硬驅提供,數據可通過高速USB端口進出設備;處理系統由受大容量存儲器支持的視頻編解碼引擎組成;此外,像FM調諧器芯片和數碼相機模塊等其 他附加器件亦可成為系統的組成部分。
很明顯,所有這些功能都需要數種不同的電壓以及一定數量的電源。電池必須能再充電并進行有效的管理,且必須盡可能地從3.3 ~4.2V電池電壓轉換為1.2V的低電源電壓,否則將很難達到16小時的音頻播放時間與5小時的視頻播放時間。

圖1:用于便攜式媒體播放機的典型電源子系統
圖1顯示一種用于便攜式媒體播放機的電源子系統。鋰離子電池充電器可安全精確地給電池充電,同時,一個精確容量計量器件可確定電池的充電狀態,并幫 助系統工作至耗盡最后一分鐘電源能量。幾個電源轉換器負責將電池電壓轉換為必要的系統電壓。首先必須給帶有顯示控制器及背光的TFT LCD顯示器供電。用于給存儲器及其他器件供電的主3.3V電源,一般要求能達到1A的較高電流;而用于給硬驅供電的主3.3V電源,則一般單獨從主電源上產生,因為它需要由系統來單獨控制,以便在不需要時停用以節省電池能量。處理引擎可能需要好幾種超低內核電壓(如1.2V或1.8V等);音頻可能需要 用一個線性調整器作后續電源,以濾除來自開關調整器的噪聲。在某些情況下,可能還需要產生用于USB的5V電壓。

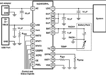
圖2:從兩個帶動態功率管理的直流輸入上進行線性充電的解決方案
圖2所示的電池充電器電路可管理幾種輸入源,如來自計算機及外設的USB端口與AC/DC墻式適配器等。單鋰離子電池應用中的很多充電器IC,一般 都只能承受6V左右的輸入電壓,這要求對墻式電源進行調整,因為即使電源額定為5V輸出,某些“廉價”變壓器與橋式整流器電源的開路電壓亦可超過10 V。但以下電路在適配器引腳(交流)上提供有額定18 V的輸入電壓,以保護系統免受直流電源線上過電壓的沖擊,并允許使用簡單的不穩定墻式電源,而這種電源可采用低成本變壓器及橋式整流器,從而進一步減少整 體系統成本。
圖2所示電路將電池看成是通過充電器與系統相連的另一個直流電源,這使得充電IC可完全控制整個電流,并決定進入電池的實際充電電流以及由系統拽取 的電流。因此,在電池充電及系統運行時,不會發生不適當的充電端接。此外,該解決方案還具有動態功率管理功能,可在系統與電池之間分配可用直流輸入功率。 如果系統電流增加,則電池充電電流會自動減少,從而滿足整體功率預算,這有助于進一步減少成本。所有用于控制USB電源與AC/DC墻壁插座之間輸入功率 管理的必要充電與切換晶體管,都集成在一塊芯片上,從而可極大地簡化充電器電路并消除昂貴且占用空間的外部器件。此外,充電器還能提供所有電池管理功能, 從而確保根據廠商提供的最長工作時間指標來對電池進行快速、精確及安全的充電。
為進一步改善電池管理,還可用電池容量計來精確確定電池的剩余容量。圖1所示的庫侖計芯片可測量進出電池的電量,并將其轉換成以系統毫安小時 (mAh) 表示的電池容量等有用信息。這使得處理器能通過有效地部署省電模式來更好地管理功耗,并當電池需要充電時提醒最終用戶。
媒體播放機中的電源轉換主要采用開關DC/DC轉換器,以提高電源轉換效率——尤其當輸出電流超過300mA甚至達到1A時。當用于電壓調整時,線 性調整器一般被認為是一種小型及低成本解決方案,但在這些電流指標上,它們會由于功耗過高而要求使用龐大及昂貴的散熱器件。這是由于供電時較大的輸入-輸 出差與輸出電流所致,例如,從3.6V鋰離子電池轉換至1.2V電壓等。線性穩壓器僅能以33%的效率進行這種轉換,這是消耗電池功率并產生熱量的主要原 因,而DC/DC轉換器卻能很好地以高于90%的效率工作,只消耗LDO所消耗功率的一小部分。線性穩壓器的另一個缺點是只能降壓,而DC/DC穩壓器則 既能升壓又能降壓。

圖3:采用晶圓級芯片大小封裝(WLCSP)的同步白LED驅動器
圖3和圖4是可滿足顯示器背光及處理器內核電源要求的高效電源轉換器例子。目前,彩色顯示器的逐漸普及,促使人們更多地將白光LED用于彩色顯示器 背光。白光LED的正向壓降可為2.5V與4.5V之間的任何值。今天的媒體播放機、PDA及智能電話的顯示器尺寸,常常需要用多個白光LED來獲得適當 的背光,這就要求連成一串的5個LED上的電壓達到20V。圖3顯示一種帶恒定LED電流調整及亮度控制的高效、電感型DC/DC升壓調整器解決方案。
除了以高達80%的效率來驅動顯示器背光外,圖3所示解決方案還在空間節省方面有好幾項創新。白光LED驅動器完全同步,這意味著DC/DC升壓轉 換器的典型二極管被一個集成到封裝中的可控FET開關所取代,從而允許在關機期間將負載斷開,以避免產生電池泄漏電流。精心設計的IC還允許使用1μF及 220nF的極小輸入/輸出電容。為減小占板空間,該器件還采用了管芯大小封裝,從而使尺寸只有器件硅面積那么大,這能將器件的占板空間減小一半。通過 ILED引腳實現可設置LED亮度,而無須連續使用PWM、模擬信號。

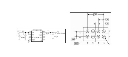
圖4:帶小型器件與封裝的高頻3MHz DC/DC 轉換器
為給編解碼器引擎提供1.8V和500mA的內核電源,可使用另一個帶集成FET的全集成同步DC/DC降壓轉換器,以優化效率并最大限度減少所使 用的外部器件數量。當輸出電流大于300mA時,基于有電感的開關型DC/DC轉換器常常能提供大的功率。與DC/DC控制器相比,全集成DC/DC轉換 器可進行內部補償,這意味著設計工程師既不需要選擇外部晶體管、也不需要用昂貴及難以使用的設計軟件來分析補償與穩定條件。利用數據資料中給出的建議電感 值,選擇器件是一件非常容易的事。
圖4所示的DC/DC降壓轉換器解決方案展示了幾種空間節省特點。由于兩個開關晶體管均為集成,故電路只需要一個電感及兩個4.7μF輸入/輸出電 容。一般地講,開關頻率最好大于1MHz,以便能使用小電感并限制對音頻波段的干擾。但這種頻率卻足以對無線射頻頻段造成干擾。該器件擁有獨特的控制架 構,可使電源對負載瞬變迅速做出反應,并保持很高的電壓調整精度。更高的3MHz開關頻率還可將電感值減小至1μH,從而允許使用低高度片狀電感。與白光 LED驅動器類似,該器件也提供有管芯大小封裝,可將IC尺寸減小一半。整個解決方案可安裝至5mm×5mm空間中。為進一步減少功耗,圖4所示的高級 DC/DC轉換器還具有自動PFM/PWM模式轉換功能,以提高對不同負載的轉換效率。在低負載電流時,轉換器進入脈沖頻率調制 (PFM),而當負載電流超過50mA時,則采用脈寬調制 (PWM) 控制方案。
創新的解決方案
典型便攜式媒體播放機由幾個部分組成。由于目前鋰離子電池能量密度的提高,以及低功耗媒體處理芯片的發展,媒體播放機一般采用鋰離子電池來供電。主 系統包括中等尺寸、帶有3~5in 對角線屏幕及至少VGA分辨率的薄膜晶體管(TFT) 彩色LCD顯示器,屏幕一般用白光LED來作背光以獲得最佳色彩呈現;用于媒體存儲的大容量存儲器由直徑只有1in 大小的微型硬驅提供,數據可通過高速USB端口進出設備;處理系統由受大容量存儲器支持的視頻編解碼引擎組成;此外,像FM調諧器芯片和數碼相機模塊等其 他附加器件亦可成為系統的組成部分。
很明顯,所有這些功能都需要數種不同的電壓以及一定數量的電源。電池必須能再充電并進行有效的管理,且必須盡可能地從3.3 ~4.2V電池電壓轉換為1.2V的低電源電壓,否則將很難達到16小時的音頻播放時間與5小時的視頻播放時間。

圖1顯示一種用于便攜式媒體播放機的電源子系統。鋰離子電池充電器可安全精確地給電池充電,同時,一個精確容量計量器件可確定電池的充電狀態,并幫 助系統工作至耗盡最后一分鐘電源能量。幾個電源轉換器負責將電池電壓轉換為必要的系統電壓。首先必須給帶有顯示控制器及背光的TFT LCD顯示器供電。用于給存儲器及其他器件供電的主3.3V電源,一般要求能達到1A的較高電流;而用于給硬驅供電的主3.3V電源,則一般單獨從主電源上產生,因為它需要由系統來單獨控制,以便在不需要時停用以節省電池能量。處理引擎可能需要好幾種超低內核電壓(如1.2V或1.8V等);音頻可能需要 用一個線性調整器作后續電源,以濾除來自開關調整器的噪聲。在某些情況下,可能還需要產生用于USB的5V電壓。

圖2所示的電池充電器電路可管理幾種輸入源,如來自計算機及外設的USB端口與AC/DC墻式適配器等。單鋰離子電池應用中的很多充電器IC,一般 都只能承受6V左右的輸入電壓,這要求對墻式電源進行調整,因為即使電源額定為5V輸出,某些“廉價”變壓器與橋式整流器電源的開路電壓亦可超過10 V。但以下電路在適配器引腳(交流)上提供有額定18 V的輸入電壓,以保護系統免受直流電源線上過電壓的沖擊,并允許使用簡單的不穩定墻式電源,而這種電源可采用低成本變壓器及橋式整流器,從而進一步減少整 體系統成本。
圖2所示電路將電池看成是通過充電器與系統相連的另一個直流電源,這使得充電IC可完全控制整個電流,并決定進入電池的實際充電電流以及由系統拽取 的電流。因此,在電池充電及系統運行時,不會發生不適當的充電端接。此外,該解決方案還具有動態功率管理功能,可在系統與電池之間分配可用直流輸入功率。 如果系統電流增加,則電池充電電流會自動減少,從而滿足整體功率預算,這有助于進一步減少成本。所有用于控制USB電源與AC/DC墻壁插座之間輸入功率 管理的必要充電與切換晶體管,都集成在一塊芯片上,從而可極大地簡化充電器電路并消除昂貴且占用空間的外部器件。此外,充電器還能提供所有電池管理功能, 從而確保根據廠商提供的最長工作時間指標來對電池進行快速、精確及安全的充電。
為進一步改善電池管理,還可用電池容量計來精確確定電池的剩余容量。圖1所示的庫侖計芯片可測量進出電池的電量,并將其轉換成以系統毫安小時 (mAh) 表示的電池容量等有用信息。這使得處理器能通過有效地部署省電模式來更好地管理功耗,并當電池需要充電時提醒最終用戶。
媒體播放機中的電源轉換主要采用開關DC/DC轉換器,以提高電源轉換效率——尤其當輸出電流超過300mA甚至達到1A時。當用于電壓調整時,線 性調整器一般被認為是一種小型及低成本解決方案,但在這些電流指標上,它們會由于功耗過高而要求使用龐大及昂貴的散熱器件。這是由于供電時較大的輸入-輸 出差與輸出電流所致,例如,從3.6V鋰離子電池轉換至1.2V電壓等。線性穩壓器僅能以33%的效率進行這種轉換,這是消耗電池功率并產生熱量的主要原 因,而DC/DC轉換器卻能很好地以高于90%的效率工作,只消耗LDO所消耗功率的一小部分。線性穩壓器的另一個缺點是只能降壓,而DC/DC穩壓器則 既能升壓又能降壓。

圖3和圖4是可滿足顯示器背光及處理器內核電源要求的高效電源轉換器例子。目前,彩色顯示器的逐漸普及,促使人們更多地將白光LED用于彩色顯示器 背光。白光LED的正向壓降可為2.5V與4.5V之間的任何值。今天的媒體播放機、PDA及智能電話的顯示器尺寸,常常需要用多個白光LED來獲得適當 的背光,這就要求連成一串的5個LED上的電壓達到20V。圖3顯示一種帶恒定LED電流調整及亮度控制的高效、電感型DC/DC升壓調整器解決方案。
除了以高達80%的效率來驅動顯示器背光外,圖3所示解決方案還在空間節省方面有好幾項創新。白光LED驅動器完全同步,這意味著DC/DC升壓轉 換器的典型二極管被一個集成到封裝中的可控FET開關所取代,從而允許在關機期間將負載斷開,以避免產生電池泄漏電流。精心設計的IC還允許使用1μF及 220nF的極小輸入/輸出電容。為減小占板空間,該器件還采用了管芯大小封裝,從而使尺寸只有器件硅面積那么大,這能將器件的占板空間減小一半。通過 ILED引腳實現可設置LED亮度,而無須連續使用PWM、模擬信號。

為給編解碼器引擎提供1.8V和500mA的內核電源,可使用另一個帶集成FET的全集成同步DC/DC降壓轉換器,以優化效率并最大限度減少所使 用的外部器件數量。當輸出電流大于300mA時,基于有電感的開關型DC/DC轉換器常常能提供大的功率。與DC/DC控制器相比,全集成DC/DC轉換 器可進行內部補償,這意味著設計工程師既不需要選擇外部晶體管、也不需要用昂貴及難以使用的設計軟件來分析補償與穩定條件。利用數據資料中給出的建議電感 值,選擇器件是一件非常容易的事。
圖4所示的DC/DC降壓轉換器解決方案展示了幾種空間節省特點。由于兩個開關晶體管均為集成,故電路只需要一個電感及兩個4.7μF輸入/輸出電 容。一般地講,開關頻率最好大于1MHz,以便能使用小電感并限制對音頻波段的干擾。但這種頻率卻足以對無線射頻頻段造成干擾。該器件擁有獨特的控制架 構,可使電源對負載瞬變迅速做出反應,并保持很高的電壓調整精度。更高的3MHz開關頻率還可將電感值減小至1μH,從而允許使用低高度片狀電感。與白光 LED驅動器類似,該器件也提供有管芯大小封裝,可將IC尺寸減小一半。整個解決方案可安裝至5mm×5mm空間中。為進一步減少功耗,圖4所示的高級 DC/DC轉換器還具有自動PFM/PWM模式轉換功能,以提高對不同負載的轉換效率。在低負載電流時,轉換器進入脈沖頻率調制 (PFM),而當負載電流超過50mA時,則采用脈寬調制 (PWM) 控制方案。
免責聲明:本文僅代表作者個人觀點,與電源在線網無關。其原創性以及文中陳述文字和內容未經本站證實,對本文以及其中全部或者部分內容、文字的真實性、完整性、及時性本站不作任何保證或承諾,請讀者僅作參考,并請自行核實相關內容。
本文鏈接:便攜式播放器的電源方案(圖)
http:www.x5a5.com/news/2006-7/2006726113724.html
http:www.x5a5.com/news/2006-7/2006726113724.html
