通信行業UPS電源應用方案
一、需求分析:
隨著人類對通信業務的需求日益增長,通信網絡的演變正如數年前所預測的那樣,迅速向計算機與通信(C&C)的緊密結合的模式發展。建立在以軟交換技術為基礎的核心網絡技術上的下一代通信網絡(NGN)以及第三代移動電話(3G)都將以計算機網絡技術作為平臺。當今的通信網絡,從技術的發展趨勢上已經是IT(信息技術)與CT(通訊技術)的日益融合。雖然在下一代通信核心網絡層面為了保證供電安全的可靠性,仍將以直流電源作為基礎供電電源模式,但在業務支撐系統平臺上,使用交流電源供電模式也將同時并存。基于計算機類設備的大量應用,UPS系統設備在通信網絡上的使用也越來越多。
目前,就通信網絡而言,使用UPS供電越來越普遍,其供電對象已經由單臺計算機設備發展到業務終端、網絡服務器、網絡設備、數據存儲設備、業務支撐平臺乃至整個通信網絡。供電對象的范圍主要涉及到計算機終端、服務器、路由器、交換器、顯示器、磁盤存儲陣列、小型機等。供電的方式也由小型UPS分散供電演變到大型UPS的集中供電。為保證供電可靠性,甚至采用n+1并聯熱備份系統乃至雙總線UPS系統供電方式。
通信行業對供電的可靠性要求是不言而語的,我們通常形容動力供電是通信機房系統的心臟;為確保通信樞紐機房的電力供應,“市電供電+柴油發電機組備用”的供電系統成為通信行業動力機房的標準配置方案;數據中心是高速互聯網調控中心,用戶對它們進行信息資源的遠程處理,存儲和轉送的時效性要求極高.僅是幾秒鐘的停機也會給整個互聯網的安全運行和用戶的生產經營帶來無法估量的損失,重要程度不容忽視;因此,需要提供穩定可靠的動力電源解決方案成為關鍵中之關鍵。
二、 需求描述:
1.兩路市電輸入(一路市電,一路油機),需具有防雷保護裝置。
2.直流配電需具有-48V配電,-24V配電,具有聲光告警、動態數據顯示功能。
3.交流負載部分需配UPS帶載,負載至少帶載容量30KVA,后備待機時間要求達8小時,要求可靠性非常高;UPS應具有動態數據遠程監控功能;
4.對地震、火災等緊急事故,能提供遠端或近端的遙控快速關機功能,以避免在緊急事故中發生更嚴重的損失。
5.UPS后備電池必須具有漏液偵測功能; 能作電池巡檢日期或更換日期的自動提醒。
6. 后備電池要求,要盡可能的減少電池的投資,以經濟投效益;盡最大可能的降低并節約成本投資成本。
7. 由于安裝UPS及電池的空間有限,要求UPS供貨商,提高設備安放的空間利用率;要求充分利用有限的空間資源。
8. 并且對承重的考量能兼顧,避免發生樓層結構的破壞。
9. 需確保售后服務,供應商必須提供完善的售前、售后服務方案。
三、項目方案:
◇ 針對第1項需求,選擇ATS切換,作為備用柴油發電機組,通常要考慮備用機組與市電的自動切換問題,來滿足用戶高可靠性的需求,我們設計了兩路市電輸入;主路市電,備路油機;采用ATS切換;
◇ 為滿足第2項用戶一整化配電的要求,我們采用兩級低壓交流配電柜分級配電,來滿足用戶直流-48V、-24V開關電源,機房空調等負載設備;以滿足用戶配電.
◇ 為滿足第3項動力機房交流負載不間斷供電的特殊要求;交流負載供電任務的整個電源系統都必須采用具有高度容余功能的并聯冗余供電方案,為了使整個系統負載供電方便,提供了輸出配電柜,方便更多的分路及遠距離連接.且在整個系統中增加了UPS的監控部分,使整個系統更加智能化,使UPS成為真正的智能UPS,可以非常方便的了解UPS運行的各項參數,整個系統配置,此次采用2臺臺達NT系列UPS并機實現并聯(1+1)冗余功能.可靠性為單機UPS的5~6倍.(詳見UPS電源系統構架圖),整體方案具有先進的管理性,極高的可靠度及實用性強等特點.
◇ 針對第4項的需求,臺達NT系列UPS提供了EPO緊急關機功能鍵﹐在NT系列UPS的正面版上有紅色按鍵,可提供近端的快速關機,并同時提供遠端的網絡遠端緊急關機功能可供操作。只要此功能一經啟動,UPS可快速關機,不需依正常關機作業程序去順序關機。以便在緊急事故中節省時間﹐避免災害的擴大。
◇ 針對第5項需求,眾所周知,作為通信行業動力機房UPS電源的能量儲備倉蓄電池,蓄電池的好壞直接影響著整個動力生產線正常運作,而對蓄電池的維護顯得成為關鍵中之關鍵,蓄電池在周而復始的充電、放電中進行能量的儲備,長時間的循環,必然存在著電池的綜合性能下降,甚至導致漏液的隱患,而漏液又很容易導致電池著火;給客戶造成不可估量的直接或間接的經濟損失;而臺達NT系列UPS具有對電池漏液進行動態偵測的強大功能;這在同行業來說具有絕對領先的專利水平;完美最終解決了客戶對電池漏液的潛在隱患;使之防患于蔚然。
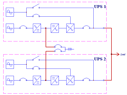
◇ 針對上述第6項、第7項、第8項;客戶對蓄電池的購置成本的嚴格控制,以及安放電池柜的空間的有限性的嚴格要求,樓層的有限承重等問題,根據客觀存在的種種實際情況,我們決定采用兩臺UPS共用電池組的解決方案;有效的節約了客戶的投資成本,共用電池組從很大程度上最佳的滿足了客戶的苛刻要求;無論是從成本還是從效率方面來說,都帶給客戶最大的收益。
◇ 針對9項中達電通作為中外合資企業,擁有一支完整的專業服務團隊;詳見專業服務事項。
四、 動力機房系統配置圖
在嚴格考察客戶動力負載情況后,經過與用戶的多次技術論證交流后,特制定如下通信動力機房電源系統配置方案圖:

五、 UPS配電方案介紹
1.UPS冗余(1+1)并機共用電池組原理圖

UPS電源系統并機構架圖
2.UPS設備配置(以50KVA/8小時為例)
一組的配置如下:
|
序號 |
設備名稱 |
品牌 |
型號 |
數量 |
備注 |
|
1 |
UPS主機50KVA |
臺達 |
GES-NT50K |
2 |
直接并聯,無須外加并機柜(卡) |
|
2 |
電池 |
中達 |
DCF-12/200AH |
174節 |
共享電池組 |
|
3 |
電池柜 |
中達 |
DBC20B |
12個 |
|
|
4 |
電池配電柜 |
中達 |
YU379914700 |
1 |
|
|
5 |
UPS輸出配電柜 |
中達 |
DP-40K |
1 |
預留兩個空開實現經濟擴容 |
|
6 |
柜間電纜/電池到主機電纜 |
|
----- |
若干 |
|
3.并機工作原理介紹
1. 當UPS處于并聯(N+1)模式時(容量、電壓及頻率必須相同),輸出負載由并聯中的UPS平均分配。UPS并聯中有UPS發生故障,若負載容量小于其它并聯中UPS的總容量,則此故障之UPS輸出會關閉,且負載由其它并聯中的UPS 平均分配。若負載容量大于其它并聯中UPS的總容量,則所有UPS的逆變器關閉,負載轉由備用電源供電。
2. 當逆變器遇到異常情況,如(1)溫度過高 (2)超載時間過長 (3)輸出短路 (4)輸出電壓異常 (5)電池放電終止時,逆變器會自動保護鎖機,如此時備用電源供應正常,則所有UPS會自動轉由備用電源供電,使負載供電不會中斷。當逆變器異常狀況排除后,UPS會自動由備用電源供電模式轉態回正常供電模式。
4.臺達NT系列UPS冗余并機系統的主要特點有:
1.根據用戶需要,可最多進行8臺并機,滿足設備后期容量的擴容要求。
2.運行于并機系統中的UPS與運行在單機模式下的UPS,其軟、硬件系統完全相同,運行模式的更改只需通過軟件設置即可完成。
3.采用高精度的實時數字控制技術,在保證各臺UPS輸出電壓嚴格同步的基礎上,直接控制各臺UPS的輸出電流與并機系統平均電流的瞬時誤差。這種快速響應、精準穩定的均流調節,能將各臺UPS的環流控制在3%以內,從而保證了并機系統的帶載能力和可靠性。
4.在每臺UPS的面板上均能查看到整個并機系統的負載情況;同時,并機系統的后臺監控可將整個并機系統的行為綜合為一臺“單機”,并實施相應的監控處理。
5. 采用簡潔可靠、自動冗余的環形并機信號總線和修正的分布式邏輯控制: 對于并機系統中的各臺UPS,均都處于完全“平等”的調控狀態之中。并采用獨特的同步相位調制法。每臺UPS能“智能”地將位于并機系統中的各臺UPS的同步跟蹤調到最佳狀態(各臺之間的相位差幾乎為零)和實時動態地調節所帶的負載百分比,實現高精度的負載均分。保證系統可靠性的基礎,即使在某臺UPS發生故障退出運行以后,由余下UPS組成的子系統仍能穩定運行。
5.UPS電源系統設計原則及系統構架介紹
5.1 UPS電源系統設計原則
5.1.1 通用性
本系統的設計符合國家設計標準。臺達NT系列UPS是專家精心研究為大型用戶所設計,其主要應用領域為各種數據處理系統、電信系統、電力系統、金融系統、衛星系統、網絡系統、醫療系統、安全緊急逃生設備、監控安全系統、各種工廠等關鍵動力設備系統。
5.1.2 可靠性
臺達NT系列電源設備具有良好的電磁兼容性和電氣隔離性能,不影響其他設備正常工作;主要電路板件采用雙備份設計的領先的設計思想;有效提高設備的運行可靠性;一體化供電能統籌設計保證主設備的輸出電壓和頻率及系統的可靠性。
5.1.3 穩定性
所有產品都經過在眾多行業的在線無故障運行考驗,在UPS電源行業具有領先的技術水平、領先的設計理念和領先的品牌形象。
5.1.4 安全性
NT系列UPS均符合高等級的抗擾度國際標準:
EN50091-1-1;
EN50091-2 CLASS A,
NT系列UPS均符合電磁兼容檢驗標準:
IEC62040-1,
IEC62040-2,
IEC62040-3;
IEC1000-2-2;
IEC61000-4-2 Level 4;
IEC61000-4-3 Level 3;
IEC61000-4-4 Level 4;
IEC61000-4-5 Level 4;
IEC61000-4-2 Level 4;
IEC61000-4-3 Level 3;
5.1.5 可維護性
NT系列UPS電源設備均采用模塊化結構設計,全部采用正面集中的維護的界面,所有操作界面一目了然,所有主要控制采樣板件均采用正面放置,使得維護時間大大縮短,故障的檢修處理。
5.1.6 擴充性
在本動力電源系統設計中作為設備的供應商,我們充分考慮到用戶后期的擴容,臺達UPS最終提供NT系列,3臺50KVA并聯冗余的UPS應用方案。但因應初期負載不足150KVA﹐先配置2臺50KVA UPS并聯作1+1冗余的應用方案。在未來擴增1臺再并聯時﹐也不需讓原先的UPS先行關機或轉旁路﹐可在線直接并聯第3臺50KVA﹐使系統變成3臺50KVA并聯﹐作2+1冗余的應用。做了合理的冗余設計。
5.1.7 經濟性
系統整體設計,可合理設計設備容量,減少設備成本;同時動力一體化解決也降低了設備的額外成本,給后期設備維護帶來一站式服務。
5.2系統架構介紹
ON-LINE UPS主要架構包含:靜態旁路電路、交流變直流(AC-DC)整流器、直流變交流(DC-AC)逆變器、及控制、偵測電路、維修旁路。
為雙變換在線式架構,保護用戶的精密設備供電質量,市電與電池供電為”零”時間斷電轉換,負載端可以完全濾除輸入市電的雜波,提供用戶負載純凈的正弦波,可延長設備使用壽命。
輸入端可做雙回路供電;整流輸入與旁路輸入可以依實際需要,配合作單一回路供電或分離雙回路供電。
5.2.1 整流器
由全控橋(SCR可控硅)組成全橋整流器,其作用是將輸入交流AC380V整流為直流393V左右。整流部件采用“斜坡”啟動方式,即整流器輸出電壓在10秒鐘內由0V至393V,避免對電網造成沖擊。加上專用輸入諧波濾波器,可將輸入諧波含量減小至4%以下,使電源輸入功率因數提高至0.95以上。
5.2.2 逆變器
由IBGT大功率管組成的SPWM(正弦脈沖調制)全控橋組成。其作用是將DC393V轉換為交流AC208V,經特制的(△/U)零相移鋸齒型升壓隔離變壓器,變為負載所需的AC456V;另外,該變壓器具有消除來自如計算機類的非線性負載所反射的三倍次諧波電流的能力。采用多重保護控制技術,可大大減少逆變器擾動關斷,并提高電源整機過載能力,使其抗短路和抗過載能力優于一般機型。特別是其抗短路能力是同類設備無法比擬的。
5.2.3控制系統
|
|

六.專業服務
臺達UPS在銷售上可針對用戶的需求提供相應的售前、售中、售后服務。內容如下:
服務宗旨:提供品質卓越的不間斷電源產品和令客戶百分之百滿意的服務。
售前服務:
◆為客戶提供電源規劃,使客戶能享受到最經濟,有效的臺達UPS配置及網絡系統管理方案。
◆公司可以專案的形式滿足有特殊要求的客戶,并提供有特殊功能的不間斷電源產品。
◆客戶可向上海總公司,各地分公司及代理商咨詢臺達 UPS產品的技特性或上網查詢 www.delta-cimic.com (中文),中達電通(網絡實名)
◆通過各種媒體,全國各地巡展及新產品發布會讓客戶了解臺達UPS最新產品的功能及特性。
◆ 公司備有足夠的庫存,提供快捷的裝機服務,滿足客戶最快改善用電環境的要求。
售中服務:
◆ 安裝調試時,對用戶進行現場培訓,令設備使用人員對設備能夠獨立操作正常使用及維護保養。培訓內容包括結構原理、故障診斷及臨時處理辦法,并要求能獨立操作不間斷電源,排除緊急故障。
◆ 對客戶的使用環境包括電源輸入、輸出、電池、電纜規格等有關準備工作將由專門的技術人員負責。UPS的安裝及調試由我公司指定的合格技術人員專門負責。
售后服務:
◆ 產品售出后即享有當地代理商進行安裝、調試及使用解說的服務,并享有臺達品牌保證,終身維護。
◆ 定期對臺達UPS的使用用戶進行培訓。
◆ 免費維修期內技術人員會定期提供UPS保養。
◆ 遍布全國的臺達 UPS維護網使您的問題可在最短時間內得到解決。
綜上所述,本文首先從通信行業動力機房的系統建設所遇到的實際問題出發,結合通信行業客戶針對動力電源的一些實際應用需求,依據需求逐一給予作設計方案的說明,并且對動力電源系統實施方面及初步建設和后期動力電源設備擴容建設也給予充分的考慮并作了方案的說明。在效果分析方面,針對購置成本、安全效益上作了深入的分析。此外,在規劃好的方案中對動力電源的可靠性、可用性、可管理性、性能上及可維護性、成本分析上等特性也都作了詳實的分析及說明。
http:www.x5a5.com/news/2007-11/2007111311456.html
