產品選型篇
經過企業內部相關負責人的評審之后,完善需求分析報告,然后是項目立項,項目立項需要組建項目組,把軟件、硬件、結構、測試等人員安排到項目組中,分配各自的職責。項目開發的下一階段是項目概要設計,將項目分解成多個功能模塊,運用WBS分解結構對項目進行功能分解細化,根據工作量安排時間,安排具體人員。整理項目概要設計報告,總體對項目進行評估,確定使用電源類型,電源分布情況,電源隔離濾波方式,系統接地方式,產品屏蔽,產品結構采用屏蔽設計,采用屏蔽機箱機殼,分析信號類型,對雷電、靜電、群脈沖等干擾采取防護措施。
產品概要設計報告出來后要經過相關人員評審,分析實現方式是否合理,實施方案是否可行,由評審人員給出評審報告,項目組結合評審報告對概要設計進行修改后,進入產品詳細設計階段,這階段的內容包括原理圖設計、PCB設計、PCB采購及焊接、軟件編寫、功能調試等過程,原理圖設計應考慮到電磁兼容方面的影響,對板級電源增加濾波電容,對信號的接口部分增加濾波電路,根據信號類型,選擇合適的濾波電路,若信號為低頻型號,應選擇低通濾波電路,計算合適的截至頻率,選擇對應的電阻、電容等。另對接口部分設計大電流泄放回路,設置防雷器件,做到第三級的防雷。
一、元器件選型
我們常用的電子器件主要包括有源器件和無源器件兩種類型,有源器件主要指IC和模塊電路等器件,無源器件主要是指電阻、電容、電感等元件。下面分別對這兩種類型元件的選型、在電磁兼容方面要考慮的問題做一些介紹。
有源器件EMC選型
工作電壓寬的EMC特性好,工作電壓低的EMC特性好,在設計允許的范圍內延時大(通常所說的速度慢)特性好一些,靜態電流小、功耗小的比大的特性好,貼片封裝的器件的EMC性能好于插裝器件。
無源器件選型
無源器件在我們的應用中通常包括電阻、電容、電感等,對于無源器件的選型我們要注意這些元件的頻率特性和分布參數。
無源器件在某些頻率下,會表現出不同特性,一些電阻在高頻時擁有電感的特性,如線繞電阻,電解電容的低頻特性好,高頻特性差,而薄膜電容和瓷片電容高頻特性較好,但通常容量較小。考慮溫度對元器件的影響,根據設計原理,選用各種溫度特性的器件。
二、印制板設計
印制板設計時,要考慮到干擾對系統的影響,將電路的模擬部分和數字部分的電路嚴格分開,對核心電路重點防護,將系統地線環繞,并布線盡可能粗,電源增加濾波電路,采用DC-DC隔離,信號采用光電隔離,設計隔離電源,分析容易產生干擾的部分(如時鐘電路、通訊電路等)和容易被干擾的部分(如模擬采樣電路等),對這兩種類型的電路分別采取措施。對于干擾元件采取抑制措施,對敏感元件采取隔離和保護措施,并且將它們在空間和電氣上拉開距離。在板級設計時,還要注意元器件放置要遠離印制板邊沿,這對防護空氣放電是有利的。
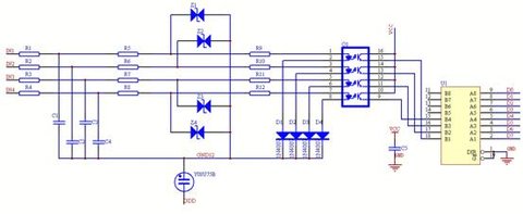
采樣電路的原理圖設計參見圖1:

電路的合理布局可以降低干擾,提高電磁兼容性能。按照電路的功能劃分若干個功能模塊,分析每個模塊的干擾源與敏感信號,以便進行特殊處理。
編輯:nigel
來源:河南輝煌科技股份有限公司
http:www.x5a5.com/news/2009-1/2009126194841.html
