在新一代汽車外部后視鏡中,內置功能的數量大幅增加:側面回復反射器或轉向燈/閃光燈、車門外部燈、除霜器、后視鏡折疊和調節等等。除這些功能外,最近又增加了電動防眩目后視鏡控制功能:在夜里后車大燈眩光刺眼時非常需要這種防眩目的后視鏡。電動防眩目后視鏡能夠自動變暗,避免反射光照射駕駛員的雙眼。電動防眩目 (EC)鏡是一種阻容等效負載:控制EC鏡需要一個復雜的控制策略。EC鏡在透明與顏色最深之間的電壓是0V到1.2V;在顏色開始變深時,最大電流在150-250 mA之間。如果使用一個傳統的線性控制器,從12V電瓶電壓降到1.2V防眩目鏡電壓,將會損耗太多的電能(大約12-1.2V*0.15A=1.62W);考慮到電磁控制(EMC) 問題,不推薦使用開關式控制器。因此,最初嵌入在汽車電子元器件內的EC控制電路是基于一個與EC鏡并聯的并聯控制器(如圖1所示)。

在這個拓撲中,并聯控制器用一個N溝道MOSFET T2作為功率輸出,一個6位數模轉換器為并聯控制器設定不同的精確的參考電壓,一個外部微控制器控制這個6位數模轉換器。后一個解決方案的最大功耗是1.2V*0.15= 0.18W。電阻 R1決定EC鏡面顏色變深所消耗的最大電流。在鏡面最大透明度時,控制電壓為0V,這表示沒有電流進入飽和的并聯控制器,在這種工作情況下,T1完全關斷電流。在內部只有MOSFET T2和并聯電阻器消耗控制EC鏡所需的功率,主要功耗來自外部元器件。并聯電阻器的額定功率必須很高(在高電瓶電壓時,功耗大約2W),而且還必須是一個精確的電阻器(低公差),因為控制EC鏡需要精確的電流。顯然,這個元器件對后視鏡電子控制模塊的成本和體積影響很大。此外,新一代EC鏡需要“快速放電”的性能,只有這樣才能保證鏡面亮度立即變強。綜上所述,必須采用另一種拓撲,才能優化防眩目后視鏡的控制機制,在中級汽車上推廣應用EC控制。
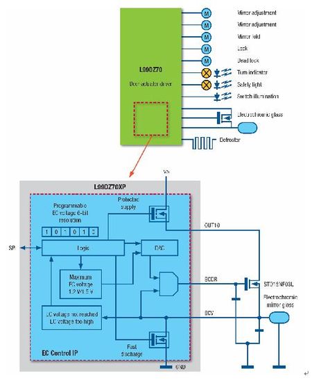
過去,在市場上有幾款車門負載執行器驅動單元。這些元器件的特點是一個可擴展的執行器驅動概念,即這些元器件的軟件和封裝相互兼容,能滿足車門電子模塊衍生設計的重復性要求。這些驅動元器件支持所有的正常的車門區負載,如車門鎖電機、后視鏡調節、折疊、加熱器(除霜器)以及從白熾燈到LED的各種照明功能。最近市場又出現了用單一元器件驅動所有車門負載的解決方案,這種元器件可產生驅動在車門上安裝的系統所需的全部主要信號,提供了一個改進的電動防眩目后視鏡控制方法。例如,意法半導體的L99DZ70XP一體化驅動芯片消除了通常在車門內部多個位置安裝分立驅動器的要求,實現了一個緊湊的一體化的車門區控制,而且提高了安裝簡易性和長期可靠性。 L99DZ70XP還為一個驅動EC元器件的小的外部MOSFET提供控制信號(如圖2所示)。這個架構可以節省空間和成本,還支持閉環電流控制,從而提高可靠性。

連接在ECV引腳上的電動防眩目元器件的電壓被控制在目標電壓值內(0..1.2V),電壓值用六個內部數據位設定?刂骗h路由一個片上差分放大器和一個外部MOS源隨器組成,源隨器的柵級連接ECDR引腳,驅動ECV引腳上的EC鏡電壓。OUT10引腳為外部MOS晶體管的漏極供電。芯片上放置一個從ECV引腳(陽極)到ECDR引腳(陰極)的二極管,以保護外部MOS源隨器。為提高閉環穩定性,在ECDR引腳上增加了一個至少5 nF的外部電容器。
目標電壓采用二進制編碼,電壓全程范圍1.5V。如果內部控制寄存器的某一個位被置“1”,則最大控制器輸出電壓被限制到1.2V,無需修改相關控制位的分辨率。當把目標電壓設置到0V且ECVLS驅動器被設置成通態時,一個1.6Ω的下橋臂開關將ECV引腳上的電壓拉到地線電壓(快速放電)。該芯片還有對EC單元的‘過高’和‘過低’電壓控制:這兩個功能有助于檢測EC單元的異常電壓特性。電壓控制環路和診斷功能的狀態信息通過SPI接口傳送給微控制器。
與最初的EC控制拓撲相比,新拓撲只有一個元器件(車門區元器件的外面)消耗控制鏡面所需的功率。因為始終工作在線性區,導通電阻不是一個重要的參數,所以這個元器件的成本不高。那個小MOSFET必須選擇封裝能夠處理目標功耗的產品。ST推薦使用STD18NF03L:一款BVdss 為30V的50mΩ MOSFET。該產品采用人們耳聞能詳的深受汽車環境歡迎的DPAK封裝。■
來源:意法半導體
http:www.x5a5.com/news/2009-7/2009715134424.html
