系統配置方案
3.1 系統布局圖

3.2 系統電源配置
3.2.1 二側站臺電源配置方案:
1)驅動電源UPS 電源系統配置:
驅動UPS 主機(含模塊) + 電池組(含電池柜)臺 + 配電柜共三面柜。
驅動UPS 系統主要包含40KVA UPS 主機(含2 只20KVA 模塊)一臺、25KVA 三相隔離變壓器一臺、電池組(含電池柜)一組、配電柜一套(含輸入/輸出等饋線開關)。
2)控制電源UPS 系統配置:
控制UPS 主機(含模塊) + 電池組(含電池柜)臺 + 配電等,共一面柜。
控制UPS 系統主要包含5KVA UPS 2臺、5KVA 單相隔離變壓器一臺、電池組(放置于配電柜)一組、配電柜一套(含UPS 輸入/輸出/直流模塊及交直流饋線開關等)。
3.2.2 三側站臺電源方案
1)驅動電源系統配置:
驅動UPS 主機(含模塊) + 電池組(含電池柜)臺 + 配電柜共三面柜。
驅動UPS 系統主要包含60KVA UPS 主機(含3 只20KVA 模塊)一臺、40KVA 三相隔離變壓器一臺、電池組(含電池柜)一組、配電柜一套(含輸入/輸出等饋線開關)。
2)控制電源UPS 系統配置:
控制UPS 主機(含模塊) + 電池組(含電池柜)臺 + 配電等,共一面柜。控制UPS 系統主要包含5KVA UPS 2臺、5KVA 單相隔離變壓器一臺、電池組(放置于配電柜)一組、配電柜一套(含UPS 輸入/輸出/直流模塊及交直流饋線開關等)。
3.3 站臺照明配電箱

材料明細:

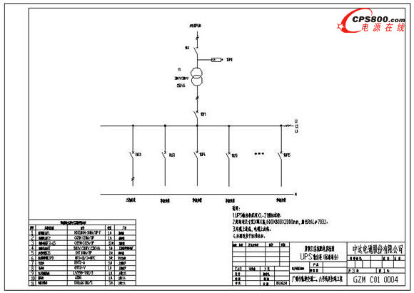
3.4 驅動UPS配電系統的組成
柜內主要元器件采用施耐德品牌。塑殼斷路器采用施耐德Compact NSE斷路器,微型斷路器采用施耐德C65N斷路器。內含中達隔離變壓器。站臺配電系統都預留了一路以上空開,作為備用。
- 1
- 2
- 3
- 4
- 總4頁
來源:臺達電子
http:www.x5a5.com/news/2010-3/2010319135629.html







