1.需求概述
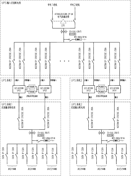
為保證數據中心機房內所有設備24 小時不間斷優質供電,數據中心機房供電系統采用兩路在線式UPS供電(每路均為1+1并聯冗余配置,提高供電系統的冗錯性和可靠性),UPS采用中文操作界面,根據系統設備用電功率,設計為4臺100KVA,實現獨立的雙總線供電方案,提高供電的可靠性、容錯性,滿足GB50174-2008《電子信息系統機房設計規范》A級機房電源設計標準。
2.臺達UPS電源解決方案
配置臺達GES-NT100K 雙變換純在線式工頻級UPS 4臺,組成兩套“1+
臺達GES-NT100K UPS 2路“1+1”并聯冗余的雙總線供電方案具有高可靠性、可用性及安全性,并機系統采用先進的獨特分布式邏輯控制方式,直接并機,并機無須外加并聯卡或并機控制柜,且并機通信信號線采用環形回路設計,大大地提高了并機系統的可靠性;NT100K UPS支持在線并機擴展系統,即無須關閉原UPS供電系統,在線將預將并入正常工作的UPS系統中,整并機擴容平滑、安全。
并機采用共用電池組方案,可以節省大量的安裝空間,提高電池的利用效率,減少地安裝地板承重需求。當其中一臺UPS故障退出并聯系統后,仍能保證滿載后備時間滿足原配置(而傳統UPS并機無共用電池組功能時,當其中一臺UPS故障時,它所配置的電池組也相應地退出了并機系統,此時導致后備時間縮短一半)。通過共用電池功能,還可以減少電池污染的排放和節省安裝空間等資源!
共用電池功能主要優勢如下:
Ÿ 節省購買電池的資金投資系統冗余量占系統總容量的百分之幾,就能節省電池總投資的百分之幾。在電池價格飛漲的今天,能夠節省的這筆費用是相當可觀的。同時,電池數量減少了,相應的搬運、安裝等投資也會跟著減少。
Ÿ 節省安裝空間投資大批量的電池所占用的安裝空間也是很大的,減少了電池數量,也就成比例地減少了安裝空間方面的投資。同時也就減少了房租、裝修費、空調配置等方面的投資。
Ÿ 節省承重方面的投資
電池組是很重的,為了解決樓層承重問題,一般會擴大電池的放置面積或者制做承重支架。如果減少了電池數量,這方面的投資就會相應地省去。
Ÿ 節省運營成本投資電池數量少了,系統本身以及房間空調所消耗的電能也就少了,需要投入的維護成本也少了,同時還會更加環保。
Ÿ 系統擴容比較方便
對于共享電池組的UPS系統,日后擴容時可以不增加電池,如果現有電池組的后備時間還夠用,直接增加UPS主機就行了。擴容會變得非常簡單、方便、節省資金。
臺達GES-NT100K UPS具有內置同步控制電路(LBS),系統采用雙總線供電方案時,無須再購買同步控制器/或同步控制柜,可節省大量的系統投資成本。
臺達NT系列UPS內置同步控制器(LBS)的功能及優點:
Ÿ 集成在主控制板中,無須增加外置同步控制柜/模塊,減少外部電路,技術更先進,大大提高了系統的可靠度;
Ÿ 安裝調試簡單、方便,無須復雜的接線;
Ÿ 可以實現2路“3+1”并聯冗余的雙總線方案,擴容簡便、適用性強;
Ÿ 同步控制線采用1+1冗余通訊線,即使斷掉其中1根對雙總線系統無任何影響,高可靠性;
Ÿ 提高了UPS系統的性價比,內置同步控制器功能,可為用戶節省大量的系統擴容資金。
- 1
- 2
- 總2頁
http:www.x5a5.com/news/2011-6/201161617342.html



