2019年1月15日,致力于亞太地區市場的領先半導體元器件分銷商---大聯大控股宣布,其旗下世平推出基于德州儀器(TI)C2000™微控制器的分立式旋轉變壓器前端參考設計。
大聯大世平推出基于TI C2000™微控制器且精度為±0.1°的分立式旋轉變壓器前端參考設計。該參考設計是適用于旋轉變壓器感測器的勵磁放大器和模擬前端,在尺寸大小僅為1平方英寸的印刷電路板(PCB)上實施分立式元件和標準運算放大器。提供的算法和代碼示例使用了2000™微控制器(MCU)LaunchPad™開發套件,通過TMS320F28069M MCU來進行信號處理和角度計算。該參考設計使用了創新的散射信號處理方法。該方法將系統精度提高了250%,同時還將硬件成本和復雜性保持在合理水準。TIDA-01527是TIDA-00796和TIDA-00363參考設計的低成本配套設計。這些設計均基于PGA411-Q1且能夠提供先進的特性,例如保護和診斷特性。

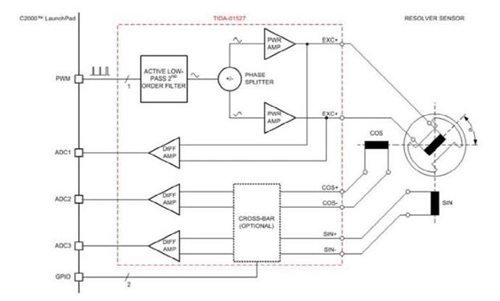
圖示1-大聯大世平推出基于TI微控制器的分立式旋轉變壓器前端參考設計的系統方案圖
功能特征
Ÿ±0.25°的角度讀取精度,使用創新的散射信號處理方法時精度為±0.1°;
Ÿ通過欠采樣算法來計算角度;
Ÿ行業標準化元件;
Ÿ在1平方英寸的四層PCB上進行極簡的部署;
ŸTMS320F28069M C2000™ MCU的示例固件(包含原始程式碼)。

圖示2-大聯大世平推出基于TI微控制器的分立式旋轉變壓器前端參考設計的照片
應用
ŸAC Drive Position Feedback;
Ÿ伺服驅動器和運動控制;
Ÿ位置編碼器和解析器;
Ÿ農業設備-逆變器;
Ÿ動力轉向-電子動力轉向(EPS);
Ÿ鐵路運輸-電機和致動器控制。
http:www.x5a5.com/news/2019-1/201911616194.html
