正是所謂的有機發光二極體,其最大特色在于它是自發光體,因此不需要背光源( Backlight )及彩色濾光片( Color Filter )等構造,因此能夠比 LCD 的厚度更薄。此外,更寬廣的視角、反應速度快、低驅動電壓、色彩與對比也相對比 LCD 高、理論上可達到更低耗電以 及制程更簡單等優勢,讓 OLED 成為繼 LCD 后最被看好的顯示技術明星。但 OLED 也壽命比 LCD 短的缺點,這是因為 OLED 是電流驅動的自發光體,因此其材料與原件的壽命相對的縮短。
OLED 的電源規格需求
一般小尺寸的 OLED 的電源,需一組正電壓( Vdd )輸出,與一組負電壓( Vss )輸入,而電源的架構,可分為數位相機與手機的架構兩種。數位相機的電源規格其 Vdd 電壓范圍 為 3V 至 6V ,而 Vss 電壓范圍為 -7V 至 -10V 。手機的電源規格其 Vdd 電壓范圍大約為 2.5V ,而 Vss 電壓范圍為 -7V 至 -10V 。而這兩種產品 的輸入電源通常為一顆鋰電池,所以電壓范圍大約為 3V 至 4.2V 。
數位相機 Vdd 的解決辦法
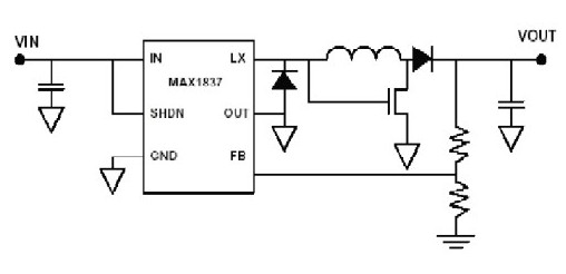
由于數位相機的 Vdd 電壓范圍為 3V 至 6V ,所以 Vdd 電源架構應該是 Buck/Boost 或是 Boost 的架構。如果一時找不到 Buck/Boost 架構的電源輸出,也可利用非常普遍的 Buck 架構來設計成 Buck/Boost 架構。只要利用一組普通的降壓電源控制 IC ,外加一 MOSFET 及一輸出二極體便能設計成 Buck/Boost 輸出,如圖 1 所示。這個穩壓器的工作原理是當 Lx 為高電壓時,電感電流隨 Vin/L 的斜率而增 加。而 Lx 為低電壓時,電感電流便隨( Vout+VD ) /L 的斜率而減少。輸入和輸出的電流為斷續的方式,它允許輸出電壓比輸入電壓更大或者更小。其輸出 電壓是輸入電壓和周期功率的函數:
此主題相關圖片如下:

以及周期功率算式為:
此主題相關圖片如下:

此主題相關圖片如下:

圖 1 利用降壓電源 IC 設計成升降壓型
從 上述的式子可得知輸出電壓與輸入電壓和周期的關系,想得到較高或較低的輸出電壓只要控制 1/1-D 的比值大小即可。設計者也可以直接使用一組 Buck/Boost 電源 IC ,來產生所需的電壓輸出,如圖 2 便是一組直接昇降壓的 IC 。其結合一組升壓轉換器與線性穩壓器來提供可升壓也可降壓的電壓轉 換器。這個轉換器為輸出電壓以下和超出的輸入提供一個穩定的輸出電壓。它可從 1.8V 到 11V 輸入范圍和預置 3.3V 或者 5V 的輸出。也能夠把這個輸出電 壓使用兩個電阻分壓從 1.25V 至 5.5V ,其效率大致上可高達 85% 。如果需要的輸出電壓是在 3.5V 至 4V 之間,可以用組合的方式來產生一組升降壓的 輸出,設計者只需要一組升壓轉換器與一組線性穩壓器便行,例如 MAX1606 升壓轉換器與 MAX8512 線性穩壓器的組合。
此主題相關圖片如下:

圖 2 升降壓型電源 IC
如 果因為成本的考量,那 Charge-Pump 的架構正適合低成本的解決方案,其架構可省一電感與一輸出二極體,例如 MAX1759 是以 Charge-Pump 方式產生一組可升降壓的輸出電壓。而 Maxim 的獨特 Change-Pump 架構容許輸入電壓可高于或低于輸出電壓。盡管它的工作 頻率高于 1.5MHz ,一樣保持低至 50uA 的靜態供應電流。
有些設計者因為考慮到高效率,而選擇以升壓方式產生一組輸入高于輸出電壓來提高效率,如圖 3 的升壓架構,由于需外加 MOSFET 作切換開關,因此可 提供較大的輸出功率。如果是因為空間的限制,外加 MOSFET 開關以及輸出二極體就會成為設計者的負擔,此時內建 MOSFET 切換開關與輸出二極體的升壓 DC-DC 轉換器例如 MAX1722 ,就適合于此應用中,不僅省空間、效能好,更能省成本。
此主題相關圖片如下:

圖 3 升壓型電源轉換器
手機 Vdd 的解決辦法
因此選擇以 Buck 方式提供 Vdd 所需的電壓。如圖 4 便是一組內建 MOSFET 切換開關的同步降壓結構的直流轉換器,可提供 400mA 的輸出電流。而且工作頻率高達 1.2MHz ,設計者可選用小尺寸的電感,與輸出電容,效率同樣高達 90% 以上。
此主題相關圖片如下:

圖 4 降壓型電源轉換器
負電壓 Vss 的解決辦法
介紹 OLED 的正電壓 Vdd 輸出之后,接著介紹 OLED 的負電 Vss 輸出。就如同前文所敘述,如果設計者臨時找不到合適的負電壓輸出電源 IC ,亦可 使用 Buck 架構的電源 IC 。如圖 5 以漂浮接地線架構來產生負電壓 Vss ,其原理為:透過正常的輸出,連接在供給電壓地線上,迫使轉換器的地線穩壓而產生 一組負電壓輸出,如果需要不同的輸出電壓,只要以兩顆電阻跨接輸出電容。<
免責聲明:本文僅代表作者個人觀點,與電源在線網無關。其原創性以及文中陳述文字和內容未經本站證實,對本文以及其中全部或者部分內容、文字的真實性、完整性、及時性本站不作任何保證或承諾,請讀者僅作參考,并請自行核實相關內容。