摘要:FAN7387是一種熒光燈、HID燈鎮流器和普通半橋逆變器、開關電源(SMPS)簡單控制器。該文介紹了FAN7387的功能、特點和基于FAN7387的電子鎮流器電路。
1 FAN7387 的結構、特點及其功能
1. 1 FAN7387的基本結構和引腳功能
FAN7387采用工作溫度為- 40 到125 并符合歐盟ROHS指令的8引腳SOP和D IP封裝,引腳排列如圖1所示。

圖1 FAN7387頂視圖
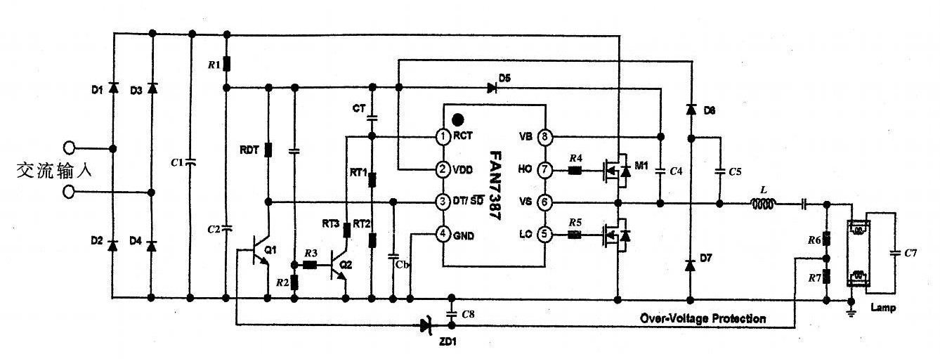
FAN7387芯片集成了電源電路、鎮流器控制電路和高端與低端(外部MOSFET ) 柵極驅動器,如圖2所示。
FAN7387各個引腳說明見表1。
圖2 FAN7387芯片電路組成框圖
表1 FAN7387引腳說明

1. 2 主要特點和功能。
FAN7387的主要特點和功能如下所述。
- 1
- 2
- 3
- 4
- 總4頁
免責聲明:本文僅代表作者個人觀點,與電源在線網無關。其原創性以及文中陳述文字和內容未經本站證實,對本文以及其中全部或者部分內容、文字的真實性、完整性、及時性本站不作任何保證或承諾,請讀者僅作參考,并請自行核實相關內容。
來源:c114
來源:c114
本文鏈接:基于控制器FAN7387的熒光燈與HI
http:www.x5a5.com/news/28485.htm
http:www.x5a5.com/news/28485.htm
文章標簽: 控制器/熒光燈/HID燈鎮流器









