1.引言
開關電源因體積小、重量輕、效率高、性能穩定等優點在電子、電器設備、家電等領域得到了廣泛的應用, 進入了快速發展期。開關電源的基本工作原理為: 在不同的負載情況下, 反饋控制電路通過改變功率開關管的占空比使輸出電壓穩定。反饋控制電路分為電流模式和電壓模式, 電流模式因動態響應快、補償電路簡單、增益帶寬大、輸出電感小、易于均流等優點而被廣泛應用。
極限電流比較器是電流模式控制電路中一個非常重要的部分, 其對不同的負載情況, 產生不同的極限電流, 去限制電感上的峰值電流或平均電流, 從而盡可能地減小輸出電壓紋波和提高電源效率。例如:
重負載情況對應的電源輸出電流比較大, 此時應設定較大極限電流, 保證輸出電壓穩定;輕負載情況對應的極限電流較小, 此時應設定較小極限電流, 使輸出電壓穩定。因此不同的負載情況對應不同的極限電流, 從而得到不同的占空比, 保證電源效率高和輸出電壓紋波小。
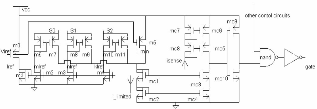
傳統的開關電源控制電路中, 電流極限比較器結構如圖1(a)所示, 檢測電流由M1( sense MOSFET)流入由多個開關管和電阻組成的網絡R1 中,該網絡通過控制開關管導通或關斷, 改變R1 的電阻值, 得到不同的占空比。另外一基準電流流過一阻值固定的電阻R, 產生一固定參考電壓。當R1 的壓降隨檢測電流上升到參考電壓時, 比較器關斷功率管, 保證輸出電壓穩定。其工作原理如圖2(a) 所示,例如: R1 上的電壓從a 上升到d, 從而關斷功率管產生一占空比, 當改變R1 的電阻值, R1 上的電壓從a 上升到f 得到另一占空比。從圖1(a)可以看出:傳統的開關電源電流極限比較器是將兩種電流先轉化成電壓再進行比較, 需要占芯片面積非常大的電阻網絡和開關管, 并且為保證電阻精度, 一般需要激光修調技術, 這大大增加了芯片成本。因此本文在此基礎上提出一種新型的電流極限比較器結構。

圖1 傳統的與新穎的電流極限比較器結構

圖2 傳統的與新穎的電流極限比較器結構的工作原理
- 1
- 2
- 3
- 4
- 5
- 總5頁
來源:C114
http:www.x5a5.com/news/28491.htm





