摘要:文中給出了一種產生高精度直流電壓的實現方法,介紹了基于AD760的D/A轉換電路和基于LF411運放的驅動電路。測試表明該電路輸出的電壓分辨率高,精度好,可作為高精度電壓源應用于工控系統。
隨著技術的發展,在工業生產過程監控系統中,對測試系統的精度要求越來越高。對于要求具有高精度直流電壓輸出的測試系統,D/A芯片及其外圍電路的選擇值得精心考慮。文中給出了一種基于AD760設計的高精度直流電壓輸出電路,并已成功應用于工控測試系統中。
1 系統設計
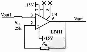
圖1所示為設計的高精度直流電壓輸出電路的框圖,它由總線端、數字隔離、D/A轉換、電壓驅動電路組成,D/A采用18位芯片AD760,電壓驅動電路由運放LF411的跟隨電路來實現。

圖1 系統框圖
2 硬件電路設計
2.1 數字隔離
為了防止總線端的數字信號對模擬輸出電壓產生影響,需要將兩邊的數字信號進行隔離,本板采用了ADI公司的ADUM1400和ADUM1201高速磁隔進行隔離。
2.2 D/A轉換
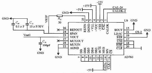
D/A轉換采用ADI公司的AD760芯片,如圖2所示是D/A轉換電路圖。AD760是一款16/18位可選、可進行自校準的DAC,內置片內基準電壓源、雙緩沖鎖存器和輸出放大器。它采用ADI公司BiMOSII工藝制造,可以在同一芯片上實現高精度雙極性線性電路與低功耗CMOS邏輯功能。只需發送脈沖使CAL引腳變為低電平,便會啟動自校準功能。CALOK引腳會顯示何時順利完成校準。校準期間,可以利用輸出多路復用器(MUXOUT)將輸出發送至輸出范圍底部。數據可以采用標準二進制、串行數據或雙8位字節格式載入AD760.在串行模式下,可以使用16位或18位數據;串行模式輸入格式通過引腳選擇,可以是MSB優先或LSB優先。通過具有雙重功能的三個數字輸入引腳(引腳12、13和14)來實現。在字節模式下,用戶同樣可以定義優先加載高字節還是低字節數據。雙緩沖鎖存結構不僅可以消除數據偏斜誤差,還能夠在多DAC系統中同時更新各DAC.當CLR選通時,可以利用異步CLR功能將輸出清零至負滿量程或中量程,具體取決于引腳17的狀態。

圖2 D/A轉換電路
AD760采用28引腳、600 mil cerdip封裝,AQ級的額定溫度范圍為-40~+85℃。
- 1
- 2
- 總2頁
來源:C114
http:www.x5a5.com/news/28493.htm


