摘要:本文介紹了一種基于DS2762 芯片的智能鋰電池監測系統。著重闡述了系統的硬件實現和軟件設計。系統借助單片機完成了實時監測和顯示當前狀態的功能。本系統功能強大、結構簡單, 可用于數碼相機、智能電話及其它便攜式儀器的智能鋰電池模塊中。
一、引言
目前, 在設計便攜式產品時通常采用電池供電。
在使用電池供電時, 電池的當前狀態是用戶所關心的, 如智能電話、數碼相機等都實時顯示當前的狀態。為此, 在設計本文所涉及的儀器時, 智能電池監測系統被充分考慮。本文實現的鋰電池監測系統由DS2762 鋰電池監測芯片、51 單片機、液晶顯示模塊組成。其中的核心功能由DS2762 芯片完成的。本文介紹了系統的硬件實現和軟件設計, 以及DS2762 芯片的特性和相關控制軟件程序。
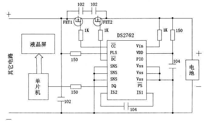
二、系統硬件結構及工作原理1、系統硬件結構。本系統的硬件設計力求簡潔,以便使單片機能夠完成更多其他功能。硬件實現如圖1 所示:

圖1 硬件結構圖
整個系統由DS2762 鋰電池監測芯片、51 單片機和液晶顯示模塊組成。DS2762 芯片是MAXIM公司推出的新一代智能鋰電池監測芯片, 集數據采集、信息儲存、安全保護于一身,具有功能強大、硬件接線簡單等特點。它完成對電池當前狀態的監測, 包括當前電池的充/ 放電狀態、電壓、電流、溫度和剩余電量等參數的監測。DS2762 芯片能自動采集這些數據, 并將其放在存儲器中。
- 1
- 2
- 3
- 4
- 總4頁
免責聲明:本文僅代表作者個人觀點,與電源在線網無關。其原創性以及文中陳述文字和內容未經本站證實,對本文以及其中全部或者部分內容、文字的真實性、完整性、及時性本站不作任何保證或承諾,請讀者僅作參考,并請自行核實相關內容。
來源:c114
來源:c114
本文鏈接:基于DS2762的智能鋰電池監測系統
http:www.x5a5.com/news/28500.htm
http:www.x5a5.com/news/28500.htm
文章標簽: 智能鋰電池/監測系統/鋰電池模塊





