本文分析并提出了一種方案主要針對LED 路燈的高效率電源驅動器的AC/DC 部分。電路采用了零電壓開通技術降低了一次側Mos 管的開關損耗。本文還提出了一種可用于高輸出電壓情況下的混合型同步整流方案并對其工作原理和工作過程進行了較為詳細的分析,并就如何減小變壓器的損耗提出了一些看法。最后,本文介紹了設計樣機進行的實驗結果。
1. 引言
近年來,隨著大功率白光LED 技術的發展,照明產業開始面臨新的機遇與挑戰。LED 越來越多地被應用于通用照明領域,道路照明則是其中一個極具潛力的重要應用領域。由于LED 本身所特有的長壽命、潛在的高光效的特征,設計一款能夠充分發揮此特征的高效率恒流驅動電源則顯得尤為重要。
2. 高效率LED 電源驅動器的設計與分析
2.1 設計概述
在本次針對LED 路燈進行電源設計時,需充分考慮到此應用的特點與要求:
1)單燈最大功率不超過100W。
2)為提高路燈的可用性,燈具中LED 分為若干組,每組中LED 串聯驅動,組間分別驅動,單組損壞不影響其它組LED。
3)為提高安全性,輸入與輸出之間需要電氣隔離。
4)電源需具有較高的功率因數。
為滿足以上要求,本設計采取ACPDC 恒壓電源與多路DCPDC 恒流驅動級聯的方式驅動多路LED。
ACPDC 部分采用反激式拓撲,輸出52V , 100W。
DCPDC 部分采用國半的LED 恒流驅動芯片LM3404。
本文僅介紹AC/DC 部分的設計。
反激式電源的損耗主要在于3 個地方: 1)一次側Mos 管的損耗,包括導通損耗和開關損耗。2)二次側整流二極管的損耗。3)高頻變壓器的損耗,主要包括鐵損、銅損及漏感造成的損耗。為提高電源的效率,主要需從這三個方面采取措施,減小損耗。
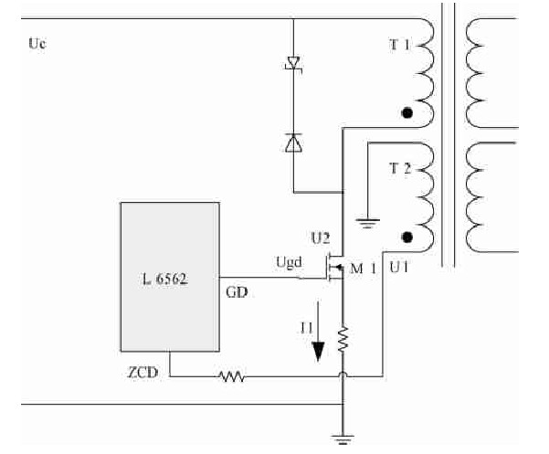
2.2控制方式及零電壓開通設計
本設計中,采用ST 公司的L6562 作為主控芯片,L6562 是一款經濟型功率因數校正控制器。反激式電源工作在不連續導電模式(DCM), 通過前端EMI 濾波器自動實現高的功率因數。
為減小初級Mos 管損耗,我們選用ST 公司的Mos 管STP11NM60 , 導通電阻0145 Ω , 可以有效減少導通損耗,并采用準諧振技術,實現對Mos 管的零電壓開通,可以最大限度地減小開關損耗。
自從20 世紀70 年代以來,軟開關得到了充分發展,準諧振技術也有了成熟的應用。L6562 本身就具有零電壓開通檢測管腳,可以較為方便地實現當Mos 管漏極電壓降到谷底時將其開通。
具體設計如圖1 所示,其中,T1 為變壓器的一次側繞組,T2 為輔助繞組。1)t0 ~ t1 時段,Mos 管M1 開通,整流輸出電壓Uc 流經變壓器T1 繞組,電流I1 上升。2)t1 時刻,Mos 管關斷,Mos 管電壓U2上升,變壓器初級繞組電流I1 換流到次級繞組電流I2。3)t1 ~ t2 時段,變壓器開始向副邊輸送能量,副邊的充電電流I2 隨時間線性減小。4)t2 時刻,I2降為0 , 儲存于變壓器中的能量釋放完畢。5)t2 ~t3 時段,變壓器T1 繞組電感L1 , 漏感L2 與Mos 管漏極對地電容C1 開始諧振,諧振頻率。T2 作為輔助繞組之一,其一端電壓U1 隨U2 降低,當低于ZCD 的閾值下限116V , 即位于圖2 所示A 點時,L6562 再次開通M1 , 下一周期開始。
- 1
- 2
- 3
- 4
- 5
- 6
- 總6頁
來源:c114
http:www.x5a5.com/news/28503.htm







