王其英
在電的領域內命名的有線電和無線電,高壓電器和低壓電器,電壓源和電流源,交流電和直流電,硬件和軟件,等等的命名都有其唯一性。工頻機UPS和高頻機UPS的區分也一樣,顧名思義,那就是以頻率不同為根據的。就應該從頻率的角度去看,而不是另辟途徑。
因為UPS的輸入和輸出都是50Hz的正弦波標準電壓,眾所周知這沒有什么好討論的,所以這里所討論的都是UPS內部的工作情況。在當代工頻機UPS中,輸出變壓器并不是該機所必需的配套裝置。在2008年上海國際電源論壇會議上,與會專家們也一致認為“變壓器今后并不是電子設備的必然配套裝置”,電子變壓器會將其替代。但在上個世紀70至80年代,由于技術和元器件的水平還沒達到一定程度,UPS的主要器件是還靠可控硅,這是一種半控器件,即開通是可控的,而關斷是不可控的,只有等到電壓過零點才可關斷。因此其工作頻率受市電頻率約束,只能與市電頻率同步工作。而且當時的逆變器輸出也只能是單方波?上У氖钱敃r負載設備電源的輸入幾乎都有變壓器,而UPS輸出的方波電壓平頂部分會導致變壓器鐵心飽和,從而造成故障。所以負載對UPS的輸出要求必須是正弦波。這樣一來,從方波中濾出正弦波就需要龐大的LC濾波器,不但耗材驚人,噪聲煩人,而且效率也大幅度降低,尤其是中大功率更是如此。

圖1 四階梯波輸出的UPS電路原理方框圖
為此人們又為大功率設計出一種接近於正弦波的階梯波,以減小LC濾波器的尺寸。但又出現了新的問題:一個階梯就是一套逆變器,比如1972年美國總統尼克松訪華時帶來的UPS就是四套逆變器疊加而成的四階梯波結構,然后再由濾波器濾出正弦波電壓,如圖1所示。從圖中可以看出,四階梯波的構成就需要變壓器將其串聯起來。這里的變壓器一般是不可少的。小功率由于造價太高,一般還是由方波濾波后輸出。
上世紀70年代美國庫伯博士實驗成功了一種高頻脈寬調制(PWM)電路,使原來龐大的線性電源起了革命性的變化?上М敃r晶體三極管只是低壓小功率水平,無法被UPS采用。一直到1980年前后高頻技術才被陸續應用到UPS逆變器上,這時使用大功率高壓晶體管和場效應管的逆變器調制頻率可以做到50Hz工業頻率的數百倍,因此LC濾波器的體積也有了本質的變化,可以做的非常小。圖2示出了脈寬調制輸出被檢波出正弦波的情況。

圖2 當代一般UPS的PWM輸出過程
從該圖中可以看出,其輸出波形已被濾波器濾出正弦波電壓,如果電壓值合適的話就可以直接給負載使用。1998年至2001年期間,我國進口了一批荷蘭Victron品牌的UPS,就是圖2的結構,沒有輸出變壓器。雖然由于采用了傳統的全橋結構逆變器,使得兩條輸出線都是火線,但并不妨礙負載的正常使用,在很多用戶機器上的實際運行中證明了這一點。遺憾的是:當時有的計算機廠家不知出于什么目的,竟提出了UPS輸出端接地的要求,否則就不給負載計算機開機!暫不談這種要求是否值得商榷,但為了能給用戶開機,也只好將UPS輸出的一端接地。但這樣一來,接地以后的UPS一啟動,逆變器就炸機。無奈只好在UPS輸出端加了一個隔離變壓器才算穩住了局面。換言之,如果UPS輸出一端不接地,不用變壓器也可為計算機正常供電,這是其一。其二,因為當時計算機畢竟使用的都是220V,一根火線和一根零線就足夠了,和地線并沒有什么關系…
80年代前后由于絕緣柵晶體管(IGBT)的出現,又為UPS技術的發展提供了有利條件,在脈寬調制波形和頻率基本不做改變的情況下,IGBT就可以順利地取代晶體管和場效應管。但鑒于以前的接地要求,這個變壓器就這樣很自然地沿用下來了,當然這也和電池電壓不符合交流電輸出值的要求,需要變壓也有關系。

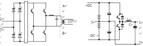
(a)工頻機UPS輸出正弦波的原理電路 (b)高頻機UPS輸出正弦波的原理電路
圖3 兩種UPS輸出正弦波時的電路結構
1980年中后期,UPS的逆變器推出了半橋結構電路,和多數工頻機UPS采用的全橋逆變器相比,它的兩條輸出線就是一條火線和一條零線。這樣一來,在滿足負載輸入接地的條件下就可以不用變壓器隔離了,如圖3的(a)和(b)所示。如果工頻機UPS的逆變器也采用半橋結構,也可省去了這個輸出變壓器。目前已有幾個品牌的工頻機UPS采用了半橋逆變器結構電路而取消了輸出隔離變壓器。
從上面的討論可以看出,所謂輸出隔離變壓器并不是當代工頻機UPS必然配套的裝置,更不是工頻機UPS的什么“法寶”,而是可有可無:用半橋逆變器就可以不要輸出變壓器,用全橋逆變器,如果輸出值合適且不要求接地時也可不要輸出變壓器。目前已有的工頻機型UPS就取消了輸出變壓器。至于還有的工頻機UPS生產廠家繼續仍保留此裝置,那是制造廠家的考慮。并不表示輸出變壓器就是UPS的必配裝置。比如也有的高頻機型UPS的逆變器仍采用全橋電路結構,后面也加了輸出變壓器,更有的在半橋逆變器后面又加了輸出變壓器的情況,但整流器和逆變器仍然采用了IGBT,其數千赫茲的工作頻率也沒變,所以仍然屬于高頻機范疇。既然輸出變壓器是當代工頻機UPS的身外之物,再用它作為區分兩種類型UPS的標志就不是充分的理由了。就像用是否穿高跟鞋作為區分男性和女性的的條件一樣缺乏唯一性。<
http:www.x5a5.com/news/31085.htm
