3.6. 樓宇、住宅小區集中供電方案:
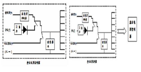
在車站、商場、賓館、居民小區等場所建設基站和無線寬帶時,采用住宅小區集中供電方案,見下圖:

高壓直流電源系統組成的供電方案,適用于新建或現網電源更新。
建成集中供電網,將大幅提升分布式基站供電安全,減少投資,減少維護量。
4. 分布基站新供電系統評估
4.1 技術評估
分布基站新供電系統是高壓直流電源技術、高壓直流集中遠供電技術、新能源基站供電技術及本地市(農)等集成的供電方案,通過基站電源控制器實現對分布基站不間斷供電,真實的實現了基站云供電。所涉及的技術都是成熟技術,通過了大量的理論研究和應用實驗。工信部和各大電信運營商出臺了《技術規范》。在電力傳輸環境允許條件下,可以組成相對閉合的供電網,有效提升了移動通信供電系統的可靠性、完全性。由于分布基站可室外安裝,不用進行環境溫度調節,節省了空調或環境節能設備投資,實現了移動通信基站節能最大化。由于移動通信基站減去了環境溫度調節用電負荷,使移動通信基站采用新能源為主的供電成為可能,為大量采用新能源打開了空間。分布基站新供電系統的實現,在技術上解決了目前移動通信基站電源維護三大難題,一是大幅減少基站電源系統維護工作量;二是大幅減少電池使用組數,為提高電池維護質量提供了可能;三是多電源聯網供電,解除了應急發電之苦。
4.2 經濟評估
以中國移動某市級分公司以采用分布基站為例,現有分布基站980處,其中,自備電源860處,高壓直流遠供80處,本地高壓直流供電6處,無自備電源站34處。將現網基站自備電源860處的五分之三改為分布基站新供電系統進行經濟分析:
(1)大量減少現網鉛酸蓄電池的用量。
現網基站自備電源860處有48V500AH電池1720組。建設344處供電主基站,考慮高壓直流遠供負荷,每處供電主基站采用48V500AH,需電池1032組即可,減少48V500AH電池688組,減少投資1513.60萬元。
(2)減少基站空調用電或環境節能投資。
現網基站自備電源860處有5P空調360臺,3P空調500臺。改建為344處供電主基站后,由于分布基站熱負荷減小,344處供電主基站采用3P空調即可,減少空調516臺,減少投資412.80萬元。按每臺空調年用電量7000KWH計算,可減少用電3612000KWH,年節約電費325.08萬元。
(3)大幅減少供電線路壓降損失。
采用以新能源或本地市(農)為主,高壓直流遠供為輔供電,平均每處分布基站產線損減少700KWH(以80W為例),516處分布基站減少線損361200KWH,節省電費32.51萬元。
(4)大量減少應急發電次數。
根據2013年應急發電次數統計,該市全年應急發電360站次,平均每次應急發電費用(不含人工成本)1000元,全年應急發電費用36.00萬元,全年可節省應急發電費用28.80萬元以上。以每次發電用燃油30公升計算,年節油6480公升。
(5)大幅減少基站電源維護量。
由于該分公司地處山區,現有基站860處,按每季維護一次計算,每年要進行3440次電源維護。改建供電主基站選取地理條件便于維護地區,平時只對344處供電主基站進行維護,年電源維護次數為1376次。減少基站電源維護量60%。以每站次維護車輛用油10公升計算,年節油20640公升,節省油費15.48萬元。
(6)為大量采用新能源提供了可能。
分布基站用電負荷大多在1KW以下,新能源投資大幅減少,回收期縮短,為離網式新能源在基站供電系統普及應用打開了空間。以1KW用電負荷分布基站為例,516處基站年用電量4520160KWH,如采用新能源供電為40%,年節電為1808064KWH,年節省電費162.73萬元。
860處分布基站,年節電5791364KWH,年節油20640公升,年節能運營成本564.6萬元,節省投資1926.4萬元。

4.3 社會效益評估
采用分布基站新供電系統,在做到基站節能最大化的同時,可節省燃油27120公升,減少鉛投放627.46噸,還會減少大量的污染物排放,產生極大的社會效益。以中國移動某市級分公司已采用分布基站為例,根據專家統計數據:每節約1度(每千瓦)電,就相應節約了0.4千克標準煤,折算成排放物---減少排放0.997千克二氧化碳、0.272千克粉塵、0.03千克二氧化硫、0.015千克氮氧化物。見下表:
第一作者:
王澤:男 民族:漢族 年齡:61歲 從事通信電源專業工齡:43年 專業技能:通信電源技師 曾任吉林移動通信有限公司通化分公司電源維護主管 中國移動通信集團公司電源專業專家 吉林移動通信有限公司電源專業專家組成員。
第二作者:
魏玉清:男,漢族,1973年出生,大學學歷,助理工程師。現任中國移動吉林公司通化市分公司網絡部經理。
第三作者:
楊寧:男,漢族,1974年出生,大學學歷,助理工程師。現任中國移動吉林公司通化市分公司網絡部無線電源管理。<