模塊化UPS解決方案
模塊化方案概述:
模塊化UPS采用標準的結構設計,每套系統由功率模塊、監控模塊、靜態開關組成。其中功率模塊可并聯,平均分擔負載。如遇故障自動退出系統,由其它功率模塊來承擔負載,既能水平擴展,又能垂直擴展。獨特的冗余并機技術使設備無單點故障,以確保電源的最高可用性。所有的模塊可以實現熱拔插,可以實現在線更換,維修是最安全的電源保護方案。
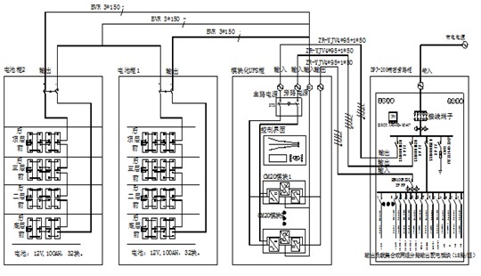
本方案由模塊化UPS主機、智能化配電系統、電池組合而成。
模塊化UPS主機:
模塊化UPS功率模塊采用雙變換在線式結構,包括整流器、逆變器、充電器、控制電路、與輸入輸出電池母排的斷路開關。具有輸入功率因數補償功能。所有模塊均可在線熱插拔更換,提供最高級別的可用性、可維護性。
模塊化UPS主機控制模塊采用工業CAN BUS總線控制結構,由兩塊冗余的可熱插拔的控制模塊來完成對系統的控制管理。一個控制模塊故障不會影響到系統的正常工作。控制模塊可在線熱插拔更換。功率模塊的并聯也由控制模塊集中管理,按照統一的并機參數運行,一個功率模塊故障可自動的退出并聯系統,不會對整個并聯系統造成危害。
模塊化UPS系統采用獨立的靜態旁路模塊,不采用多個靜態旁路結構,以避免轉旁路時的多個旁路不均流而造成的過載損壞。模塊并聯輸出電壓精度為±1%,并機環流<1%。
標配SNMP卡,采用HTTP協議、SNMP協議、TELNET協議等。可對UPS中市電狀態、電池狀態、旁路狀態、逆變狀態、自檢狀態、開機狀態和輸入電壓、輸出電壓、負載百分比、輸入頻率、電池電壓、電池容量、電池放電時間、UPS機內溫度、周邊環境溫度等等UPS電源的運行情況一目了然,提高UPS電源保障系統的管理效率和管理品質。選用開放的windowsNT/ windows2000/windowsXP/windows2003操作系統平臺。
可以選配備溫濕度傳感器,插入多功能網卡,通過網絡實現對機房環境的溫濕度監控和報警。
智能化配電系統
該系統為UPS電源的輸入和輸出一體化配電集成系統,與UPS主機配套使用,內含UPS的輸入開關、輸出開關和維修旁路開關以及系統的總輸入開關,主開關均配置輔助觸點;內含電流傳感系統,并與UPS主機通訊。
該配電系統由輸入配電單元、分路輸出配電模塊、監控模塊、隔離變壓器組成。輸出配電單元每個配電模塊配置了18個輸出分路,每個分路的電流從6A-32A隨需設定,并根據現場負載的配置及變化情況調整三相平衡,配電系統可安裝最多6個即插式配電模塊,配電模塊數量可選。
該配電系統與UPS主機同尺寸外觀,同顏色。標準配置為:液晶顯示器、UPS維護旁路面板(含系統總輸入開關、UPS輸入開關、輸出開關、維修旁路開關,為帶輔助觸點開關)。檢測電路主板,三相輸入輸出的電壓和電流傳感器組件,中線電流、地線電流傳感器,外接EPO信號接口。
可選裝輸入K值隔離變壓器和支路電流監控器。
該配電系統可配備網卡,能夠通過網絡監控該配電柜的參數、狀態和歷史紀錄以及報警信息。能網絡監控配電柜的輸入輸出三相電壓、電流、頻率,中線電流,地線電流,每相的KVA數,KW數,功率因數,支路電流等。并可設定電流高低電壓報警門限值。
外接電池及電池柜
電池采用免維護全封閉鉛酸蓄電池,電池容量可品牌可根據需要進行配置,電池安裝于與UPS主機同品牌同外觀同顏色的電池柜內。
模塊化單機可靠性分析
評估UPS系統履行職責的可靠性,不僅要考量UPS的MTBF,還要考量UPS的MTTR及市電的MTBF。當UPS發生故障的同時市電也發生故障時,負載將會失去電力,也就是說UPS關鍵職責的失效。負載暴露在沒有保護的市電之下的時間長短取決于維修時間的長短。如果維修一臺UPS需一周時間,而市電的平均無故璋時間也是一周,那么,UPS發生故障時,負載將很可能失去電力。如果UPS的MTTR是1小時,那么市電的MTBF將不會對關鍵負載的失效概率產生很大影響。很顯然,降低UPS的 MTTR將會降低對關鍵負載的失效概率。降低UPS的MTTR最好的方法就是盡量減少可能影響UPS維修的因素。模塊化單機UPS因為具有在線熱插拔的功能,自然是最好的選擇。
從設計原則上講,承擔供電任務的整個電源系統都必須采用具有高度“容錯”功能的冗余式的供電方案,以確保無論是在市電電網出故障時或是在任何模塊(包括系統控制模塊)發生故障時,還是在進行日常維護/檢修操作時或因故致使保險絲燒毀/斷路器開關“跳閘”時,互聯設備均應由“在線式UPS”的逆變器電源來供電,而不應進入由普通的市電電源/應急備用發電機組經UPS的交流旁路來供電的狀態。
綜上所述,模塊化單機UPS具有最長的履行職責平均無故障時間(λmission),最小的平均維修時間 (MTTR)及最強的抗市電干擾風險能力及高度“容錯”功能,是最可靠的電力保證。
模塊化單機UPS方案圖:

http:www.x5a5.com/news/46619.htm
