定貨料號 Number of Order: U61509XX41A1
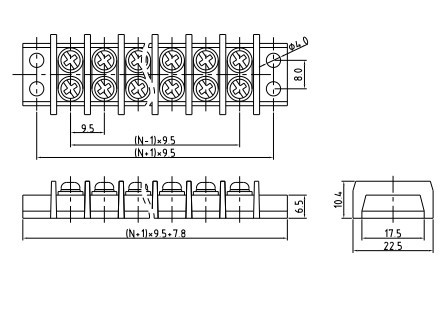
間距 Pitch: 9.5mm
位數:Poles: 2P~24P
規格說明 Specifications
電氣性能 Electrical: UL
額定電壓 Voltage rating: 300V
額定電流 Current rating: 15A
適用線徑 Solid Wire(AWG): 14-22
最大鎖緊扭力 Torque: 6kgf.cm/M2.5
使用溫度范圍 Operating -40℃to+105℃
耐電壓值 Withstanding Voltage: 2500VAC


